Crowbar'ın türkçe anlamına baktığımızda levye anlamında yani fiziki anlamda düşük güç ile ağır bir yükü kaldırmak !!!!
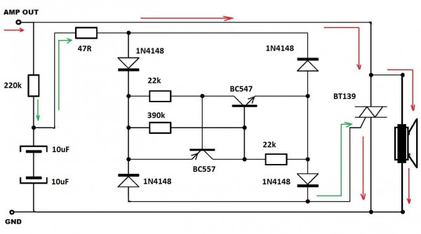
Apex'in bu devresinde; amplifikatör çıkışları arıza yaptığında hoparlöre bir DC gerilim geldiğinde hoparlörden yüksek akım geçecektir...İşte bu apex devresinde mevcut hoparlör yüküne geçecek yüksek akımı sınırlayacak(devre sayesinde akımı kendi üzerine alan çift yarım dalga yönlü triac ile...) bir devre bir nevi DC koruması...


