Apex crowbar

Transistör/MOSFET Güç Yükselteçleri » Transistörlü ve MOSFET'li (solid state) ses yükselteçleri ile alakalı soru(n)lar

Apex crowbar

Okunmamış iletigönderen chf » 25 Mar 2017, 09:36

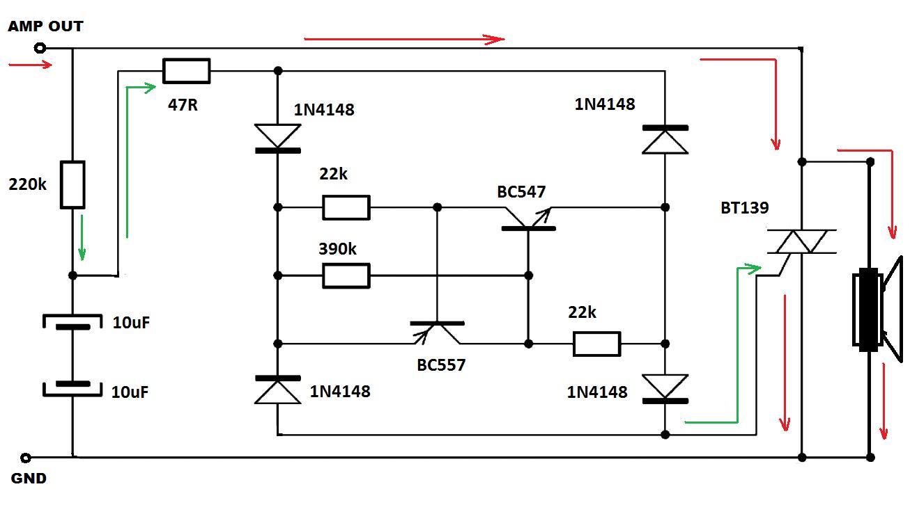
Crowbar'ın türkçe anlamına baktığımızda levye anlamında yani fiziki anlamda düşük güç ile ağır bir yükü kaldırmak !!!!
Apex'in bu devresinde; amplifikatör çıkışları arıza yaptığında hoparlöre bir DC gerilim geldiğinde hoparlörden yüksek akım geçecektir...İşte bu apex devresinde mevcut hoparlör yüküne geçecek yüksek akımı sınırlayacak(devre sayesinde akımı kendi üzerine alan çift yarım dalga yönlü triac ile...) bir devre bir nevi DC koruması...
Eklentiler
APEX Crowbar.jpg
chf
DIY Audio Gurusu
 
İleti: 440
Kayıt: 26 Haz 2013, 14:25
İl: izmir


Ynt: Apex crowbar

Okunmamış iletigönderen Hazar » 25 Mar 2017, 13:25

Crowbar o manada değil, bir levyeyi direk çıkışlara bağlayıp kısa devre ettirmek manasında..

Burada levye triac oluyor. Pahalı hoparlörleri korumak için triac feda ediliyor. Çıkışta DC olduğunda bir ses amplifikatörü zaten ciddi manada bozuktur, bu devre de bu durumu görüp girişteki sigortanın bir an önce atması beklentisi ile çıkışları kısadevre ediyor.
Halihazırda çıkış rölesi kullanılmayan tasarımlar için kullanılır, subwoofer amplifikatörlerinde de ayarının iyi tutturulması gereklidir. Yeni sinema sistemlerinde subsonic filtrelerin kesimi bayağı aşağı çekildi, duyulamayıp "hissedilen" frekanslar için.
Rüzgar ters esiyorsa, yelkenlerini rüzgar yönüne göre ayarlamaya bak; çünkü dünya çektiğin sıkıntılarla değil, gemiyi limana ulaştırıp ulaştıramadığınla ilgilenir.
ResimDIY Audio Türkiye Facebook Sayfası
Hazar
Site Sorumlusu
Site Sorumlusu
 
İleti: 1057
Kayıt: 12 Arl 2006, 12:20
İl: İstanbul

Ynt: Apex crowbar

Okunmamış iletigönderen chf » 28 Mar 2017, 08:22

;)
chf
DIY Audio Gurusu
 
İleti: 440
Kayıt: 26 Haz 2013, 14:25
İl: izmir


Transistör/MOSFET Güç Yükselteçleri


 


  • Bu konular da ilginizi çekebilir:
    Cevaplar
    Gösterim
    Son ileti
  • Apex Hx-11
    Eklenti(ler) gönderen birgitay » 09 Oca 2015, 00:40
    2 Cevaplar
    1245 Gösterim
    Son ileti gönderen birgitay Son iletiyi göster
    09 Oca 2015, 12:46
  • apex 100w amplifier
    1, 2, 3Eklenti(ler) gönderen chf » 28 Haz 2013, 10:52
    23 Cevaplar
    4412 Gösterim
    Son ileti gönderen chf Son iletiyi göster
    22 Mar 2014, 10:06
  • APEX STÜDYO REFERANS 50
    1, 2Eklenti(ler) gönderen zunda » 03 Ağu 2013, 22:11
    13 Cevaplar
    2797 Gösterim
    Son ileti gönderen Amatör Son iletiyi göster
    05 Ağu 2013, 19:11
  • Apex 500 Watt Power Amplifikatör
    Eklenti(ler) gönderen birgitay » 07 Haz 2013, 14:39
    2 Cevaplar
    1676 Gösterim
    Son ileti gönderen birgitay Son iletiyi göster
    23 Haz 2013, 11:29

Kimler çevrimiçi

Bu forumu görüntüleyenler: Google [Bot] ve 0 misafir