30-40w gitar amfisi yardım

Transistör/MOSFET Güç Yükselteçleri » Transistörlü ve MOSFET'li (solid state) ses yükselteçleri ile alakalı soru(n)lar

30-40w gitar amfisi yardım

Okunmamış iletigönderen berkay_design » 26 Arl 2014, 02:32

Merhaba arkadaşlar. Bir süredir amfi araştırıyorum. Tesadüfen bu forumu buldum. Çok yararlı bilgiler var. Emeği geçen herkese teşekkürlerimi sunarak sorularıma başlamak istiyorum.
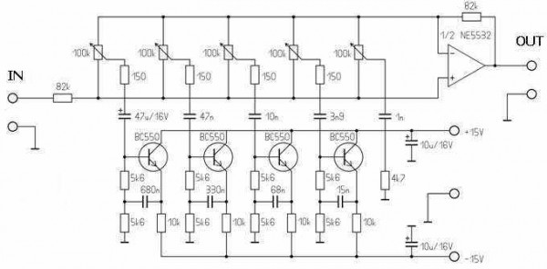
Opamp kullanarak bazı yükseltici devreler yaptım. Ancak ısınma sorunu çok fazla oluyor. Bu nedenle transistör yada mosfet kullanarak amfi yapmak istiyorum. Sesin kaliteli olması gerekiyor. Küçük konserler için kullanılacaktır. İlk sorum şu: Amfiler hakkında detaylı bilgi almam için kaynak, kitap, video, ders var mıdır? Anahtarlamalar nasıl yapılır filtrelemeler nasıl ayarlanmalıdır? Kondansatör bobin değerleri ne olmalıdır? Bunları öğreneceğim sağlam bir kaynak bulamadım doğrusu. İkinci sorum: 30-40w sadece transistör yada mosfetli amfi yeterli olacaktır. Elinde bunun devresi olan var mı aramızda? Isis Ares çizimlerine ihtiyacım yok sadece şema olsun yeterli. Denenmiş olursa tercihim. Besleme için kaç watt trafo gerekiyor? Son olarak internette çok sık karşılaşılan bir ekolayzer devresi yapmıştım. Çalıştıramadım. Devreyi yüklüyorum bilen vardır diye düşünüyorum. Yardımcı olabilirseniz çok sevinirim.

transistorlu-ekolayzir-devresi-equalizer-sema.jpg
berkay_design
Yeni Üye
 
İleti: 13
Kayıt: 26 Arl 2014, 02:11
İl: Antalya


Ynt: 30-40w gitar amfisi yardım

Okunmamış iletigönderen resho » 27 Arl 2014, 21:23

berkay_design yazdı:Merhaba arkadaşlar. Bir süredir amfi araştırıyorum. Tesadüfen bu forumu buldum. Çok yararlı bilgiler var. Emeği geçen herkese teşekkürlerimi sunarak sorularıma başlamak istiyorum.
Opamp kullanarak bazı yükseltici devreler yaptım. Ancak ısınma sorunu çok fazla oluyor. Bu nedenle transistör yada mosfet kullanarak amfi yapmak istiyorum. Sesin kaliteli olması gerekiyor. Küçük konserler için kullanılacaktır. İlk sorum şu: Amfiler hakkında detaylı bilgi almam için kaynak, kitap, video, ders var mıdır? Anahtarlamalar nasıl yapılır filtrelemeler nasıl ayarlanmalıdır? Kondansatör bobin değerleri ne olmalıdır? Bunları öğreneceğim sağlam bir kaynak bulamadım doğrusu. İkinci sorum: 30-40w sadece transistör yada mosfetli amfi yeterli olacaktır. Elinde bunun devresi olan var mı aramızda? Isis Ares çizimlerine ihtiyacım yok sadece şema olsun yeterli. Denenmiş olursa tercihim. Besleme için kaç watt trafo gerekiyor? Son olarak internette çok sık karşılaşılan bir ekolayzer devresi yapmıştım. Çalıştıramadım. Devreyi yüklüyorum bilen vardır diye düşünüyorum. Yardımcı olabilirseniz çok sevinirim.

transistorlu-ekolayzir-devresi-equalizer-sema.jpg


Merhaba, öncelikle hoşgeldiniz. Ses devreleriyle uğraşmak güzel bir uğraştır ve bilginiz arttıkça daha fazla şeyler yapmak istersiniz. Elektronik bilginiz ne derecede bilemiyorum ama kaliteli bir anfi yapmak istiyorsanız naçizane tavsiyem olarak mutlaka LM3875 (veya LM3886) Gainclone ile başlamalısınız. İyi bir besleme yaparsanız LM3875'ten çok iyi nticeler alırsınız. Böylelikle daha çok güç kaynağına konsantre olup bu konuda kendinizi geliştirip aşama olarak başka tasarımlar üzerine gidebilirsiniz. Anfi beslemelerinin nasıl dizayn edildiğini, trafo, köprü-diyot (doğrultucu), kapasitör bağlantılarının nasıl yapıldığını ve besleme katındaki bu elemanların görevlerinin ne olduğunu öğrenirseniz çok iyi bir başlangıç yapmış olursunuz.

Ben devre şeması olarak LM3875 arattığınızda ve forumda diğer arkadaşların yaptığınız örneklerden esinlenebilirsiniz. Datasheet belgesine göz atmanızı da tavsiye ederim.

Aşağıda hazır kit olarak satılan mono blok var ama çip dahil değilmiş. Buna rağmen fiyat gayet uygun ve kaliteli duruyor.
http://www.aliexpress.com/item/GainCard ... 15204.html

Bu da stereo versiyonu:
http://www.aliexpress.com/item/GAINCLON ... 49595.html

Ekolayzer devresi ile ilgili olarak: hangi opamp kullandınız? dual mı mono mu? opampın besleme (+-15V) bağlantılarını datasheet'a bakarak yaptınız mı? Çünkü şemaya göre hangi bacağa nasıl bağlantı yapacağınızı kestiremezsiniz. Bilgi düzeyinizi bilmediğim için bu tür sorular sormak zorundayım.

Güç kaynakları ile ilgili:
http://sound.westhost.com/power-supplies.htm
http://www.tnt-audio.com/clinica/ssps1_e.html
Kullanıcı avatarı
resho
DIY Audio Fanatiği
 
İleti: 148
Kayıt: 23 Mar 2007, 10:28
Konum: Ankara

Ynt: 30-40w gitar amfisi yardım

Okunmamış iletigönderen birgitay » 28 Arl 2014, 00:32

Bu işe ben uzun zamandır emek sarfettim. Maalesef kimseye anlatamadım , Lamba'lı Pedallar vede Distortion'lar yaptım .... Gitarcı'ların dibi düştü ama maalesef paraya gelince hepsi fakir.... Ve nasıl oluyorda iyi bir Elektrogitar'a çok yüksek para veriyorlarsa , bu işede öyle para harcamak zorundalar.... İstersen hiç uğraşma Xlr çıkışlı Lamba girişli bir Cihaz verebilirim .... Bu Preamp'tır vede bunun önüne Pedallarını girip bu cihazıda Mixer'e girip kabin amplifikatör tonunu alırsın , hemde lambalı ....
Eklentiler
1526797_274370152717266_332191079_n.jpg
1545839_274370126050602_1593998587_n.jpg
En son birgitay tarafından, 28 Arl 2014, 00:36 tarihinde değiştirildi, toplamda 1 değişiklik yapıldı.
Facebook Elektronik üzerine sayfam : https://www.facebook.com/groups/1216358921722507/
birgitay
DIY Audio Gurusu
 
İleti: 896
Kayıt: 04 Nis 2012, 22:16
İl: Kocaeli
Meslek: Elektronik

Ynt: 30-40w gitar amfisi yardım

Okunmamış iletigönderen birgitay » 28 Arl 2014, 00:33

Her Amplifikatör Gitar Preamp'ı vede Amplifkatör'ü olmaz ayrıca. Hepsi sınıf sınıftır....
Facebook Elektronik üzerine sayfam : https://www.facebook.com/groups/1216358921722507/
birgitay
DIY Audio Gurusu
 
İleti: 896
Kayıt: 04 Nis 2012, 22:16
İl: Kocaeli
Meslek: Elektronik

Ynt: 30-40w gitar amfisi yardım

Okunmamış iletigönderen birgitay » 28 Arl 2014, 01:50

Bu var iyi bir Amplifkatör'e benziyor..... Pcb çizer yaparsın ama tad alamayacağından emin olabilirsin. Hoparlör kalite olmak zorunda.
Eklentiler
2wn5vs0.jpg
34ye5g0.jpg
MINI-STRONG-ESQUEMA.jpg
Facebook Elektronik üzerine sayfam : https://www.facebook.com/groups/1216358921722507/
birgitay
DIY Audio Gurusu
 
İleti: 896
Kayıt: 04 Nis 2012, 22:16
İl: Kocaeli
Meslek: Elektronik

Ynt: 30-40w gitar amfisi yardım

Okunmamış iletigönderen zunda » 28 Arl 2014, 15:34

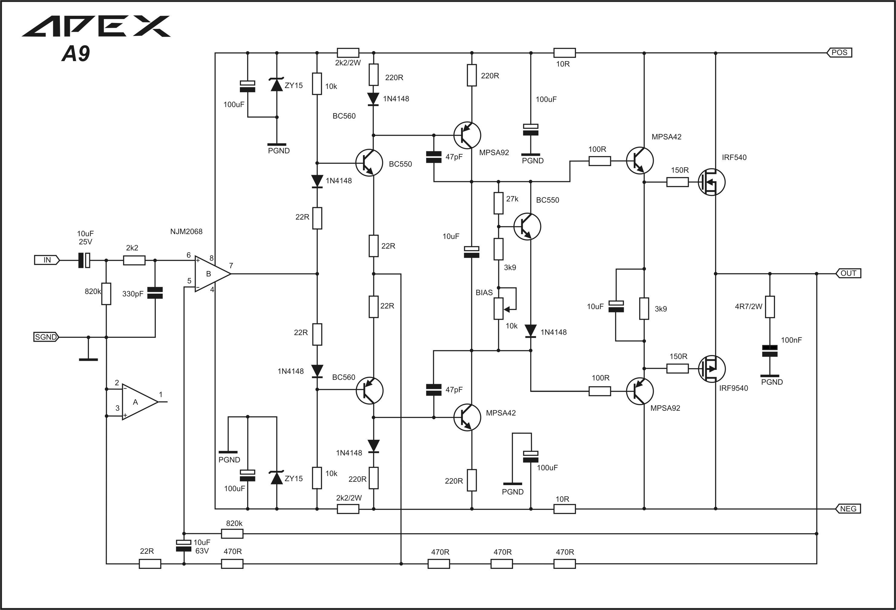
nedendir bilmiyorum ama uzun zamandır lehim dumanı koklamak istiyorum ve ekledigim apex a 9 ampliyi yapmak için dayanılmaz bir istek duyuyorum daha öncede apex sr 50 devreyi yapmıştım çok hoş sesi vardı bununda sesi hakkında güzel yorumlar var forumunda maliyette düşük 50 wrms ve simetrik 40 vdc beslemeli elimde dual cv1280 den çıkma 280 watt maksimum 2*33vac toroid var bakalım belki kurarım birgün tereddütsüz uygulanabilir devredir
Eklentiler
Apex A9 v1.03.lay6 Copper.pdf
(176.78 KiB) 471 defa indirildi
Apex A9 v1.03 Top View.pdf
(84.47 KiB) 367 defa indirildi
Kullanıcı avatarı
zunda
DIY Audio Gurusu
 
İleti: 328
Kayıt: 28 Ekm 2010, 19:55
İl: kütahya
Meslek: revizör.

Reklamlar

Ynt: 30-40w gitar amfisi yardım

Okunmamış iletigönderen birgitay » 28 Arl 2014, 16:17

Zunda arkadaşın Amplifikatör'ünde Lm4562 entegresi Preamp olarak kullanılmış. Zaten sesin kalitesi oradan geliyor. Datasheetlerine bakınca ne demek istediğimi anlarsınız.... Ancak Çıkış Transistörler'i Empedans bakımından yüksek olduğu için ''Gitar Amplifkatör modellemesinde'' oldukça yer kazanacaktır.... Ancak Mosfet'li Çıkış Transistörler'in çıkışında Mutlaka Çıkış transformatör'ü kullanma taraftarıyım. Çünkü , Hoparlör Empedans'ı 4-8 ohm'de asla tam anlamı ile bütün detayları duyamayacağımız için bir nevi Converter görevi görecektir.... Çıkış Transformatör'ünü saracak bir yer bulmakta oldukça zor iş :)
Facebook Elektronik üzerine sayfam : https://www.facebook.com/groups/1216358921722507/
birgitay
DIY Audio Gurusu
 
İleti: 896
Kayıt: 04 Nis 2012, 22:16
İl: Kocaeli
Meslek: Elektronik

Ynt: 30-40w gitar amfisi yardım

Okunmamış iletigönderen Kapibara » 28 Arl 2014, 17:01

Apex A9 un teknik verileri mevcut mu?
Kullanıcı avatarı
Kapibara
DIY Audio Gurusu
 
İleti: 435
Kayıt: 22 Şub 2007, 03:05
İl: Sakarya

Ynt: 30-40w gitar amfisi yardım

Okunmamış iletigönderen zunda » 28 Arl 2014, 21:04

APEX A9sch.JPG
Kapibara yazdı:Apex A9 un teknik verileri mevcut mu?
açık şema ve devre hakkında olumlu bir çok yorum var kapibara http://www.diyaudio.com/forums/solid-st ... r-358.html
Kullanıcı avatarı
zunda
DIY Audio Gurusu
 
İleti: 328
Kayıt: 28 Ekm 2010, 19:55
İl: kütahya
Meslek: revizör.

Ynt: 30-40w gitar amfisi yardım

Okunmamış iletigönderen Kapibara » 28 Arl 2014, 22:30

Arşive alalım bulunsun. Bir gün yaparız bellimi olur.
NJM 2068 de BlueMavi nin listesinde varmış hayret.
Kullanıcı avatarı
Kapibara
DIY Audio Gurusu
 
İleti: 435
Kayıt: 22 Şub 2007, 03:05
İl: Sakarya

Sonraki

Transistör/MOSFET Güç Yükselteçleri


 


  • Bu konular da ilginizi çekebilir:
    Cevaplar
    Gösterim
    Son ileti

Kimler çevrimiçi

Bu forumu görüntüleyenler: Google [Bot] ve 1 misafir