100w

Transistör/MOSFET Güç Yükselteçleri » Transistörlü ve MOSFET'li (solid state) ses yükselteçleri ile alakalı soru(n)lar

100w

Okunmamış iletigönderen Amatör » 01 Arl 2011, 22:23

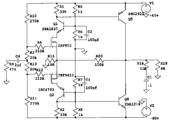
Arkadaşlar ,elimde bulunan 2x24 300w volt trafoyu değerlendirmek için şema ararken,arşivime bir zamanlar eklediğim bu devre gözüme çarptı. Elimdeki trafo ile çıkış gücü muhtemelen yarıya inecektir.Okadarı da bana yeterli gelir.Geri beslemede kondansatör kullanılmayan bir çıkış katı daha önce hiç yapmadım.Bias ayarı da yok devrenin.Simetrik bir yapı olduğundan birebir eşleme gerekli herhalde.Çıkış transistörleri olarak elimde bulunan mjl21193-94 leri kullanmayı düşünüyorum.
Çıkış yerine girişte fet kullanılmasıda ayrıca ilgimi çekti.
Ne dersiniz bu basit yapıdan uygulamaya değecek kalitede ses alabilirmiyim? Yoksa uğraşmaya değmez mi?Görüşlerinizi belirtirseniz çok sevinirim.
Selamlar
100W_2SC2922_2SA1216.jpg
100W_2SC2922_2SA1216.jpg (27.36 KiB) 1730 defa görüntülendi
Amatör
DIY Audio Gurusu
 
İleti: 775
Kayıt: 07 Eyl 2009, 19:15
İl: Zonguldak


Ynt: 100w

Okunmamış iletigönderen hamist » 02 Arl 2011, 02:05

Amatör yazdı:Arkadaşlar ,elimde bulunan 2x24 300w volt trafoyu değerlendirmek için şema ararken,arşivime bir zamanlar eklediğim bu devre gözüme çarptı. Elimdeki trafo ile çıkış gücü muhtemelen yarıya inecektir.Okadarı da bana yeterli gelir.Geri beslemede kondansatör kullanılmayan bir çıkış katı daha önce hiç yapmadım.Bias ayarı da yok devrenin.Simetrik bir yapı olduğundan birebir eşleme gerekli herhalde.Çıkış transistörleri olarak elimde bulunan mjl21193-94 leri kullanmayı düşünüyorum.
Çıkış yerine girişte fet kullanılmasıda ayrıca ilgimi çekti.
Ne dersiniz bu basit yapıdan uygulamaya değecek kalitede ses alabilirmiyim? Yoksa uğraşmaya değmez mi?Görüşlerinizi belirtirseniz çok sevinirim.
Selamlar


Bias ı olmayan amplifikatör olmaz.
Bias için bir ayar konmamış olabilir,
bu demek değildir ki bias yok.
Bu devrede, girişteki mosfetler, onların akım yolundaki transistorler
ve tüm dirençler bias ın bir parçası.
Bunlardaki farklılıklar oranında bias ihtiyacı olabilir,
ya da olmaz.

DC fb hattındaki 100 ohm direncin kaç watt olacağını düşündünüz mü?
30W civarında olacak.
Eğer elektronik konusuna hakim iseniz, bu devreyi kurup denersiniz,
ama yeterli birkiminiz yoksa önermem.
Evet, devre basit gözüküyor,
ancak bana fazla basit gözüktü.
Denenmiş midir, denenmiş ise ne sonuç alınmıştır,
böyle verileri olmayan devrelerin peşine düşmek macera aramaktır
bende.
Denemek isterseniz bol miktarda çıkış transistörüne ihtiyacınız olabileceğini
de düşünmelisiniz.
Ben şahsen denemezdim.

24V trafo ile elde edeceğiniz 33V ile bu devreyi çalıştırmak
için devrede bir hayli çalışma gerekir.

Kolay gelsin selamlar...
Tüketimleri ile ünlü ülkelerin tarihlerini üreten ülkeler yazar.
hamist
DIY Audio Gurusu
 
İleti: 1401
Kayıt: 24 Mar 2011, 23:45
İl: istanbul
Meslek: endüstriel elektronik

Ynt: 100w

Okunmamış iletigönderen dhan000 » 02 Arl 2011, 02:22

hocam 100ohm direncin olması gereken gücü nasıl hesapladığınızı öğrenebilirmiyim...
teşekkürler...
dhan000
DIY Audio Fanatiği
 
İleti: 106
Kayıt: 28 Ekm 2008, 13:21
İl: adana

Ynt: 100w

Okunmamış iletigönderen zunda » 02 Arl 2011, 02:38

http://videorockola.com/ amaç vakit geçirmekse burada ucuza kaliteli devreler var 4*2sc 5200 le kurulu devreyi denedim sonuç mükemmele yakın ve tüm verileri site üzerinde alabilirsin.
Kullanıcı avatarı
zunda
DIY Audio Gurusu
 
İleti: 328
Kayıt: 28 Ekm 2010, 19:55
İl: kütahya
Meslek: revizör.

Ynt: 100w

Okunmamış iletigönderen hamist » 02 Arl 2011, 13:50

dhan000 yazdı:hocam 100ohm direncin olması gereken gücü nasıl hesapladığınızı öğrenebilirmiyim...
teşekkürler...


Besleme voltajı 60V olduğuna göre bu durumda çıkışa max 60V ulaşacak demektir.
100 ohm direnç buradan 10 ohm bir direncin fB kazancı etkisi ile sıfıra dönüyor.
Bu arada 10 Ohm direnç de 3W olacak.
Güç almaya başladığımızda çıkış voltajının tamamı bu 100 ve 10 ohm dirençleri
kullanmaya başlayacak.

Ve 100 ohm direnç üzerinden 0.5-0.6A gibi akımlar akacak
kullandığımız güç ile orantılı olarak.
0.5A kabul etsek, 60V max voltajımız,
ohm kanunu derki;
W=V.I
60x0.5=30W
Tüketimleri ile ünlü ülkelerin tarihlerini üreten ülkeler yazar.
hamist
DIY Audio Gurusu
 
İleti: 1401
Kayıt: 24 Mar 2011, 23:45
İl: istanbul
Meslek: endüstriel elektronik

Ynt: 100w

Okunmamış iletigönderen Amatör » 02 Arl 2011, 14:04

hamist yazdı:Bias ı olmayan amplifikatör olmaz.
Bias için bir ayar konmamış olabilir,
bu demek değildir ki bias yok.
Bu devrede, girişteki mosfetler, onların akım yolundaki transistorler
ve tüm dirençler bias ın bir parçası.
Bunlardaki farklılıklar oranında bias ihtiyacı olabilir,
ya da olmaz.

DC fb hattındaki 100 ohm direncin kaç watt olacağını düşündünüz mü?
30W civarında olacak.
Eğer elektronik konusuna hakim iseniz, bu devreyi kurup denersiniz,
ama yeterli birkiminiz yoksa önermem.
Evet, devre basit gözüküyor,
ancak bana fazla basit gözüktü.
Denenmiş midir, denenmiş ise ne sonuç alınmıştır,
böyle verileri olmayan devrelerin peşine düşmek macera aramaktır
bende.
Denemek isterseniz bol miktarda çıkış transistörüne ihtiyacınız olabileceğini
de düşünmelisiniz.
Ben şahsen denemezdim.

24V trafo ile elde edeceğiniz 33V ile bu devreyi çalıştırmak
için devrede bir hayli çalışma gerekir.

Kolay gelsin selamlar...

Anlaşılan oldukça riskli bir devre.
Yapının basit olması ,girişlerde fet kullanılması ve geribeslemede kondansatör kullanılmaması baya ilgimi çekmişti.Aslında basit yapılı devrelerin çalıştırılma zorluğunu ras32 de tecrübe etmiştim.Bu şemayı rafa kaldırmak en doğrusu herhalde.Elimdeki mjl21193-94 leri değerlendirmek için başka bir devre daha buldum.En iyisi onun üstünde yoğunlaşayım.
Teşekkür ederim

zunda yazdı:http://videorockola.com/ amaç vakit geçirmekse burada ucuza kaliteli devreler var 4*2sc 5200 le kurulu devreyi denedim sonuç mükemmele yakın ve tüm verileri site üzerinde alabilirsin.


İlginiz için teşekkür ederim
Selamlar
Amatör
DIY Audio Gurusu
 
İleti: 775
Kayıt: 07 Eyl 2009, 19:15
İl: Zonguldak

Reklamlar

Ynt: 100w

Okunmamış iletigönderen hamist » 02 Arl 2011, 14:11

Amatör yazdı:
hamist yazdı:Bias ı olmayan amplifikatör olmaz.
Bias için bir ayar konmamış olabilir,
bu demek değildir ki bias yok.
Bu devrede, girişteki mosfetler, onların akım yolundaki transistorler
ve tüm dirençler bias ın bir parçası.
Bunlardaki farklılıklar oranında bias ihtiyacı olabilir,
ya da olmaz.

DC fb hattındaki 100 ohm direncin kaç watt olacağını düşündünüz mü?
30W civarında olacak.
Eğer elektronik konusuna hakim iseniz, bu devreyi kurup denersiniz,
ama yeterli birkiminiz yoksa önermem.
Evet, devre basit gözüküyor,
ancak bana fazla basit gözüktü.
Denenmiş midir, denenmiş ise ne sonuç alınmıştır,
böyle verileri olmayan devrelerin peşine düşmek macera aramaktır
bende.
Denemek isterseniz bol miktarda çıkış transistörüne ihtiyacınız olabileceğini
de düşünmelisiniz.
Ben şahsen denemezdim.

24V trafo ile elde edeceğiniz 33V ile bu devreyi çalıştırmak
için devrede bir hayli çalışma gerekir.

Kolay gelsin selamlar...

Anlaşılan oldukça riskli bir devre.
Yapının basit olması ,girişlerde fet kullanılması ve geribeslemede kondansatör kullanılmaması baya ilgimi çekmişti.Aslında basit yapılı devrelerin çalıştırılma zorluğunu ras32 de tecrübe etmiştim.Bu şemayı rafa kaldırmak en doğrusu herhalde.Elimdeki mjl21193-94 leri değerlendirmek için başka bir devre daha buldum.En iyisi onun üstünde yoğunlaşayım.
Teşekkür ederim

zunda yazdı:http://videorockola.com/ amaç vakit geçirmekse burada ucuza kaliteli devreler var 4*2sc 5200 le kurulu devreyi denedim sonuç mükemmele yakın ve tüm verileri site üzerinde alabilirsin.


İlginiz için teşekkür ederim
Selamlar


Geri besleme kondansatörlerine fazla takılmayın,
zira orada kullanılan bir kaç pf kondansatörler mak frekans eğrisini düzeltmek içindir,
yoksa çalışılacak frekans bandını etkilemezler.
Tabii hesapsız kullanılmış olanlar hariç.
Bir de geri besleme hattından sıfıra giden bir kaç yüz uF lık kondasatörler vardır,
bunlar sukunet durumunda bias rahatlığı sağlarlar bazı devrelerde.

Eğer kendimiz geliştiremiyorsak
denenmiş ve ölçümleri yapılmış devreleri tercih etmeliyiz.

Bir de, girişlerde güç transistörü kullanma mantığını ben kabul edemiyorum,
girişte, giriş devreleri için üretilmiş transistorler kullanmaktan yanayım ben.

Kolay gelsin selamlar...
Tüketimleri ile ünlü ülkelerin tarihlerini üreten ülkeler yazar.
hamist
DIY Audio Gurusu
 
İleti: 1401
Kayıt: 24 Mar 2011, 23:45
İl: istanbul
Meslek: endüstriel elektronik

Ynt: 100w

Okunmamış iletigönderen Icarus » 02 Arl 2011, 18:21

hamist yazdı:Bir de, girişlerde güç transistörü kullanma mantığını ben kabul edemiyorum,
girişte, giriş devreleri için üretilmiş transistorler kullanmaktan yanayım ben.

Çok haklısınız.
Böyle çok fazla devre var, sanırım sebeb elektronik öğrencilerinin "yarım teori" ile gerçek teoriyi ayırt edememeleri.
Mesela
http://upload.wikimedia.org/wikipedia/c ... lifier.png
Bu tip girişi olan yüzlerce audio amp var. Evet teoride şema böyle ama gerçekte çalışması için current mirror'larla dengelenmesi, sıcaklık değişimine karşı kendi kendini ayarlaması gerekiyor.
İlla IC kullanmamak demek Hi-Fi demek değil.
Kullanıcı avatarı
Icarus
Yeni Üye
 
İleti: 39
Kayıt: 18 Ağu 2011, 12:48
İl: İstanbul
Meslek: Fizikçi

Ynt: 100w

Okunmamış iletigönderen hamist » 02 Arl 2011, 20:04

Icarus yazdı:
hamist yazdı:Bir de, girişlerde güç transistörü kullanma mantığını ben kabul edemiyorum,
girişte, giriş devreleri için üretilmiş transistorler kullanmaktan yanayım ben.

Çok haklısınız.
Böyle çok fazla devre var, sanırım sebeb elektronik öğrencilerinin "yarım teori" ile gerçek teoriyi ayırt edememeleri.
Mesela
http://upload.wikimedia.org/wikipedia/c ... lifier.png
Bu tip girişi olan yüzlerce audio amp var. Evet teoride şema böyle ama gerçekte çalışması için current mirror'larla dengelenmesi, sıcaklık değişimine karşı kendi kendini ayarlaması gerekiyor.
İlla IC kullanmamak demek Hi-Fi demek değil.


IC kullanarak tasarlanmış paralel mosfet çıkışlı bir Hi Fi SE çalışmam bitme aşamasına çok yakın.
Umarım olası sorunları aşıp bu konuda farklı bir devre sunabilme başarısını gösteririm.

Selamlar...
Tüketimleri ile ünlü ülkelerin tarihlerini üreten ülkeler yazar.
hamist
DIY Audio Gurusu
 
İleti: 1401
Kayıt: 24 Mar 2011, 23:45
İl: istanbul
Meslek: endüstriel elektronik


Transistör/MOSFET Güç Yükselteçleri


 


  • Bu konular da ilginizi çekebilir:
    Cevaplar
    Gösterim
    Son ileti
  • Nİco Ras 100W...
    1 ... 5, 6, 7Eklenti(ler) gönderen tiger41 » 28 May 2010, 22:41
    69 Cevaplar
    10125 Gösterim
    Son ileti gönderen tamircihasan Son iletiyi göster
    16 Eyl 2013, 00:04
  • 100W rms Hi-Fi Class ab
    1, 2, 3Eklenti(ler) gönderen hamist » 11 Mar 2013, 19:02
    23 Cevaplar
    4088 Gösterim
    Son ileti gönderen hamist Son iletiyi göster
    30 Mar 2013, 22:59
  • 100W AAB MOSFET Projesi!
    1, 2gönderen Nico Ras » 05 Şub 2007, 11:35
    19 Cevaplar
    7441 Gösterim
    Son ileti gönderen elektrotman Son iletiyi göster
    05 Ekm 2007, 20:39
  • apex 100w amplifier
    1, 2, 3Eklenti(ler) gönderen chf » 28 Haz 2013, 10:52
    23 Cevaplar
    4412 Gösterim
    Son ileti gönderen chf Son iletiyi göster
    22 Mar 2014, 10:06
  • 100W darlington amfi,ilk pcb çalışmam.
    gönderen maystor » 21 Mar 2008, 16:29
    6 Cevaplar
    2962 Gösterim
    Son ileti gönderen hamist Son iletiyi göster
    14 Kas 2012, 11:59

Kimler çevrimiçi

Bu forumu görüntüleyenler: Google [Bot] ve 1 misafir