drhardware yazdı:Gerçi layout epey karışık oldu lakin yapılacak başka bişi yok! Bu arada umarım GBU köprülerden bulabilirsiniz, KBU lara göre daha ince ve daha yeni teknoloji olduklarından yeni dizaynlarımda GBU tercih ediyorum. Bacak aralıkları KBU ile aynı ama kalınlığından dolayı KBU ları sığdıramazsınız oraya..
Bi zahmet bi daa inceleyiverin de bi yanlışlık olmasın layoutta..

the_cantan yazdı:Tam benim de aklımdan geçen lamba ile kon. arasına soğutucu levaha koymak ki öyle yapacağım.
hay hay Dr. 8x8 e fitim.
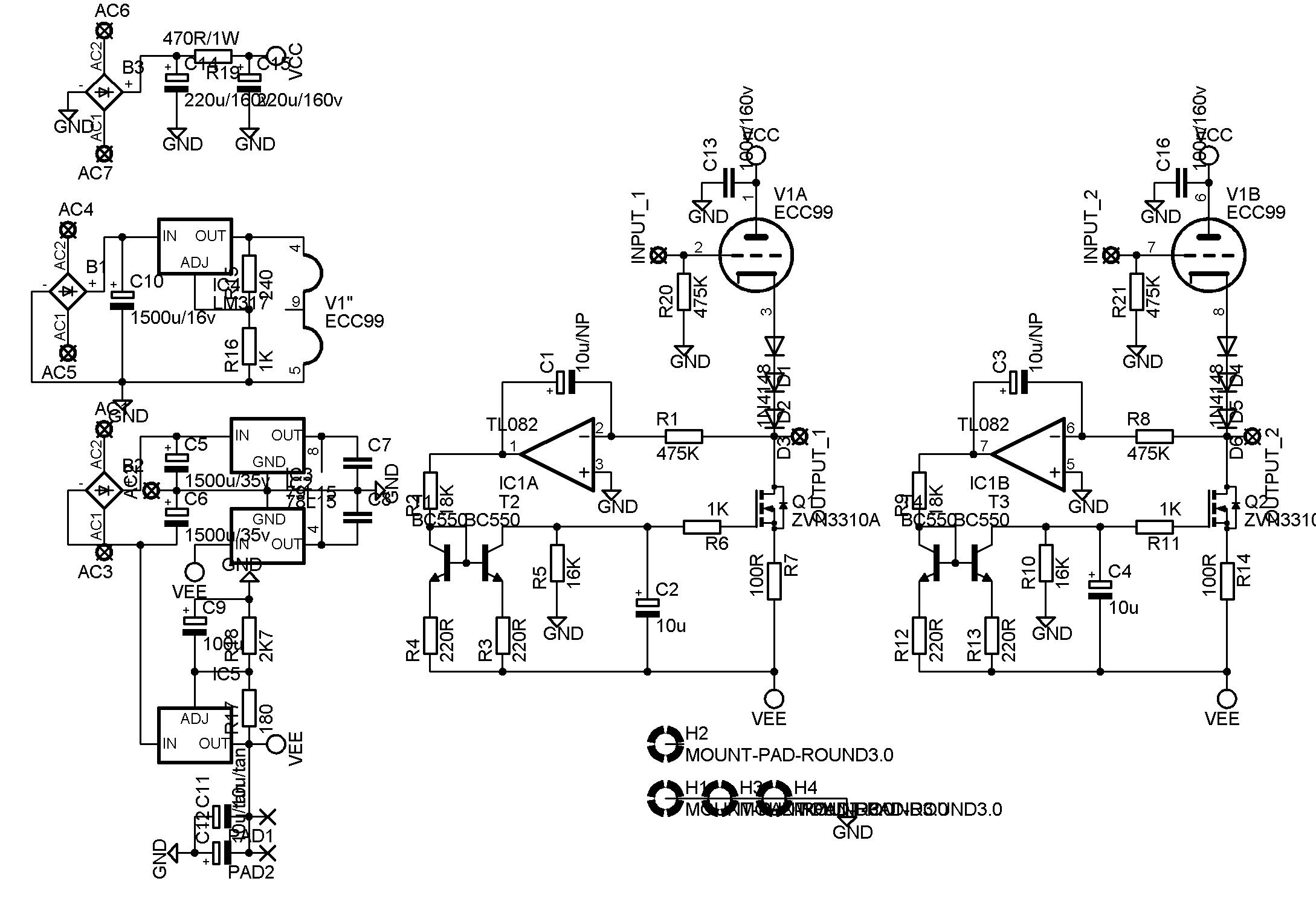
drhardware yazdı:Son durum;Şema...
PCB nin son hali..
Kim basacak?
Bu forumu görüntüleyenler: Google [Bot] ve 0 misafir