krell ksa 50 için pcb tasarımım

Transistör/MOSFET Güç Yükselteçleri » Transistörlü ve MOSFET'li (solid state) ses yükselteçleri ile alakalı soru(n)lar

krell ksa 50 için pcb tasarımım

Okunmamış iletigönderen 400kg » 01 Oca 2013, 20:29

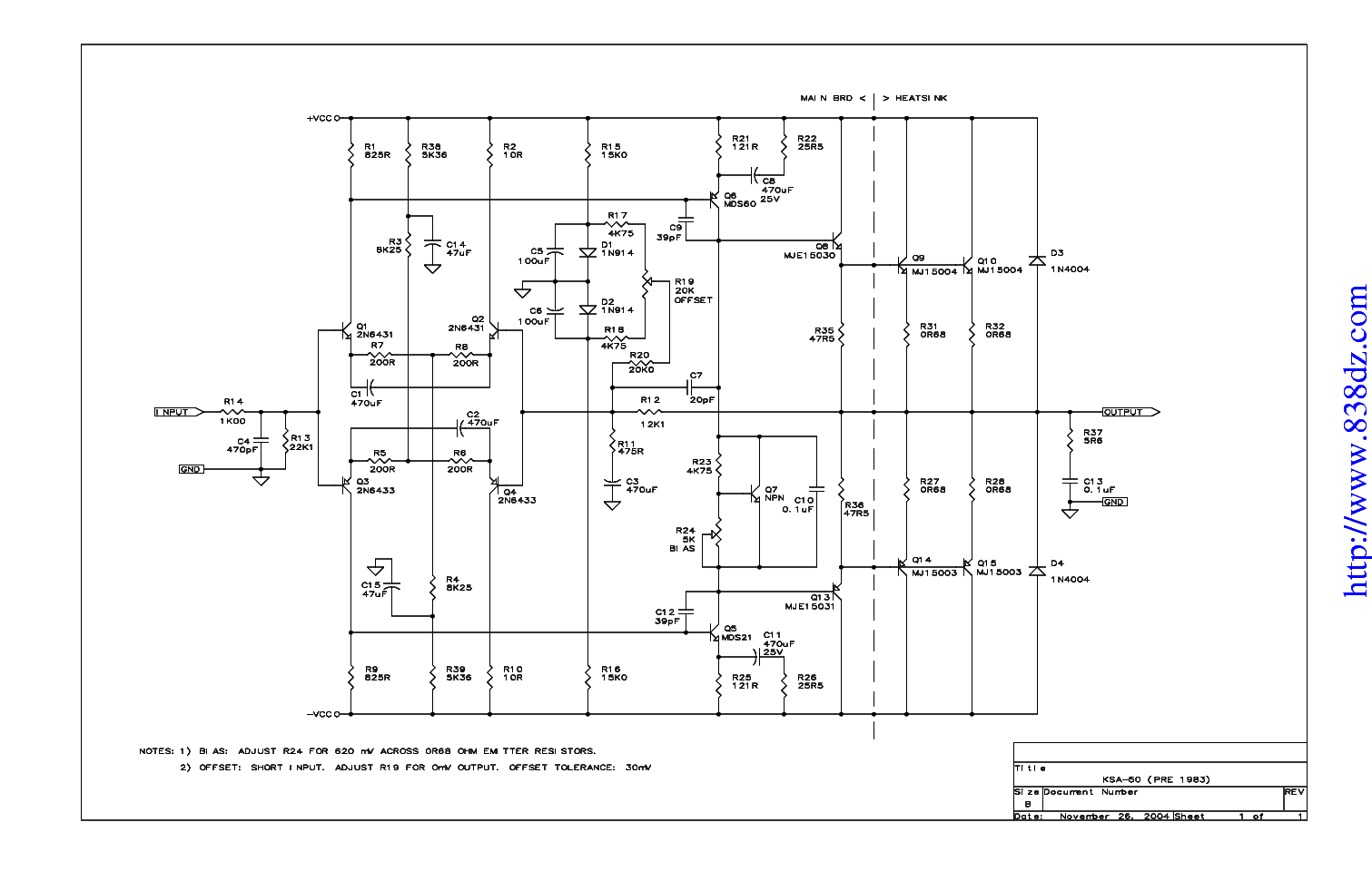
krell_ksa50_sch.pdf_1 - Kopya.png
görünüm
krell_ksa50_sch.pdf_1 - Kopya.png (77.74 KiB) 1258 defa görüntülendi

krell_ksa50_sch.pdf_1.png
şema


krell ksa50 için böyle bir pcb yapmayı düşünüyorum .
çıkışta 4 tane metal transistör kullanacağım ,transistörler pcb den ayrı olacak .
daha önce ksa 100 ü uzay montaj olarak kurmuştum o simetrik 47 voltla çalışıyor benim trafom yüke girince simetrik 47 den 43 e düşüyor . buı yüzden pcb yi ksa 50 ye göre yaptım. krell ksa 50 ve ksa 100 ün nin trafosu ac olarak kaç volt olması gerekiyor bilen var mı ?

KSA50 PCB.rar
dosyalar
(177.18 KiB) 436 defa indirildi
400kg
DIY Audio Takipçisi
 
İleti: 52
Kayıt: 26 Ağu 2012, 15:12
İl: sivas
Meslek: esnaf-öğrenci-sporcu


Ynt: krell ksa 50 için pcb tasarımım

Okunmamış iletigönderen hamist » 01 Oca 2013, 20:56

Bu kurgudaki devreleri, eğer devre üzerinde bir değer kasıtlı ya da kasıtsız hatalı yazılmadı ise,
her arkadaşa önerebilirim.
Ancak benim kişisel tercihim çıkışların mosfet olmasından yana,
bu devreyi yapacak olsam çıkışları bir kaç watt kaybı göze olarak mosfete göre düzenlerdim.

Keşke N/Pch. complementer JFet bulunabilse de, girişleri de
fet yapabilsek.
Ayrıca, bir kaç devrede gördüğüm giriş devresinin emiterlerindeki o 470u-1000u
gibi kondansatorlerin kullanılması teknik olarak hoşuma gitmiyor.
Zira orada eşit voltaj olması gereği nedeni ile kutupların doğru yönde olması
sorunu bir yana, bu kondansatorlerin üst frekanslarda sorun yaratma ihtimali de
yüksek.
Ben o kısımda en fazla 1u multilayer kond. kullanırım.
Ki orada zaten alt frekans düzenlemesi gerekmez,
sadece response time ve slew rate için üst frekans kazancı destek ister.
Ha denebilirki, sen Krell mühendislerinden daha mı iyi bileceksin.
O zaman da eyvallah derim.

Trafo konusuna gelindiğinde.
Trafomuzun gücüne bağlı olarak değişen sekonder ve primer tel dirençleri,
yük altındaki voltajı kesin bir noktada tutmamızı engeller.
Mesela 400W trafo ile 35VAC yeterli olabilek iken,
300W bir trafo kullandığımızda 36VAC olması gerekebilir.
Tahmin ediyorumki 2x36VAC 47VDC için yeterli olacaktır.
Kaldı ki, buradaki benzer -/+ voltaj sapmaları bu gibi kurgular tarafından
kolaylıkla kompanze edileceğinden max. güçte bir kaç watt güç sapmaları dışında sorun yaratmayacaktır.

Başarılar
Tüketimleri ile ünlü ülkelerin tarihlerini üreten ülkeler yazar.
hamist
DIY Audio Gurusu
 
İleti: 1401
Kayıt: 24 Mar 2011, 23:45
İl: istanbul
Meslek: endüstriel elektronik

Ynt: krell ksa 50 için pcb tasarımım

Okunmamış iletigönderen 400kg » 01 Oca 2013, 21:25

Hocam devrede hata yok şemayı doğru vermişler . daha önce ksa 100 versiyonu nu uzay montaj olarak yaptım çok iyi beğendim 80 vus slew ratesi var katoloğunda öyle yazıyo.
Mosfet kullanma konusuna gelince de direk 2sk1058 ve j162 takınca class ab olarak kullanabiliyoruz. (driver kısmını kullanmadan gatelere 330 ohm ve emiterlere 0.22 ohm takınca ).
Fakat iş class a olunca mosfetler iş görmüyo bu amfide . çünki 47 volt besleme var ve 900ma bias var bu da demektirki çıkış transistörlerinin tanesi boşta iken 50w çekecek
bize çok güçlü transistörler gerekiyor yani. audio mos olarak 150w yı geçen mos yok. ama mj15003 250w ve pnp si de var 200 santigrat dereceye kadar dayanmasıda bu iş için biçilmiş kaftan olmasını sağlıyor. Plastik bjt transistörler de pek uygun değil çünki 150 santigrata kadar çalışabiliyorlar . eğer yeterince büyük bir soğutucunuz yoksa 100 santigrattan aşşagı düşmez ısı bu amfide ki krell ksa 100 45 kg bir amfi ve fan kullanıyorlar.

Girişte j fet kullanmanın espirisi kondansatörleri kaldırmaksa krell in girişte kondansatör zaten yok geri besleme de 470uf var j fet giriş olsa 470 uf da kaldırılabilir fakat frekans sınırlaması olmayacağından ses çok flat oluyor basslar ölüyor, f5 de fazla bass alamazlar mesala (yada hoparlörler de sinyaller birbirini kesiyor )

trafomda dediğiiniz gibi 36-0-36 volt 600w doğrultunca 47 oluyor. ama krelle takınca 900ma biasla (tek çift çıkış) 43 e düşüyor biraz daha yüksek olmalı krellin trafo voltajı.
Bu çok önemli değil de krell de ltp katında akım aynası yok voltaj düşünce vas akımı da düşüyor bu nedenle.

bende bu yüzden ksa 50 de karar kıldım
simulasyonlarda ksa100 ,50 den biraz daha kaliteli görünüyor yüzlerce amfi simule ettim kare dalgayı en iyi veren amfiler arasında

yaptığım ksa 100 ün şemasını da vereyim bu arada

krell-ksa100.jpg
400kg
DIY Audio Takipçisi
 
İleti: 52
Kayıt: 26 Ağu 2012, 15:12
İl: sivas
Meslek: esnaf-öğrenci-sporcu

Ynt: krell ksa 50 için pcb tasarımım

Okunmamış iletigönderen hamist » 01 Oca 2013, 21:43

Audio mosfet olması güç için şart değil düşüncesindeyim.
Subwoofer için 130W rms için IRF140-IRF9140 kullandım
hala patlamadı. :)
Ayrıca mosfetleri paralel yapmak da oldukça başarılı sonuçlar veriyor.
Israrla üzerinde duruyorum, bu mosfetlerin sürücü devresi önemli,
bu önem bjt transistorler için de geçerli aslında.
Mosfetlerin gate lerine 330 ohm en çok yapılan hatalardan biri,
bu nedenle detaylar kaybediliyor.
Ben bu dirençlere paralel, bir 470n+22ohm seri direnç kullanıyorum.
Akdi halde yüksek slew rate değerleri mümkün olamıyor,
tabii bu mosfetlerin sürücü devresinin de hızları düşünülmeli.

Tabii bu voltajlarda a class akım nedeni ile ciddi sorun yaratır.

Girişte JFet giriş kond. kaldırmak için değil,
fetler giriş bölgelerinde bjt den daha az sorun yaratıyor,
noise ve thd değerleri açısından.
Tabii o zaman devrenin kurgusu da fetlere göre gelişiyor.

Söylerdiğim 470u (C1-C2), dif. bağlı giriş transistorlerinin
emiter dirençleri arasında olanlar.
Tüketimleri ile ünlü ülkelerin tarihlerini üreten ülkeler yazar.
hamist
DIY Audio Gurusu
 
İleti: 1401
Kayıt: 24 Mar 2011, 23:45
İl: istanbul
Meslek: endüstriel elektronik

Ynt: krell ksa 50 için pcb tasarımım

Okunmamış iletigönderen hakan-imp » 02 Oca 2013, 22:33

Hamit Hocam Krell gibi puss pull class a amfilerde biası düşürdüğümüzde ses kalitesinden ödün vermiş olurmuyuz ?

Mesala 300 watt 2x35 ac bir trafoyla biası biraz düşürerek makul bir güç elde edeblliriz diye düşünüyorum ...

Böyle bir uygulama yaparsak krell şeması kullanılmış bir class b amfisimi yapmış oluruz ?









c
hakan-imp
DIY Audio Fanatiği
 
İleti: 128
Kayıt: 23 Mar 2011, 19:29
İl: Gaziantep

Ynt: krell ksa 50 için pcb tasarımım

Okunmamış iletigönderen hamist » 02 Oca 2013, 23:56

hakan-imp yazdı:Hamit Hocam Krell gibi puss pull class a amfilerde biası düşürdüğümüzde ses kalitesinden ödün vermiş olurmuyuz ?

Mesala 300 watt 2x35 ac bir trafoyla biası biraz düşürerek makul bir güç elde edeblliriz diye düşünüyorum ...

Böyle bir uygulama yaparsak krell şeması kullanılmış bir class b amfisimi yapmış oluruz ?


Bu devrede -/+47V a class için çok yüksek voltaj.
Burada oluşacak ısıl kayıpları doğal soğutma ile aşmayı düşündüğümüzde cihazı taşımak için
adam tutmamız gerekebilir.
Ya da altına bir soğutma sistemi yapmalıyız.

Öte yandan, neden a class ve neden yüksek güç?
Güç için b class, müzik için a class.
300W 2x35V trafo ile a class olmaz.
Elbette düşük bias b class demek olur,
ama bu demek değil ki b class kötüdür.

A class, ben müzik için varım... derken, yüksek güçler düşünmek
bana göre son derece gereksiz.
Ben -/+30V üstünü a class için gereksiz görüyorum,
ki bu da zaten 30-40W gibi bir güç demek aslında.

Ben bu devreyi yapmayı düşünmezdim,
bu gün daha iyi devreler mümkün.
Tüketimleri ile ünlü ülkelerin tarihlerini üreten ülkeler yazar.
hamist
DIY Audio Gurusu
 
İleti: 1401
Kayıt: 24 Mar 2011, 23:45
İl: istanbul
Meslek: endüstriel elektronik

Reklamlar

Ynt: krell ksa 50 için pcb tasarımım

Okunmamış iletigönderen hakan-imp » 03 Oca 2013, 00:15

hamist yazdı:
hakan-imp yazdı:Hamit Hocam Krell gibi puss pull class a amfilerde biası düşürdüğümüzde ses kalitesinden ödün vermiş olurmuyuz ?

Mesala 300 watt 2x35 ac bir trafoyla biası biraz düşürerek makul bir güç elde edeblliriz diye düşünüyorum ...

Böyle bir uygulama yaparsak krell şeması kullanılmış bir class b amfisimi yapmış oluruz ?


Bu devrede -/+47V a class için çok yüksek voltaj.
Burada oluşacak ısıl kayıpları doğal soğutma ile aşmayı düşündüğümüzde cihazı taşımak için
adam tutmamız gerekebilir.
Ya da altına bir soğutma sistemi yapmalıyız.

Öte yandan, neden a class ve neden yüksek güç?
Güç için b class, müzik için a class.
300W 2x35V trafo ile a class olmaz.
Elbette düşük bias b class demek olur,
ama bu demek değil ki b class kötüdür.

A class, ben müzik için varım... derken, yüksek güçler düşünmek
bana göre son derece gereksiz.
Ben -/+30V üstünü a class için gereksiz görüyorum,
ki bu da zaten 30-40W gibi bir güç demek aslında.

Ben bu devreyi yapmayı düşünmezdim,
bu gün daha iyi devreler mümkün.



Hocam bazı hoparlörleri sürmek için yüksek güçlere ihtiyaç duyabiliyoruz..... Benim düşük hassasiyetli kolon düşük güçlü bir amfiyle pek gitmiyor... ve bazen yüksek sesde müzik dinlemek hoş olabiliyor :)

Bu noktada bencede A class şart değil ..

İyi devre için sizi bekliyorum Hocam :)
hakan-imp
DIY Audio Fanatiği
 
İleti: 128
Kayıt: 23 Mar 2011, 19:29
İl: Gaziantep

Ynt: krell ksa 50 için pcb tasarımım

Okunmamış iletigönderen hamist » 03 Oca 2013, 00:21

hakan-imp yazdı:
hamist yazdı:
hakan-imp yazdı:Hamit Hocam Krell gibi puss pull class a amfilerde biası düşürdüğümüzde ses kalitesinden ödün vermiş olurmuyuz ?

Mesala 300 watt 2x35 ac bir trafoyla biası biraz düşürerek makul bir güç elde edeblliriz diye düşünüyorum ...

Böyle bir uygulama yaparsak krell şeması kullanılmış bir class b amfisimi yapmış oluruz ?


Bu devrede -/+47V a class için çok yüksek voltaj.
Burada oluşacak ısıl kayıpları doğal soğutma ile aşmayı düşündüğümüzde cihazı taşımak için
adam tutmamız gerekebilir.
Ya da altına bir soğutma sistemi yapmalıyız.

Öte yandan, neden a class ve neden yüksek güç?
Güç için b class, müzik için a class.
300W 2x35V trafo ile a class olmaz.
Elbette düşük bias b class demek olur,
ama bu demek değil ki b class kötüdür.

A class, ben müzik için varım... derken, yüksek güçler düşünmek
bana göre son derece gereksiz.
Ben -/+30V üstünü a class için gereksiz görüyorum,
ki bu da zaten 30-40W gibi bir güç demek aslında.

Ben bu devreyi yapmayı düşünmezdim,
bu gün daha iyi devreler mümkün.



Hocam bazı hoparlörleri sürmek için yüksek güçlere ihtiyaç duyabiliyoruz..... Benim düşük hassasiyetli kolon düşük güçlü bir amfiyle pek gitmiyor... ve bazen yüksek sesde müzik dinlemek hoş olabiliyor :)

Bu noktada bencede A class şart değil ..

İyi devre için sizi bekliyorum Hocam :)


:)
A class şart değilse beklentiler farklı demektir.
O zaman ras300 yap sorun bitsin
Tüketimleri ile ünlü ülkelerin tarihlerini üreten ülkeler yazar.
hamist
DIY Audio Gurusu
 
İleti: 1401
Kayıt: 24 Mar 2011, 23:45
İl: istanbul
Meslek: endüstriel elektronik

Ynt: krell ksa 50 için pcb tasarımım

Okunmamış iletigönderen hakan-imp » 03 Oca 2013, 00:28

:)
Yanlış anlaşılma oldu yüksek güçler için demek istedim... asıl hedefimi biliyorsunuz Hocam :)
hakan-imp
DIY Audio Fanatiği
 
İleti: 128
Kayıt: 23 Mar 2011, 19:29
İl: Gaziantep

Ynt: krell ksa 50 için pcb tasarımım

Okunmamış iletigönderen hamist » 03 Oca 2013, 00:37

hakan-imp yazdı::)
Yanlış anlaşılma oldu yüksek güçler için demek istedim... asıl hedefimi biliyorsunuz Hocam :)


Yanlış anlama yok sanıyorum.
Anlayamadığım, aynı an'da hem a class
hem de güçlü bir ampli.e ihtiyaç duyulması.
:)
Tüketimleri ile ünlü ülkelerin tarihlerini üreten ülkeler yazar.
hamist
DIY Audio Gurusu
 
İleti: 1401
Kayıt: 24 Mar 2011, 23:45
İl: istanbul
Meslek: endüstriel elektronik

Sonraki

Transistör/MOSFET Güç Yükselteçleri


 


  • Bu konular da ilginizi çekebilir:
    Cevaplar
    Gösterim
    Son ileti

Kimler çevrimiçi

Bu forumu görüntüleyenler: Google [Bot] ve 1 misafir