Daha önce üzerinde çalışmak isteyip vaz geçtikten sonra,
karar değiştirip hazırladığım diğer bir SE çalışmam,
bu gün masadan kalkarak müzik dinletime hitap etmekten
hem kendisini hem de beni mutlu etti.
Çıkışları bu aşamada ısıyı dağıtma amaçlı paralel yapmadım.
Bunun iki nedeni var, birisi deneme sırasında gerek görmemek,
diğeri de pwr.mosfetlerin yüksek iç kapasiteleri nedeni ile
çalışma hızını olumsuz etkileme ihtimali.
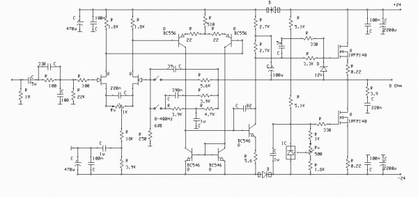
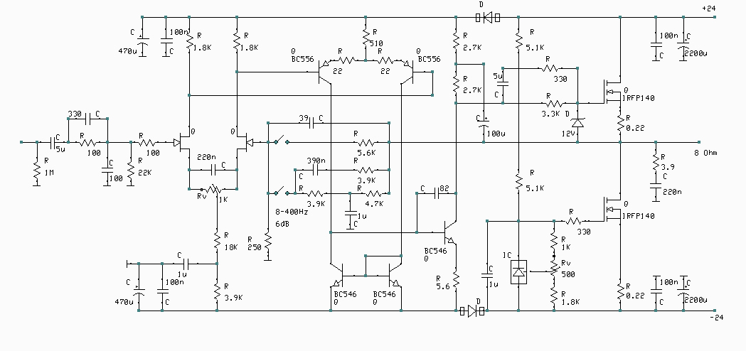
Evet devre yine kalabalık.
Bunun sebebi farkında olacaksınızdır, negatif fB üzerinden
sıfıra giden kondasatorü iptal etmekti.
Zira daha önce zaman zaman belirttim, bu kondasator
ve burada oluşan rc zaman sabiti nedeni ile bias
kontrolunun kısa da olsa gecikiyor oluşu.
2SK105 JFetlerin S uçları arasındaki 1K ayarlı direnç, bias ayarında
hiç zorluk çıkarmadı, 10mV a ayar yapabilme şansı zor değil,
kaldı ki Jfetleri eşlemiştim de.
Buna rağmen oldukça geniş bir ayar sahası olması,
eşleme sorunu olan JFet ya da BC556 lar için
kolaylık sağlayacaktır.
Devrenin tüm ön çalışmaları simulasyonda yapıldı.
Elimde kalmadığı için BC556 lar üzerindeki 22 ohmlar
yerine 47 ohm, buradaki 510 ohm yerine de 470 ohm kullanıldı.
Bir de devrem NfB üzerindeki 39p kondasatorden rahatsız olduğu için
kaldırıldı.
Devrede bir anahtarla kullanılacak olan,
lin. ya da kapalı kabinler için düşük faz kaymalı
bass desteği şimdilik denenmedi.
Şemada yanlış yazmışım, aslında 20-170Hz arası olacak.
Devrenin dinleti öncesi testlerinde
0 dB 20Hz-20KHz kesinlikle gözlendi.
Aslında 5Hz kadar iniyor da, PC tabanlı kaynağım bu kadarına
razı ol diyor.
Input 0.707V rms 1V peak 33W için, tabii beslemeniz çökmezse.
Zira bias akımı 3.3A
Çıkışta yüksüz 50Vpp, 48Vpp de 8 ohm yükte kesim öncesi ölçüldü.
Diğer ölçümler için gerekli cihazlar olmadığı için bir şeyler
söyleyemem, ancak her türlü müzikte test ettiğimde
detay zenginliği ve ses rengi açısından ben oldukça başarılı buldum.
Son olarak, bu defa fotograf yok, zira saatlerce test
bir hayli yorucu oldu.
PCB ve fotograflar hazır olduğunda gelir nasıl olsa.
Selamlar kolay gelsin...









