Çok kere o devreleri kullanmak risk demek olur,
zira bu ortamdaki bilgi kirliliği gereksiz tasarımlar doğurur.
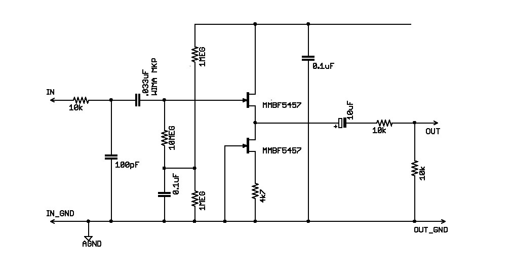
Oysa en basit ve en iyi, üstelik hi-end düzeyinde kaliteli buffer
devresidir eklediğim.
35 yıl önce national dökümanlarında gördüğümden beri,
benzer ihtiyaçlarımda kullandığım tek devredir.
Öyle ki, ben böyle bir devrede o zamanlar bulunabilen
tek fet olan BF245A ve BF324 ile 250 MHz frekansmetremin girişinde
kullanarak, kendi yaptığım FM tunerin 90-120MHz osc.
frekanslarını ayarlamıştım.
Bu ne mi demektir?
Bu hi-end demektir, hem yüksek giriş empedansı,
hem her türlü dalga formuna hiç etki etmeden
görevini yapan çok geniş bandlı bir devredir.
Tabii bir buffer ile sisteminiz hi-end olmaz.
İsterseniz üstteki devre ile 1x1 olarak buffer,
isterseniz alttaki devrede çıkış dirençleri oranını değiştirerek
3-5dB gibi bir kazanç bölgesinde hiç sorun çıkarmadan
çalıştırabilirsiniz.
Çıkıştan sıfıra giden 1K direnç kullanılmayabilir.
Girişteki 10M direnç, kullanacağınız yere göre bir kaç K'dan 10M a
kadar herhangi bir direnç olabilir.
10M giriş emp. boşta kaldığında çevrede ne varsa alır.
Gerisi sizlere kalmış, ya macera ararsınız,
ya da bu devre ile soru işaretlerinden uzak kalırsınız.
Sonradan eklediğim 2. devre giriş voltajının daha yüksek olduğu devreler için idealdir.
İlk devre düşük signal için uygundur.
Selamlar...



