Cavalli DC Servolu Buffer - Toplu Alım

Toplu Alım ve PCB » Forumca toplu malzeme alımı ve proje PCB'leri toplu satışı haberleri.

Cevap: Cavalli DC Servolu Buffer - Toplu Alım

Okunmamış iletigönderen drhardware » 15 Tem 2009, 18:35

Ok.. 7,5/18mm lik demek ki. Sanırım aynı yere uyar. Genede malzemeler tam olsun öle tamamlayalım buffered gc işindeki gibi olmasın. Şimdi kaç kişi yapıyoruz bu mereti belli mi?
Kullanıcı avatarı
drhardware
Eski Site Sorumlusu
 
İleti: 1072
Kayıt: 12 Arl 2006, 17:08
İl: Ankara


Cevap: Cavalli DC Servolu Buffer - Toplu Alım

Okunmamış iletigönderen fixxxxxer » 15 Tem 2009, 19:04

Yıldıray
Erhan
Can
Ben
Siz,

5 kişiyiz Dr.

Edit: Bir de Dr, yine de siz bilirsiniz ama bu 220u'lar gibi komponentleri lambaya biraz uzak yapmakta fayda var bence, hatta pcb layout u ters çevirme imkanı varsa daha da iyi olur, komponentlerle lamba ters yüzeylerde kalmış olur, lambayı gerekirse cihazın dışında tutma opsiyonumuz olur, tabi bunun için delik içi kaplama mı gerekir artık ne gerekir bilemem ama, bu son söylediğim çok zor olacaksa gerek yok tabi, ama en azından lambaya çok yakında ısıya duyarlı parça olmaması gerektiği kanısındayım, yayınladığınız son layout'ta lambanın cam kısmını düşününce 220u'lar dip dibe kalıyor lamba ile. Kişisel fikrim tabi bu, teknik yönünü bilemem, kondansatörler nekadar ısıya dayanır, lambayla aralarında kaç cm olsa kurtarır..

Edit 2: Layout'un ters yüz edilmesi benim fikrim, olabilitesi varsa bile yapacak olan diğer arkadaşlar da fikir beyan ederse bu konuda sevinirim. Hep beraber hareket edelim.
Kullanıcı avatarı
fixxxxxer
DIY Audio Gurusu
 
İleti: 456
Kayıt: 04 Oca 2009, 14:24
İl: İstanbul
Meslek: Öğrenci

Cevap: Cavalli DC Servolu Buffer - Toplu Alım

Okunmamış iletigönderen drhardware » 16 Tem 2009, 09:40

Haklısın.... Da devasa kondansatörlerin olacağı bir yüzeyi ters çevirdiğimizde altta oluşacak 35-40mm (1500u) boşluk düşünüldüğünde görüntüsel olarak ya da kutulama esnasında ciddi sorunlar çıkacağını düşünüyorum. Diğer yandan lambaların bacakların uzundur ve soketsiz kullanıldıklarında ters yönden lehim yapılabilir yani delik içi kaplamaya gerek yok. Sanırım en temizi PCB yi biraz daha büyütmek. Du bakalım malzeme bi elime ulaşsın da!
Kullanıcı avatarı
drhardware
Eski Site Sorumlusu
 
İleti: 1072
Kayıt: 12 Arl 2006, 17:08
İl: Ankara

Cevap: Cavalli DC Servolu Buffer - Toplu Alım

Okunmamış iletigönderen the_cantan » 16 Tem 2009, 11:10

Lambayı soket uçlarına kablolarla bağlanarak kutulamada başka bir yere uzatılabilir. pek tavsiye etmiyorum ama bu da bir çözüm. en nihayetinde pcb biraz genişletirsek lamba soket arasında 2,5-3 cm. lik mesafe bile kon.sı rahatsız etmez kanısındayım.zira 220uF hem yüksek değer hem hem mevcut lambanın akımı sevdiği halde beslem kon.mızı rahatsız etmez.bu durumda ısınma bile olsa lambanın ömründen kon. daha fazla dayanacaktır zati. zira +/- 750mA flaman akımı için gerekli. :D
Kullanıcı avatarı
the_cantan
DIY Audio Gurusu
 
İleti: 294
Kayıt: 04 May 2007, 11:04
Konum: ank.

Cevap: Cavalli DC Servolu Buffer - Toplu Alım

Okunmamış iletigönderen fixxxxxer » 17 Tem 2009, 11:38

Arkadaşlar İstanbul malezemeleri geldi :D Gün içinde ilgili arkadaşlara dağıtım yapıcam, Ankara paketi de yolda, bugün içinde ulaşmalı...
Kullanıcı avatarı
fixxxxxer
DIY Audio Gurusu
 
İleti: 456
Kayıt: 04 Oca 2009, 14:24
İl: İstanbul
Meslek: Öğrenci

Cevap: Cavalli DC Servolu Buffer - Toplu Alım

Okunmamış iletigönderen fixxxxxer » 17 Tem 2009, 22:01

Az evvel Can abi ile görüştüm, malzemeler tamamlanmış, dağıtılmış herhalde, ben de burayı hallettim nihayet, hepimize hayırlı olsun... Ben bi onbeş gün yokum, eğer ortak yapılacak-alınacak başka birşey olursa proje ile ilgili beni de burdaymışım gibi dahil ederseniz sevinirim :D Bugün Yıldıray'dan rica ettim o da sağolsun geri çevirmedi ve ilgileneceğini söyledi. (Eyvallah kardeşim ;)) Kendinize iyi bakın arkadaşlar, görüşmek üzere inşallah...
Kullanıcı avatarı
fixxxxxer
DIY Audio Gurusu
 
İleti: 456
Kayıt: 04 Oca 2009, 14:24
İl: İstanbul
Meslek: Öğrenci

Reklamlar

Cevap: Cavalli DC Servolu Buffer - Toplu Alım

Okunmamış iletigönderen drhardware » 18 Tem 2009, 10:59

Fixer çok teşekkürler. Banka hesap numaranı bildirirsen hemen paranı yollayım.
Bu arada PCB işini de bitirelim, sen gelinceye kadar o işler de biter sanırsam.
Kullanıcı avatarı
drhardware
Eski Site Sorumlusu
 
İleti: 1072
Kayıt: 12 Arl 2006, 17:08
İl: Ankara

Cevap: Cavalli DC Servolu Buffer - Toplu Alım

Okunmamış iletigönderen fixxxxxer » 18 Tem 2009, 11:10

Rica ederim hocam, yardımcı olabildiysem ne mutlu. Ödeme ile ilgili detay için öm attım. Görüşmek üzere...
Kullanıcı avatarı
fixxxxxer
DIY Audio Gurusu
 
İleti: 456
Kayıt: 04 Oca 2009, 14:24
İl: İstanbul
Meslek: Öğrenci

Cevap: Cavalli DC Servolu Buffer - Toplu Alım

Okunmamış iletigönderen drhardware » 18 Tem 2009, 13:01

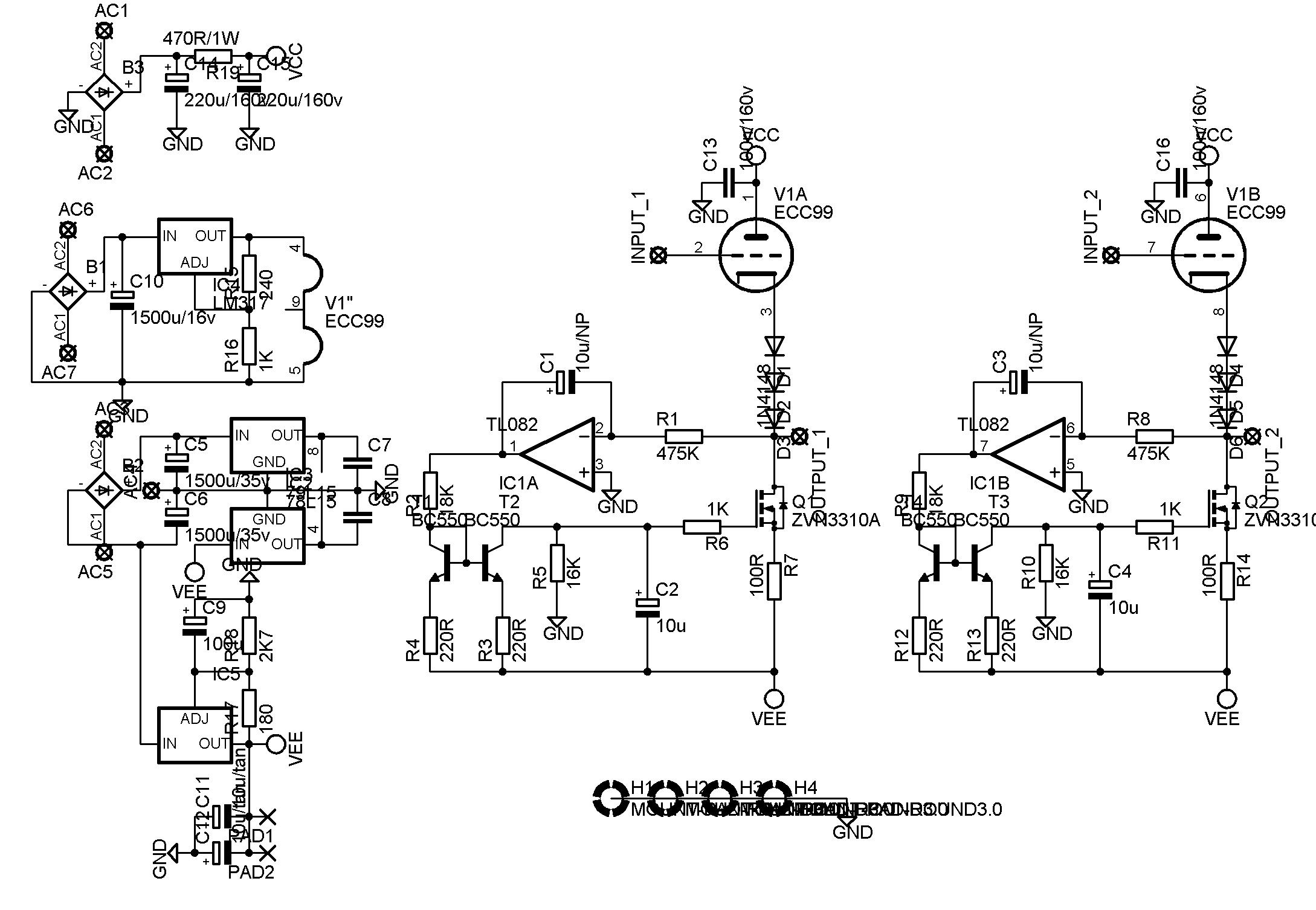
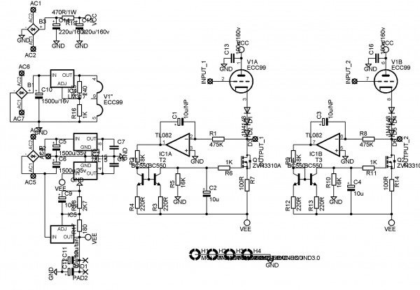
Arkadaşlar, Cavalli Buffer uygulamamızın elimdeki malzemelere göre mevcut son hali aşağıdaki gibidir:
cavallipcb.JPG

Ayrıca uygulama şeması da şöyledir:
cavallibuffer.JPG

Sizden ricam, orijinal şema ile karşılaştırma yapıp olası hatalrı tespit etmeniz şeklinde olacaktır. Ayrıca malzemelerin pinoutuna göre PCB tasarımındaki gördüğünüz hataları da bildirmenizi rica edeceğim. Bu arada, lamba için muhakkak soket gerekiyor, kendi ayak aralıkları için uygun değil bu PCB..
Kullanıcı avatarı
drhardware
Eski Site Sorumlusu
 
İleti: 1072
Kayıt: 12 Arl 2006, 17:08
İl: Ankara

Cevap: Cavalli DC Servolu Buffer - Toplu Alım

Okunmamış iletigönderen TDA7294 » 18 Tem 2009, 13:08

Toplu PCB için ben de varım. Kenarda dursun PCB.
Kullanıcı avatarı
TDA7294
DIY Audio Gurusu
 
İleti: 429
Kayıt: 08 Kas 2008, 04:57
İl: Zonguldak-Aksaray
Meslek: Öğrenci

ÖncekiSonraki

Toplu Alım ve PCB


 


  • Bu konular da ilginizi çekebilir:
    Cevaplar
    Gösterim
    Son ileti

Kimler çevrimiçi

Bu forumu görüntüleyenler: Google [Bot] ve 0 misafir