Eh1048 Bilen Duyan ?

Serbest Kürsü » Ondan bundan şundan...

Eh1048 Bilen Duyan ?

Okunmamış iletigönderen birgitay » 27 Tem 2013, 20:54

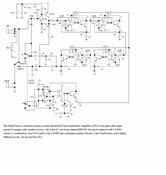
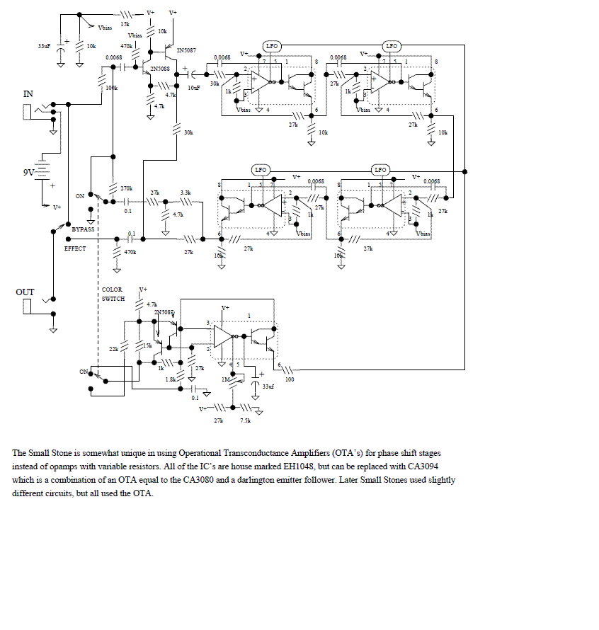
Eh1048 entegresi tam emin olmamakla beraber transconductance yapıya sahip. Ve özelliği Darlington çıkışlı olması sanırım . Çünkü kullanılan şemada , sadece sembolü üzerine konuşuyorum. Herhangi bir bilgiye rastlamadım . Electro Harmonix'in yaptırdığı özel bir malzememidir? Bulmam gerekli.
Facebook Elektronik üzerine sayfam : https://www.facebook.com/groups/1216358921722507/
birgitay
DIY Audio Gurusu
 
İleti: 896
Kayıt: 04 Nis 2012, 22:16
İl: Kocaeli
Meslek: Elektronik


Ynt: Eh1048 Bilen Duyan ?

Okunmamış iletigönderen hamist » 27 Tem 2013, 23:03

CA3094
Eklentiler
EH1048.GIF
Tüketimleri ile ünlü ülkelerin tarihlerini üreten ülkeler yazar.
hamist
DIY Audio Gurusu
 
İleti: 1401
Kayıt: 24 Mar 2011, 23:45
İl: istanbul
Meslek: endüstriel elektronik

Ynt: Eh1048 Bilen Duyan ?

Okunmamış iletigönderen birgitay » 27 Tem 2013, 23:08

Abi , aynen bunun için gerekli. Ca3094e zar zor buldum. Ayrıca Potans'ın değeri 1mc (Ters Logaritmik) Zira , bu alette Phase değişkenlği Pot tamamen kısıkken sesin çok yumuşak olması. Yani Sinyal genliğinin çok düşük seviyede olması için yapıyıoruz. Zira bu alet o şekilde , tam Estrüman ile uyuşuyor. Ama Eh1048 yerine ne takarsak takalım olmuyor. İşte girişte ve çıkışta 2n5088 ve 2n5087 transistörler , Amplifier Transistör diye geçiyor katalogda. Ve bu sayede sese renk katıyor gerçekten. Ama bu entegreler yok işte mağduruz.
Ayrıca Lm13600-lm13700 var Dual ama yinede iş görmüyor.
Facebook Elektronik üzerine sayfam : https://www.facebook.com/groups/1216358921722507/
birgitay
DIY Audio Gurusu
 
İleti: 896
Kayıt: 04 Nis 2012, 22:16
İl: Kocaeli
Meslek: Elektronik


Serbest Kürsü


Kimler çevrimiçi

Bu forumu görüntüleyenler: Google [Bot] ve 0 misafir