Dün karaköyden aldım çayna işi..Tanesi 1 lira.
bunlar elimdeki nichiconlarla birlikte.
bunlar hep birlikte.
burasıda mezarlık
Şimdi bunların hepsini bir arada kullanarak bir besleme yapsak nasıl olur..
rercan yazdı:http://www.youtube.com/watch?v=v5LfPucCIwo

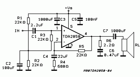
zunda yazdı:tda 2030 veya 2050 galiba tda nın bu serileri güzeldir yapmaya uğraşmaya deger hangi şemayı nereden aldıgını hangisini kullandığını yazarsan bilgilenmişte oluruz kolay gelsin.(hazırladıgın beslemeden 2030 tda olduğunu sanıyorum)
Bu forumu görüntüleyenler: Google [Bot] ve 0 misafir