TECHNICS SU-V4A FULL Modifiye

Projeleriniz » Elinizde olan veya hazırladığınız projelerinizi ayrıntılı açıklama ve resimleriyle beraber gönderin; ana sayfamızda isminizle beraber yayınlayalım. Ayrıntılı bilgi Haberler ve Duyurular forumunda mevcuttur.

Ynt: TECHNICS SU-V4A FULL Modifiye

İletigönderen Amatör » 27 May 2015, 17:04

Lambalı cihazların çıkış trafolarından kaynaklı harmoniklerinin insan kulağında bıraktığı hoş etkilerin ve bu etkilerin yarattığı 3 boyutlu sahnenin yarıiletkenler ile yakalanamayacağı durumu fiyatları zirveye taşıyor olmalı diye düşünüyorum ben.Bu durumda dinamiklik ve hız dolayısı ile bence analitik ve yüksek detay seviyesinden feragat edilmiş olunuyor.Ancak sahne ambiyansı ve mid tiz harmonisi lambalı cihazları yenilmez yapıyor diye düşünüyorum.
Geçiş distorsiyonu günümüz modern yarı iletkenleri ile tarih oldu galiba yada ben kendi yapmış olduğum ve hazır cihazlarda böyle bir olumsuzluğa rastlamadım.
Ben lambalının da classA sını isterim tabiiki :)

Selamlar
Amatör
DIY Audio Gurusu
 
İleti: 775
Kayıt: 07 Eyl 2009, 19:15
İl: Zonguldak


Ynt: TECHNICS SU-V4A FULL Modifiye

İletigönderen onursal » 27 May 2015, 17:23

Amatör yazdı:Lambalı cihazların çıkış trafolarından kaynaklı harmoniklerinin insan kulağında bıraktığı hoş etkilerin ve bu etkilerin yarattığı 3 boyutlu sahnenin yarıiletkenler ile yakalanamayacağı durumu fiyatları zirveye taşıyor olmalı diye düşünüyorum ben.Bu durumda dinamiklik ve hız dolayısı ile bence analitik ve yüksek detay seviyesinden feragat edilmiş olunuyor.Ancak sahne ambiyansı ve mid tiz harmonisi lambalı cihazları yenilmez yapıyor diye düşünüyorum.
Geçiş distorsiyonu günümüz modern yarı iletkenleri ile tarih oldu galiba yada ben kendi yapmış olduğum ve hazır cihazlarda böyle bir olumsuzluğa rastlamadım.
Ben lambalının da classA sını isterim tabiiki :)

Selamlar

Ne yazık ki yanlış bilgilendirilmişsin adamım.
Harmoniksel yapının ses kalitesi ile ilgisi yoktur. harmonikler bir sesi iyi gibi lanse edebildiği gibi kötü olarak ta lanse edebilir.
Halbuki lambalı cihazların bazı TEKNİK ÖZELLİKLERİ (harmonik değil) hala tartışma konusu olup beğeni ile takip edilmektedir.
Bu konu çok iyi bir konu olup, eğer tartışıp fikir alışverişi yapmak istersen ayrı bir topikte tartışmayı isterim.
Kullanıcı avatarı
onursal
DIY Audio Gurusu
 
İleti: 840
Kayıt: 03 Ağu 2010, 01:56
İl: ankara
Meslek: broadcasting

Ynt: TECHNICS SU-V4A FULL Modifiye

İletigönderen Amatör » 27 May 2015, 17:34

Harmonikler çıkış trafosu kaynaklı değil mi?

Haklısınız sizin başlığa uymuyor bu yazışmalar.
Moderatör isterse silebilir veya taşıyabilir benim yazdıklarımı.
Amatör
DIY Audio Gurusu
 
İleti: 775
Kayıt: 07 Eyl 2009, 19:15
İl: Zonguldak

Ynt: TECHNICS SU-V4A FULL Modifiye

İletigönderen onursal » 27 May 2015, 17:39

Amatör yazdı:Harmonikler çıkış trafosu kaynaklı değil mi?



Hayır :mrgreen:
Bir transformatörün harmonik ürettiği bence pek görülmemiş birşeydir. Trafoya hangi sinüs işaretini girersen gir trafonun özellikleri doğrultusunda sekonderinden aynı sinyali alırsın.
Kabaca bir örnek vereyim.
50Hz lik şebeke transformatörünü çalıştırırken sekonderden 50Hz ten başka frekansları da mı alıyoruz acaba :D
Kullanıcı avatarı
onursal
DIY Audio Gurusu
 
İleti: 840
Kayıt: 03 Ağu 2010, 01:56
İl: ankara
Meslek: broadcasting

Ynt: TECHNICS SU-V4A FULL Modifiye

İletigönderen forester68 » 27 May 2015, 17:45

Arkadaşlar merhaba,
Yazdıklarınızı hayranlıkla okuyoruz. Sayenizde baya bir şey öğrendik. sizlerin bu yazdıkları da olmasa forumda tam bir ölüm sessizliği oluyor. Hergün siteye giriş yapıyorum ama en ufak bir tık yok. Ben bu siteyi çok yeni tanıdım.Daha önceki yıllarda baya bir bilgi ve tecrübe paylaşılmış. İnşallah yine eski günlerdeki gibi hareketli ve faal bir site olur.
forester68
Yeni Üye
 
İleti: 34
Kayıt: 09 Oca 2014, 00:07
İl: Aksaray

Ynt: TECHNICS SU-V4A FULL Modifiye

İletigönderen Amatör » 27 May 2015, 17:47

O zaman trafosuz 0TL yapı ile de aynı 3 boyutlu lambalı sesi alınabilir mi ?
Amatör
DIY Audio Gurusu
 
İleti: 775
Kayıt: 07 Eyl 2009, 19:15
İl: Zonguldak

Reklamlar

Ynt: TECHNICS SU-V4A FULL Modifiye

İletigönderen onursal » 27 May 2015, 18:36

forester68 yazdı:Arkadaşlar merhaba,
Yazdıklarınızı hayranlıkla okuyoruz. Sayenizde baya bir şey öğrendik. sizlerin bu yazdıkları da olmasa forumda tam bir ölüm sessizliği oluyor. Hergün siteye giriş yapıyorum ama en ufak bir tık yok. Ben bu siteyi çok yeni tanıdım.Daha önceki yıllarda baya bir bilgi ve tecrübe paylaşılmış. İnşallah yine eski günlerdeki gibi hareketli ve faal bir site olur.

Elimizden geldiğince forumumuzu yaşatmaya ve kullanıcıları bilgilendirmeye çalışıyoruz.
Haliyle bizler de birşeyler öğreniyoruz.

Amatör yazdı:O zaman trafosuz 0TL yapı ile de aynı 3 boyutlu lambalı sesi alınabilir mi ?


Bu dediğini tam anlamadım.
Ama trofo kullanmak istemiyorsan yaklaşık 100-500 Kohmluk hoparlör (YÜK) kullanmak zorundasın.
Çünkü lambaların çıkışı yüksek voltaja bağlıdır ve akımı düşük seviyededir. :D
Transformatörlerin amacı 300V civarı olan lamba beslemesindeki sinyallerin gerilimini düşürüp akımını yükseltmek için kullanılırlar.
Bakınız transformatörlerdeki dönüştürme oranları, akım ve gerilim dönüşüm ilkeleri.
Kullanıcı avatarı
onursal
DIY Audio Gurusu
 
İleti: 840
Kayıt: 03 Ağu 2010, 01:56
İl: ankara
Meslek: broadcasting

Ynt: TECHNICS SU-V4A FULL Modifiye

İletigönderen Amatör » 27 May 2015, 18:44

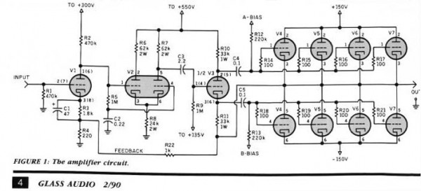
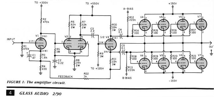
Şu şekilde dizaynlar var.Trafosuz yapılar.Ancak lambaları match etmek gerekli sanırım ve oldukça maliyetli olur.
6as7otl.jpg

otl-150-1_med.jpg
otl-150-1_med.jpg (119.69 KiB) 720 defa görüntülendi
Amatör
DIY Audio Gurusu
 
İleti: 775
Kayıt: 07 Eyl 2009, 19:15
İl: Zonguldak

Ynt: TECHNICS SU-V4A FULL Modifiye

İletigönderen onursal » 27 May 2015, 19:08

Ben yine de 5+5 adet lambaların akımlarının küçük empedanstaki bir YÜK'ü sürebileceğini düşünemiyorum.
Özel yapımyüksek empedanslı hoparlör yoksa çıkışa (OUT) transformatör zorunludur.
Kullanıcı avatarı
onursal
DIY Audio Gurusu
 
İleti: 840
Kayıt: 03 Ağu 2010, 01:56
İl: ankara
Meslek: broadcasting

Ynt: TECHNICS SU-V4A FULL Modifiye

İletigönderen Amatör » 27 May 2015, 19:50

Bende bu lambalı sesinin büyüsünün çıkış trafosu ile ne kadar ilgili olduğunu merak ediyorum açıkçası.Band genişliği doğrudan ilgili olmalı da bu beğenilen ikinci harmonikler keza beğenilmeyen üçüncüler ne kadar alakalı.
Bu trafosuz dizaynları uygulayabilmek zaten çok zor olsa gerek,hele ki benim gibi amatörler açısından.Kaldı ki eğer sihir trafoda ise hayal kırıklığı da cabası olur.
Amatör
DIY Audio Gurusu
 
İleti: 775
Kayıt: 07 Eyl 2009, 19:15
İl: Zonguldak

ÖncekiSonraki

Projeleriniz


 


  • Bu konular da ilginizi çekebilir:
    Cevaplar
    Gösterim
    Son ileti

Kimler çevrimiçi

Bu forumu görüntüleyenler: Google [Bot] ve 0 misafir