arkadaslar merhaba
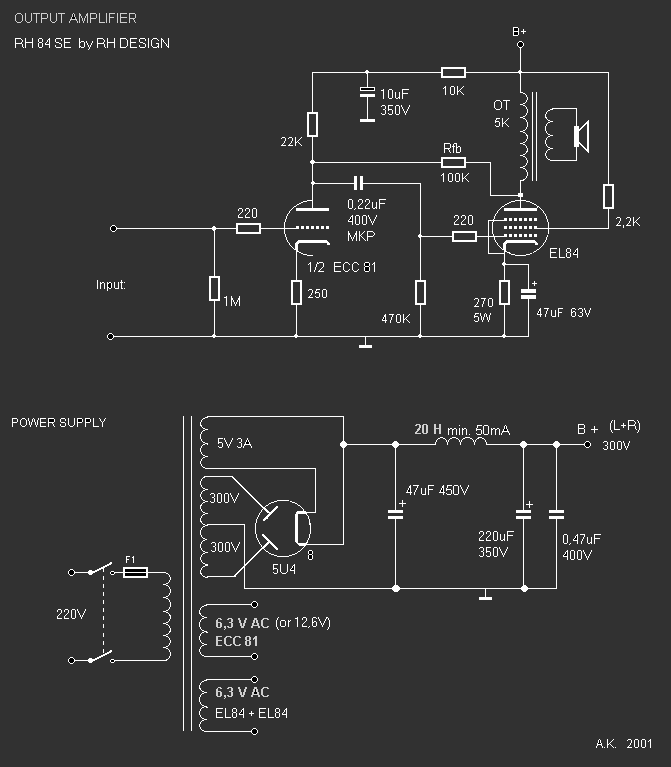
lambalı 5w single end amlifikatörle karsınızdayım."devre http://www.diyaudio.com dan alınmıstır" devrenın ses trafolarını ıster yurt dısından ıstersenızde eskı radyolardan sokebılırsınız... elımdekı 2 cıft trafoyla donusumlu yaptıgım dınleme testlerınde ultra lıneer ve normal ses trafosu arasında herhangı bır se farkı goremedım guc artısı dısında,,belkı bana katılmayanlar olacaktır ama benım kulaklarım belkı ıyı duymuyordur...yapımı oldukca basıt olan bu devreyı 2. yapısım 1. yapısımda devrenın ana beslemesını sebekeyı dırek dogrultarak elde etmıstım fakat saseye sebeke karısması gıbı durumlarla karsılastım ve bırkac cıhazımı cope atmak zorunda kaldım..2. uygulamamda normal prosedurlerı uyugulayarak 1 adet power trafosu sardırdım 220v prımer 220v sekonder ve 3 adet 6.3v tan olusuyor...devredekı malzemeler herkesın heryerde kolayca bulabılıcegı cınsten devredekı lambalar 2 adet el84 1 adet ecc81 tek fark sınyal hattındakı dırenclerı metal fılm yapmam onuda bırcok yerden kolaylıkla bulabılırsınız..devreyı yapacak arkadasın bırkac hususa dıkkat etmlerı gerekıyor..1. rfb dırencı eger bu dırencı takmazssanız lambalar asırı surulecegı ıcın sestekı dıstorsıyon korkunc sevıyelere cıkıyor 2. devrenin beslemesınde kesınlıkle sok bobını kulanmanız gerekıyor eger kulannmazsanız asırı derecede bır dıp gurultuyle karsı kalıyorsunuz.sok bobınını nereden bulurum dersenız elınızdekı herhangı bır trafonun prımerınını kullanabılırsınız...devrenın fleman beslemelerını dc cevırmek gıbı cabaya gırısmedım cunku 7805lerın asırı ısınarak yanmaları dıger rugulelerın cok yer kaplamaları hıc ısıme gelmedı..onun yerıne felman beslemesıne ve sase arasına 100ohmluk snubber atarak 50hz lık dıp gurultusunu kaybettim.devrenın kutusunu sanayıde sac bukturerek yaptım ve yanlarına marangoza kayın agacından yaptırdım...devre oldukca basarılı sıcak ve yumusak bır sese sahıp 5w dıye kucumsemeyın odanızda sesı koklemek bıraz zor yapacak arkadaslara sımdıden basarılar dılerım saygılarımla...


