Lamba Önyükselteç Hum Sorunu

Projeleriniz » Elinizde olan veya hazırladığınız projelerinizi ayrıntılı açıklama ve resimleriyle beraber gönderin; ana sayfamızda isminizle beraber yayınlayalım. Ayrıntılı bilgi Haberler ve Duyurular forumunda mevcuttur.

Lamba Önyükselteç Hum Sorunu

Okunmamış iletigönderen birgitay » 22 Nis 2016, 19:13

Arkadaşlar Lamba'lı bir cihazda , dip ses var. Zira adım adım ilerlerken Power Supply kısımı tamamen düzgün şekilde yapıldı.Şaselemede düzgün yapıldı. Ancak Fleman'lara 6,3 volt Ac veriyorum. Vede o Ac uçlardan şaseye 100 ohm 2 tane direnç bağlıyorum yine hırıltı var. Fakat Dc. enerji veriyorum flemanlara 6,3 volt sorun olmuyor. Çok az rahatsız edecek kadar sorunsuz çalışıyor. Bu durumu nasıl düzeltebiliriz. 6,3 volta regüle yapınca soğutucu takmak vs. işler değişiyor. Yerim yok çalıacak kutuda . Nasıl öneri sunarsınız teşekkürler..
Facebook Elektronik üzerine sayfam : https://www.facebook.com/groups/1216358921722507/
birgitay
DIY Audio Gurusu
 
İleti: 896
Kayıt: 04 Nis 2012, 22:16
İl: Kocaeli
Meslek: Elektronik


Ynt: Lamba Önyükselteç Hum Sorunu

Okunmamış iletigönderen onursal » 22 Nis 2016, 19:34

birgitay yazdı:Arkadaşlar Lamba'lı bir cihazda , dip ses var. Zira adım adım ilerlerken Power Supply kısımı tamamen düzgün şekilde yapıldı.Şaselemede düzgün yapıldı. Ancak Fleman'lara 6,3 volt Ac veriyorum. Vede o Ac uçlardan şaseye 100 ohm 2 tane direnç bağlıyorum yine hırıltı var. Fakat Dc. enerji veriyorum flemanlara 6,3 volt sorun olmuyor. Çok az rahatsız edecek kadar sorunsuz çalışıyor. Bu durumu nasıl düzeltebiliriz. 6,3 volta regüle yapınca soğutucu takmak vs. işler değişiyor. Yerim yok çalıacak kutuda . Nasıl öneri sunarsınız teşekkürler..

GROUNDING
Kullanıcı avatarı
onursal
DIY Audio Gurusu
 
İleti: 840
Kayıt: 03 Ağu 2010, 01:56
İl: ankara
Meslek: broadcasting

Ynt: Lamba Önyükselteç Hum Sorunu

Okunmamış iletigönderen birgitay » 22 Nis 2016, 20:15

Daha nasıl olacak yaw :D Fleman'ların uçlarındaki dirençleri aynı yere lehimledim yine yok :D
Facebook Elektronik üzerine sayfam : https://www.facebook.com/groups/1216358921722507/
birgitay
DIY Audio Gurusu
 
İleti: 896
Kayıt: 04 Nis 2012, 22:16
İl: Kocaeli
Meslek: Elektronik

Ynt: Lamba Önyükselteç Hum Sorunu

Okunmamış iletigönderen onursal » 22 Nis 2016, 21:01

birgitay yazdı:Daha nasıl olacak yaw :D Fleman'ların uçlarındaki dirençleri aynı yere lehimledim yine yok :D

Grounding meselesi öyle bir direnci lehimlemekle olsaydı bu gün o konuda mühendislik olmazdı.
http://www.rane.com/note151.html
http://www.coreaudiotechnology.com/audi ... nceptions/
Kullanıcı avatarı
onursal
DIY Audio Gurusu
 
İleti: 840
Kayıt: 03 Ağu 2010, 01:56
İl: ankara
Meslek: broadcasting

Ynt: Lamba Önyükselteç Hum Sorunu

Okunmamış iletigönderen birgitay » 22 Nis 2016, 21:07

Maalesef mühendisliğe gerek yok. Şaseleme için :D Ancak şöyle birşey uyguladım , Fleman uçlarına 500 ohm pot bağladım , potla oynayarak tam kesilmesede az birşey var. Acaba 100 ohm pot bağlasam işler değişiyormi?
Facebook Elektronik üzerine sayfam : https://www.facebook.com/groups/1216358921722507/
birgitay
DIY Audio Gurusu
 
İleti: 896
Kayıt: 04 Nis 2012, 22:16
İl: Kocaeli
Meslek: Elektronik

Ynt: Lamba Önyükselteç Hum Sorunu

Okunmamış iletigönderen onursal » 22 Nis 2016, 21:14

birgitay yazdı:Maalesef mühendisliğe gerek yok. Şaseleme için :D Ancak şöyle birşey uyguladım , Fleman uçlarına 500 ohm pot bağladım , potla oynayarak tam kesilmesede az birşey var. Acaba 100 ohm pot bağlasam işler değişiyormi?

Ben demiyorum.
Bu iş için ayrı bir mühendislik dalı vardır ve konu ile ilgili teknikler vardır. Öyle bir dirençle bir kondansatörle halledilebilecek işler değil bunlar. İnce hesaplar gerektirir ve kafa yedirir :D
http://www.bennettprescott.com/download ... torial.pdf
Kullanıcı avatarı
onursal
DIY Audio Gurusu
 
İleti: 840
Kayıt: 03 Ağu 2010, 01:56
İl: ankara
Meslek: broadcasting

Reklamlar

Ynt: Lamba Önyükselteç Hum Sorunu

Okunmamış iletigönderen birgitay » 22 Nis 2016, 21:16

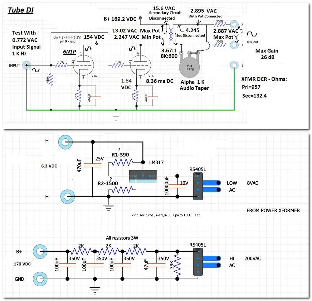
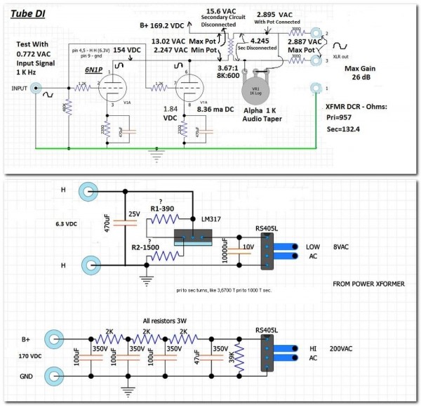
Ve Onursal abi ilk preampım 1khz 1 volt ac ölçüyorum test için çıkış potlar tam seviye maxta 14 volt. 320mv. giriş seviyesi uyguladığımda distortion başlıyor. İkinci preampım girişi 772mv. Yani arada oynayarak dirençlerle 3,3m ohm bağladım 1,1 volt Ac voltaj aldım. Yani ilk preamp maxta iken 14 volt veriyorsa ikinci preamp girişim test ölçülerinde 772mv. önerilmiş acana doğrumu yaptım. Şemada göstereyim daha rahat anlaşılır.
Facebook Elektronik üzerine sayfam : https://www.facebook.com/groups/1216358921722507/
birgitay
DIY Audio Gurusu
 
İleti: 896
Kayıt: 04 Nis 2012, 22:16
İl: Kocaeli
Meslek: Elektronik

Ynt: Lamba Önyükselteç Hum Sorunu

Okunmamış iletigönderen birgitay » 22 Nis 2016, 21:23

Bunları birbirine uydurmak amacım.
Eklentiler
Tube-DI.jpg
Jcm800 preamp voltajlar.jpeg
Facebook Elektronik üzerine sayfam : https://www.facebook.com/groups/1216358921722507/
birgitay
DIY Audio Gurusu
 
İleti: 896
Kayıt: 04 Nis 2012, 22:16
İl: Kocaeli
Meslek: Elektronik

Ynt: Lamba Önyükselteç Hum Sorunu

Okunmamış iletigönderen onursal » 22 Nis 2016, 21:32

Her devre kazanç unsuru ile çalışır.
1V girip te 1V almak istiyorsan devrenin kazancını ona göre ayarlamak zorundasın. Eğer 1V girip daha yüksek gerilim elde etmek istiyorsan devrenin tasarımını o şekilde yapmalısın.
Bu unsurlar da tasarım prosedürlerinde yer alır ve devreyi yapan ya da tasarlayan kişinin takdiridir.
Kullanıcı avatarı
onursal
DIY Audio Gurusu
 
İleti: 840
Kayıt: 03 Ağu 2010, 01:56
İl: ankara
Meslek: broadcasting

Ynt: Lamba Önyükselteç Hum Sorunu

Okunmamış iletigönderen birgitay » 22 Nis 2016, 22:14

Tamamda bu devre için ne önerilebilir ? Dediğim gibi ikinci sıradaki Gitar Amplifkatörün Preamp kısımı bana yeterli. Çıkış vede giriş voltajları belli. Sümulatörde'de test ettim. 320mv. giriş hassasiyeti sonrası distortion oluşuyor. Çıkış 14 volt. Birinci sıradaki devrede Width tepe nokasıda 772 mv. Acaba dirençle yada potla o seviyeyemi getirsem voltajı ?
Facebook Elektronik üzerine sayfam : https://www.facebook.com/groups/1216358921722507/
birgitay
DIY Audio Gurusu
 
İleti: 896
Kayıt: 04 Nis 2012, 22:16
İl: Kocaeli
Meslek: Elektronik

Sonraki

Projeleriniz


 


  • Bu konular da ilginizi çekebilir:
    Cevaplar
    Gösterim
    Son ileti
  • Reddi Lamba Ön Yükselteç
    gönderen birgitay » 22 Mar 2016, 14:25
    0 Cevaplar
    957 Gösterim
    Son ileti gönderen birgitay Son iletiyi göster
    22 Mar 2016, 14:25
  • stereo lm 1875 sorunu
    gönderen levrek » 09 Haz 2012, 21:28
    2 Cevaplar
    4376 Gösterim
    Son ileti gönderen levrek Son iletiyi göster
    21 Haz 2012, 21:33
  • CLASS A preamp sorunu
    Eklenti(ler) gönderen levrek » 31 May 2013, 22:07
    7 Cevaplar
    1255 Gösterim
    Son ileti gönderen levrek Son iletiyi göster
    03 Haz 2013, 22:07

Kimler çevrimiçi

Bu forumu görüntüleyenler: Google [Bot] ve 0 misafir