HIGLY isolated variable gain of 1 to 20 db PRE-amplifier

Projeleriniz » Elinizde olan veya hazırladığınız projelerinizi ayrıntılı açıklama ve resimleriyle beraber gönderin; ana sayfamızda isminizle beraber yayınlayalım. Ayrıntılı bilgi Haberler ve Duyurular forumunda mevcuttur.

Ynt: HIGLY isolated variable gain of 1 to 20 db PRE-amplifie

Okunmamış iletigönderen birgitay » 23 Ekm 2014, 23:07

Onur abi selamlar..... Bu Preamplifkatör'ün girişine , yüksek Empedans bir Fet bağlayacağım.... Çıkış Trafo'su olarak yanlız , şunu esgeçmissin , Ne5532'nin Empedans'ı çok çok yüksek değil sanırım. Yani , direk çıkış olarakta kullanılabilir. Burada önemli olan Yüksek Empedans'lı bir entegre olsaydı söz konusu olabilirdi.
Facebook Elektronik üzerine sayfam : https://www.facebook.com/groups/1216358921722507/
birgitay
DIY Audio Gurusu
 
İleti: 896
Kayıt: 04 Nis 2012, 22:16
İl: Kocaeli
Meslek: Elektronik


Ynt: HIGLY isolated variable gain of 1 to 20 db PRE-amplifie

Okunmamış iletigönderen onursal » 24 Ekm 2014, 13:53

birgitay yazdı:Onur abi selamlar..... Bu Preamplifkatör'ün girişine , yüksek Empedans bir Fet bağlayacağım.... Çıkış Trafo'su olarak yanlız , şunu esgeçmissin , Ne5532'nin Empedans'ı çok çok yüksek değil sanırım. Yani , direk çıkış olarakta kullanılabilir. Burada önemli olan Yüksek Empedans'lı bir entegre olsaydı söz konusu olabilirdi.

Bir AUDIO pre-amplifikatörün giriş empedansı genel standartlara bağlıdır.
Convansiyonel cihazlarda tüm çıkışlar 10K civarıdır. Biz bu empedansa uygun olarak 47K giriş empedansını uygun buluyoruz.
NEDEN?
10K çıkış empedansı olan bir cihazın çıkış gerilimi, çıkış empedansı ile giriş empedansı arasında bölüşülecektir. Gerilim kaybının ve roll-off frekansın alt seviyelerinin sorunsuz elde edilmesi için bu gereklidir.
İsteğe göre tasarlanmış bu devrenin girişi zaten BALANCED (Dengeli) olarak tasarlanmıştır. Dileyen arkadaşlar girişi UNBALANCED tasarlayabilirler.
Eğer daha yüksek giriş empedansı gerekiyorsa o zaman FET-OPAMP'lar tercih edilebilir.
Transformatör çıkışlı devrelerde opampın çıkış akımı ve empedansı önem taşıdığı için, burada esas yapılması gereken şey çıkış opampının çıkış empedansının düşürülmesi yani 2 adet transistörle akım kuvvetlendirmesi yapılması olmalıdır.
Kullanıcı avatarı
onursal
DIY Audio Gurusu
 
İleti: 840
Kayıt: 03 Ağu 2010, 01:56
İl: ankara
Meslek: broadcasting

Ynt: HIGLY isolated variable gain of 1 to 20 db PRE-amplifie

Okunmamış iletigönderen birgitay » 24 Ekm 2014, 22:13

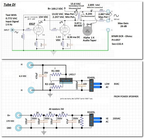
Benim kullanacağım yerde , Fet Op-amp iş görmüyor..... Elimde J201 Fet var. Zira Empedans olarak yine Piezo'ları çok iyi sürmüyor. Empedans uymuyor. Zira ,Elimde 6n1p Doğrultucu var. Spir sargıları vs. hesabıda var ama bir türlü fırsat bulup yaptıramadık.... Sen bu konuda bilgilisin abi , ben bir devre tasarladım gerçekten çok iyi sonuç verdi ama biliyorum ki , daha iyisi vede benim tasarladığım devre yüksek voltaj ile çalıştığından yani Entegrelerin tam Max. voltajı olduğundan belki yarım yamalak ir sonuç alıyor olabiliriz. Çünkü Desibel fazla olduğu için tam istediğim şeyler buna rağmen yok.... Bahsettiğim yaptığım devre budur , ancak çıkış Transformatörü ciddi bir işçilik gerektiriyor. Sanırım 20-25 Whatt'a denk geliyor. 6n1p için ;
Eklentiler
Carnhill VTB 2291 DIY.jpg
Tube-DI.jpg
Reddi-OPT-75-EI.jpg
reddi.jpg
En son birgitay tarafından, 24 Ekm 2014, 22:22 tarihinde değiştirildi, toplamda 3 değişiklik yapıldı.
Facebook Elektronik üzerine sayfam : https://www.facebook.com/groups/1216358921722507/
birgitay
DIY Audio Gurusu
 
İleti: 896
Kayıt: 04 Nis 2012, 22:16
İl: Kocaeli
Meslek: Elektronik

Ynt: HIGLY isolated variable gain of 1 to 20 db PRE-amplifie

Okunmamış iletigönderen birgitay » 24 Ekm 2014, 22:14

Lamba Empedans'ını karşılayacak bir Fet olmadan , Piezo sürmek imkansız bana göre.
Facebook Elektronik üzerine sayfam : https://www.facebook.com/groups/1216358921722507/
birgitay
DIY Audio Gurusu
 
İleti: 896
Kayıt: 04 Nis 2012, 22:16
İl: Kocaeli
Meslek: Elektronik

Önceki

Projeleriniz


 


  • Bu konular da ilginizi çekebilir:
    Cevaplar
    Gösterim
    Son ileti

Kimler çevrimiçi

Bu forumu görüntüleyenler: Google [Bot] ve 0 misafir