Amatör yazdı:Arkadaşlar,birkaç gündür yaptığım dinlemelerde görebildiğim(duyabildiğim)kadarı ile ses gerçekten müthiş.
Amfi çok güçlü,çok dengeli,çok detaylı ve oldukça müzikal çalıyor.Ses çok temiz.
Tek sıkıntı,anfiye kaynak bağlandığı zaman sağ kanalda 15-20 cm mesafeden ancak duyulabilen bir zırıltı mevcut.Sinyal kablolarını çıkardığımda sıfır gürültü.
Birde anfi özellikle florasan lambaların açılıp kapanmasından,aynı hat üzerindeki elektrikli cihazların otomatik yapmasından cok etkileniyor.Çıt,pıt sesleri rahatsızlık verebiliyor.
Orta seviyede uzun süre çalışmasının ardından 23derece oda sıcaklığında 50-51 derecede soğutucuların sıcaklığı sabitlendi.
Kendi açımdan kesinlikle tavsiye edilebilir bir anfi olduğunu çok rahat söyleyebilirim.
Selamlar
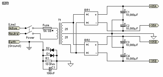
Kaynak bağlandığındaki az da olsa hum sorunu için, sanırım ayrı sargılardan dc elde edip,
her kanal için ayrı kullanırken,bir orta noktada GND oluşturmak gerekecek sanırım.
Bu durumda 2 kanal girişlerinden uA düzeyinde de olsa farklı akımlar engellenmiş olacaktır.
Bu konuda bir şeyler deneyeceğim.
Şebekeden gelen çıt-pıt harmonikleri, genellikle yerli üretim cihazlarda olur,
zira bizde tasarruf etmek için giriş filtreleri yurt içine satılan cihazlarda pek kullanılmaz.
Yurt dışına satılanlarda kesinlikle böyle bir ihmal söz konusu edilemez.
Devreniz tamamen metal içine alındığında da bu çıt-pıt sesler giriyorsa,
şebeke girişine SMPS lerde olduğu gibi bir EMI filte kullanmak gerekebilir.
Buna rağmen devre üzerinde bir şeyler yapıp bu rahatsız edici sesler engellenebilir,
ama detaylarda birlikte gider.
Kullandığınız fluoresanlar enduktif ballastlı mı?
Selamlar...

