basscanabi yazdı:merhaba Dr.Hardware
söylediğiniz değişiklikleri yapmaya çalıştım
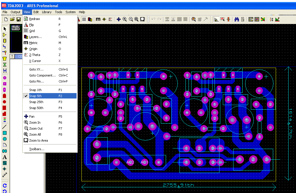
C9 ve C12 pcb'nin orta sol alt tarafta, küçük transistörlerin beslemesini ayrı yaptım, rezervuar kondansatörlerini çıkış transistörlerinin yanina koymak isterdim ama soğutucunun tam yanına gelecekti bildiğim kadarıyla ısı kondansatörler için pek iyi değil bu yüzden kondansatörleri 105 derecelik almayı düşünüyorum. biraz daha tuzlu ama olsun. besleme katına bunlardan 83v 4700u lardan 4 tane takacağım. paralel kondansatör kullanmanın faydaları hakkındaki açıklamanızı okudum ve birde beslemeye ek olarak 1,10,100n'luk kondansatörler kullanacağım belki filtrasyon etkisini artırır. geri besleme direncini jumper ile en kısa yoldan çıkışa bağladım. Size çok fazla sorun çıkardım

belkide nereden geldi, üye oldu bu diyorsunuz... ama inanın sizin ve diğer arkadaşların yorumları benim için çok değerli bunları söylerken kimseye yağ çekmek gibi bir amacım yok. son bir kez daha değerli yorumlarınızı büyük bir sabırsızlıkla bekliyorum...
İyi çalışmalar diliyorum
Saygılarımla
Yahu ne ilgisi var?
Biz bu siteyi bunun için kurduk! Ülkemin gençleri DIY Audio aleminden uzak kalmasın diye... Soru sormadan DIY mi olurmuş..
Belki arada sert çıkarız, kızarız, bağırırız ama sadece BU İŞ ADAM GİBİ YAPILSIN, ülkemin gençleri adam gibi müzik dinlesin diye! Yoksa; fırça atmaya meraklı olsam, 7 tane kuzu gibi elemanım var, her birine haftada bi gün fırça atsam ay biter
Neyse tıraşı kesecek olursak,
Bu sefer sonuca fazlaca yaklaşmışsın, bu iyiye işaret.
Yalnız sinyal girişi GND sini halen niye orda tuttuğunu anlamış değilim! Yaw getir şunu, şu 10ohm luk direncin üstüne... Ne işin var oralarda? Hattı uzatmak gürültüden başka bişey kazandırmaz insana!
On board kondansatörlerin yerleşimi güzel ve soğutucudan uzak olmaları da gayet isabetli olmuş.. Lakin oraya sığmaz bu arkadaşlar! 2200uF / 63v luk kondanslar genellikle 16/18mm çapında ve 7.5mm bacak aralığındadır, çizdiğin ise takriben 5/13mm lik, yani oraya sığmaz.. Ama muhakkak 2200uF mi kullanmak gerekir? Hayır 1000 de yeterli olabilir, tabii beslemeyle olan mesafeye bağlı. Kısa ve kalın kablolarla (2,5mm2) bağlarsan 1000 hatta 470 bile yeterli olur.
Neyse.. Sen şu PCB yi son haline getir de, diğer konuları konuşuruz.
Yaw sormayı unuttum. Sen bu 300W ampliyle napacaksın?