Uzun zaman üzerinde çalıştığım ancak bir türlü PCB sini sipariş edemediğim USB DAC projemi yayımlamaya karar verdim. Böylece belki 3 talipli daha bulursam Olimex'e PCB sipariş vermeyi düşünüyorum;
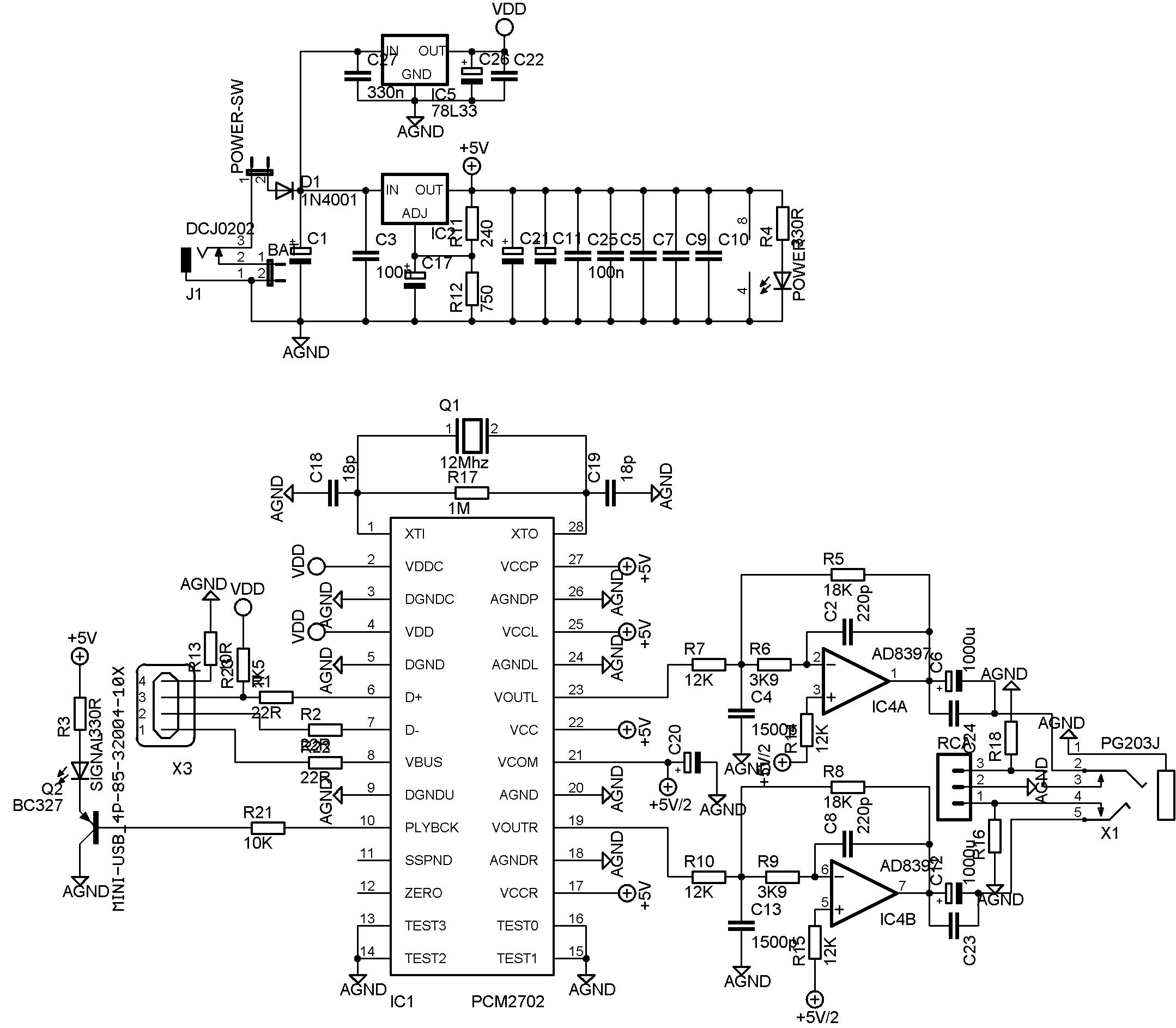
Uygulama şeması bu şekilde. TI'nin referans uygulaması baz alınmasına rağmen özellikle besleme devresinde ciddi revizyon yapıldı. Referans uygulamada USB power temel güç kaynağı olarak kullanılmış ancak bu durumda sistemin genel SNR'si epey düşüyor. Ben bunun yerine harici 9v ve iyi stabilize edilmiş bir güç kaynağı kullandım. Diğer yandan harici besleme yerine 9-12v luk bir batarya grubu daha iyi hizmet verecektir. Ayrıca analog kısım için on-board yüksek PSRR oranına sahip ek lineer regülatör ve digital kısım için bilindik 78 serisinin en küçüğü 78L33 kullandım. Böylece sayısal ve analog beslemeleri tamamen izole etmiş oldum.
Referans uygulamada kullanılan JFET girişli OPA353 yerine yüksek akım kapasiteli ve BJT girişli AD8397 kullandım. Bundan amacım DAC'ın direkt olarak 8-64 ohm yükleri sürebilmesiydi. Ayrıca orijinal uygulamadaki x1 kazanç yerine x1.5 kullanarak swing kapasitesini, ~1,6v RMS e çıkarttım. Böylece DAC hem bilindik CDP seviyesine çok yakın bir çıkış verdi, hem 64ohm yüke 40mW RMS çıkış seviyesi elde edildi ve görece yüksek giriş empedansları için (power amplifikatör vs..) buffer gerektirmeden çok yüksek sürüş kapasitesi ve dolayısıyla düşük SNR ve THD oranları elde edildi. (çıkış empedansı ~15R)
Sistem asimetrik beslemeyle çalıştığından çıkışta zorunlu olarak kondansatörlü kuplaj kullanıldı. Ancak audiophile kaliteyi muhafaza edebilmek adına çıkışlarda 1000µF/16v Elna Cerafine kullandım. Bu kondansatör adı üzerinde seramik alaşımlı bir yapıya ve oldukça detaycı bir mid/tiz karakteristiğine sahip olarak tanınır. Daha smooth ve yumuşak tonlama tercih edenler aynı değerde Elna Silmic II veya Blackgate tarzı bir kondansatör kullanabilirler.
Çıkışta AD8397 ile yaratılan alçak geçiren filtrenin kesim frekansı ~44Khz dir (çoğu müzik kaydı için örnekleme frekansı). MFB topolojisi ile tasarladığım filtrede tamamen Wima MKP türü yüksek kaliteli ve düşük toleranslı (%5) kondansatörler ve 1/8W metal film dirençler kullandım. Ayrıca op-ampın ARDZ kılıfını kullanarak PCB üzerinden soğutma sağladım ki kulaklık kullanımında herhangi bir termal sorun yaşanmasın..
Şimdilik proje üzerinde söyleyebileceklerim bunlar.
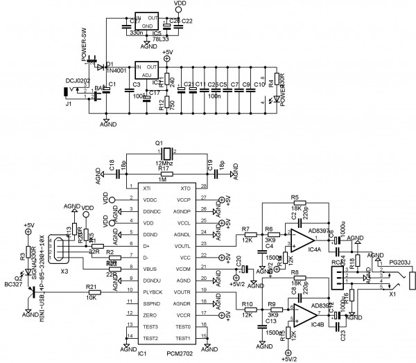
Proje için tasarladığım ve bastırmayı düşündüğüm PCB ise şu şekilde:
PCB boyutları : 40x100mm. Görüldüğü gibi montaj esnasında sorun çıkartabilecek iki komponent mevcut, birincisi ve en önemlisi PCM2702, AD8397 ise ona göre daha az "azılı" bir eleman, ama deneyimsizler için ikisi de ciddi sorun teşkil edebilir. Bu yüzden montajda muhakkak flux kullanılmalı.
Proje detaylarına sonra değineceğiz.
Başlangıçta amacım PCB için benden başka 3 kişi daha toplamak... Hatta +1 kişi için komple malzeme dahi mevcut arzu eden olursa..
Kolay gelsin.


