Çalışıyor

Yine Dr. ve emeği geçen herkese sonsuz teşekkürler proje için...
3-4 gün süren itinalı ve yorucu bir montaj aşamasından sonra bunun da ifadesini almış bulunmaktayım.
-Genel detayları vereyim:
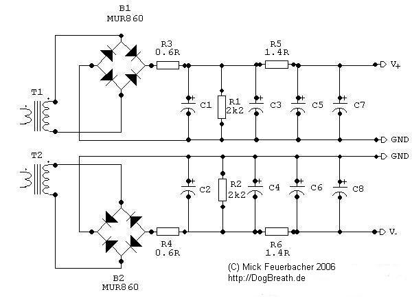
Besleme trafosu: noratel 2x28V 300VA
Besleme diyotları: byw29 ultrafast ayrık diyot
Besleme kondansatörleri: Nippon Chemi-Con audio pair, 22.000uF/56V
Regüle entegreleri: lm338
Bunun dışında daha önce de belirttiğim gibi, on board rezervuarlar ile regüle kartlarındaki tüm elektrolitikler panasonic fm ve fc serisi low-esr. Bütün 100n bypasslar rft mkp x2, bootstrap wima mkp 1uF %10 tolerans, sinyal kondansatörü mundorf mcap mkp 4,7uF %3 tolerans, 22n olan da wima fkp-2 %1 tolerans (teşekkürler Yıldıray

) Bütün dirençler metalfilm, 1/4 watt, %1 toleranslı ve %0,1 içinden match edilerek kullanıldı.
2sk170 lerimizin ne yazık ki "gr" grade olduğunu bu haftaiçinde farkettim

Bunlar banzaieffects den alınmıştı, bias ta ilk başta ciddi sorun yaşadım (bir kanalda 5,4 diğerinde 4,2ma'in üzerine çıkamadım) ancak elimde fazla olduğundan birkaç defa ccs jfetini değiştirerek daha yüksek idss bandına sahip olanlarını buldum, şu an birinde 8ma, diğerinde 7,1ma ya kadar çıkıyorum, ikisini de 6.1 ma ya ayarladım ve sorun yok. Banzai'den alacak olanlar için orijinallikten yana sorun yok, dezavantaj "gr" olmaları, sitede idss 6ma'dan büyük şeklinde satılıyor, ancak benim de tecrübe ettiğim üzere hepsi öyle değil, biraz fazlaca almakta yarar var ama doğru değere sahip olanını yakalamak için...
Gelelim çalışmasına: devre gürültü konusunda non-inverted'a göre biraz daha hassas, non-inverted regülesiz, şebeke filtresiz, sadece kaliteli bir trafo ve burada kullandığım pioneer kondansatörlerle ölü kadar sessizdi, bunu ilk açtığımda biraz rahatsız edici boyutta şebeke gürültüsü duydum, araya çamaşır makinesi şebeke filtresi koyunca ciddi biçimde azaldı ama, (15-20cm den belli belirsiz duyulur hale geldi) yeni aldığım sac kutuya koyup, sinyal kablolarını ve pot bağlantısını adam edince düzeleceğine eminim, zira şasi hattına elle dokunmak bile neredeyse duyulmaz hale getiriyor gürültüyü... Biraz da herşeyin açıkta durması etkiliyyordur sanırım gürültü oluşturmasını.
Sıra seste

İlk dinlediğiniz an keyiflenmemek elde değil. Kanal ayrımı mükemmel, Dr'un da daha önce belirttiği gibi detaylı bir ampli ve sanırım bu kanal ayrımını ve sahne genişliğini sağlayan detaylı olması. Baslarda non-inverted'a nazaran biraz daha zayıf gibi geldi, daha uzun vadeli testler ve farklı hoparlörlerle, adam gibi kablolamayla denemek lazım, bu denemede kullandığım hoparlörler pek bi dandirik pioneer'lar (cs serisi, tam modeli hatırlamıyorum). Ama kesinlikle canlı bir sesi var, mid ve tiz detaylar başdöndürücü. Bukadar kısa bir dinlemeden sonra (yaklaşık 1saat) sağlıklı karar vermek olanaksız, ama amplinin kalitesi de kendini belli ediyor, dinlediğim en iyi ampli değil tabi, ama yağtığım ve sahip olduğum en iyisi bu olacak sanırım... Daha uzun testler sonrası yorumlarımı güncellerim.
Bu çalışmayı yapmak ilk başta kafamda yoktu, sırf non-inverted gc ile kıyaslamak için yapmaya niyetlendim, toplu alımları, pcb leri filan kaçırmıştım. Bunları temin etmekte yardımcı olan Hazar, Emin abi, Yıldıray ve defalarca sorularımı yanıtlayan Dr. ile Erhan'a da ayrıca teşekkür ediyorum. İşte odanın ortasına saçılı vaziyette duran amplinin fotosu:
Çalıştığına inanmayan olursa video da eklenir
