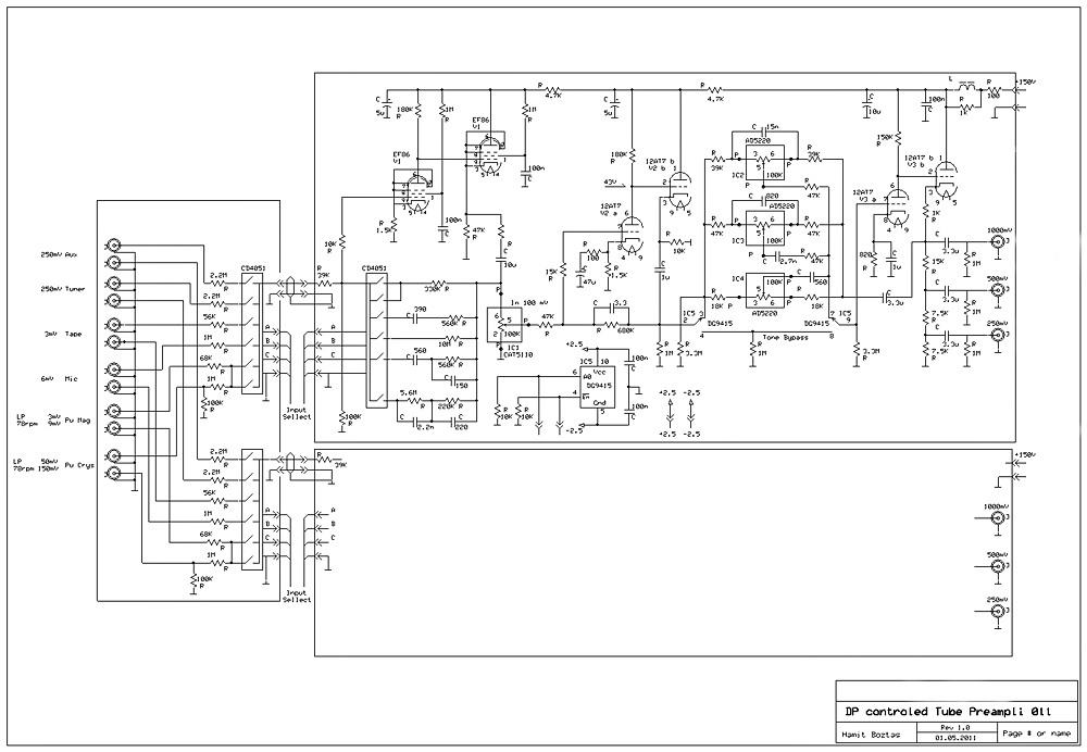
Proje hazırlıklarım devam ediyor.
Pwr Sply dan sonra sıra buna ve devamında tube-mosfet pwr ampli.ye gelecek.
Yol uzun ve elbette hiç de kolay değil.
Mullard'ın bir devresinden esinlenerek kurguladığım giriş devresinde,
RIAA ve diğer giriş seçenekleri 1M potansiyometre ve anod çıkış kullanımı gereği nedeni ile
yüksek empedanslarda tasarlanmış.
Ben devremde katod çıkış ve 100K potansiyometre kullanacağımdan,
çevre etkilerini de azaltmak amaçlı olarak,
yapım aşamasında daha düşük empedans düzeyinde yeniden düzenleyeceğim.
Selamlar...

