tl074 ve lm 833 opampları ile yapılmış tone kontrol yardım

Ön Yükselteç ve Ton Kontrol devreleri » Ön yükselteçler(preampli), equalizer ve ton kontrol devreleri hakkındaki soru(n)lar

tl074 ve lm 833 opampları ile yapılmış tone kontrol yardım

Okunmamış iletigönderen murat59 » 27 Haz 2009, 04:25

Resim
benim yaptığım devre
Resim


üstten görünüşü
Resim[/img]

devredeki sorun hakkında bilgilendiriseniz çok sevinirim arkadaşlar devreyi yaptım ancak devre çalışmıyor
murat59
Yeni Üye
 
İleti: 16
Kayıt: 27 Haz 2009, 01:30
İl: tekirdağ
Meslek: bilgisayar donanım


Cevap: tl074 ve lm 833 opampları ile yapılmış tone kontrol yardım

Okunmamış iletigönderen e154 » 27 Haz 2009, 13:19

bu ton kontrol değil subwoofer kontrol. sorun nedir?
e154
DIY Audio Gurusu
 
İleti: 967
Kayıt: 25 Tem 2007, 02:19
İl: Ankara
Meslek: Elektrik Teknikeri

Cevap: tl074 ve lm 833 opampları ile yapılmış tone kontrol yardım

Okunmamış iletigönderen murat59 » 27 Haz 2009, 14:43

devreye elektrik verdiğimde lıne ın ve çıkışlar doğru bağlı ancak devreden ses çıkmıyor sadece pıt pıt sesi ve hafiften cızırtı geliyor bide şemada ben r12 direncini 4.7 k ohm bu direnç şemada var ancak plaket montaj kısmında r13 var r12 yok
murat59
Yeni Üye
 
İleti: 16
Kayıt: 27 Haz 2009, 01:30
İl: tekirdağ
Meslek: bilgisayar donanım

Cevap: tl074 ve lm 833 opampları ile yapılmış tone kontrol yardım

Okunmamış iletigönderen Admiral » 27 Haz 2009, 16:07

tl074 tersmi koyulmuş? benmi öyle gördüm
Tda1554-Tda7294-Tda8560-Tda1562-Tda2052-Tda7560-Tda2003- Lm1875
Kullanıcı avatarı
Admiral
DIY Audio Fanatiği
 
İleti: 128
Kayıt: 20 Mar 2008, 19:04
Konum: Antalya
İl: Antalya

Cevap: tl074 ve lm 833 opampları ile yapılmış tone kontrol yardım

Okunmamış iletigönderen e154 » 27 Haz 2009, 16:49

kartın iki taraflı gayet net çekilmiş fotoları gerekli.
e154
DIY Audio Gurusu
 
İleti: 967
Kayıt: 25 Tem 2007, 02:19
İl: Ankara
Meslek: Elektrik Teknikeri

Cevap: tl074 ve lm 833 opampları ile yapılmış tone kontrol yardım

Okunmamış iletigönderen murat59 » 27 Haz 2009, 18:08

telin kamerasından çektiğim için çok net diil ama yaptığım bağlantıları yazdım
Resim

Resim

bu arada devre şemasınd abi yanlışlık warmı dediğim gibi şemada r12 direnci war ama kartın üstünde r12 yi bulamadım üsteki resimdede dikktli, bakarsanız r12 yi ben göremedim
murat59
Yeni Üye
 
İleti: 16
Kayıt: 27 Haz 2009, 01:30
İl: tekirdağ
Meslek: bilgisayar donanım

Reklamlar

Cevap: tl074 ve lm 833 opampları ile yapılmış tone kontrol yardım

Okunmamış iletigönderen e154 » 27 Haz 2009, 19:29

devrenin beslemesi nasıl tarfosu filan. 78** regülatörlerin çkışında ve girişinde kaç volt var?
e154
DIY Audio Gurusu
 
İleti: 967
Kayıt: 25 Tem 2007, 02:19
İl: Ankara
Meslek: Elektrik Teknikeri

Cevap: tl074 ve lm 833 opampları ile yapılmış tone kontrol yardım

Okunmamış iletigönderen murat59 » 27 Haz 2009, 19:48

devrenin doğrultucudan çıktıktansonraki gerilimi 2x15 78** lerin çıkışını ölçtüğümde 2x12 volt
murat59
Yeni Üye
 
İleti: 16
Kayıt: 27 Haz 2009, 01:30
İl: tekirdağ
Meslek: bilgisayar donanım

Cevap: tl074 ve lm 833 opampları ile yapılmış tone kontrol yardım

Okunmamış iletigönderen e154 » 27 Haz 2009, 22:13

devreyi, ne için kullanacaksınız önce onu belirleyelim_?
e154
DIY Audio Gurusu
 
İleti: 967
Kayıt: 25 Tem 2007, 02:19
İl: Ankara
Meslek: Elektrik Teknikeri

Cevap: tl074 ve lm 833 opampları ile yapılmış tone kontrol yardım

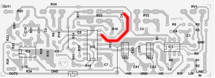
Okunmamış iletigönderen e_cag » 28 Haz 2009, 02:16

Baskı devrede R12 yok. Kart üzerinde işaretlediğim hat kesilip R12 ile birleştirilmeli. Devrenin çalışmasına emgel olacağını sanmıyorum ama çok da kafa yormuş değilim.
crosswords.jpg
Yaptım yaptım kutulayamadım.
Kullanıcı avatarı
e_cag
DIY Audio Gurusu
 
İleti: 1416
Kayıt: 10 Oca 2008, 02:06
Konum: Istanbul
İl: İstanbul
Meslek: Kimyager

Sonraki

Ön Yükselteç ve Ton Kontrol devreleri


 


  • Bu konular da ilginizi çekebilir:
    Cevaplar
    Gösterim
    Son ileti

Kimler çevrimiçi

Bu forumu görüntüleyenler: Google [Bot] ve 0 misafir