gönderen chf » 27 Ekm 2015, 12:01
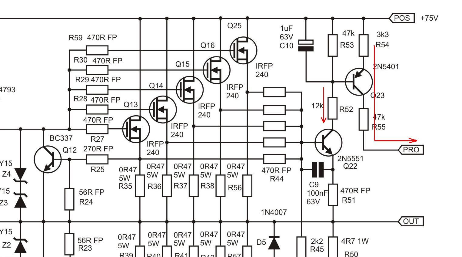
Yani bu senin işaretlediğin proamp1,2 girişi amfi çıkışı kısa devre olduğunda çalışıyor.. Devredeki diğer bölümler zaaten DC koruması ve sıcaklık koruması + fan ...Devredeki işaretlediğim oklar; sadece devrenin çalışma yönünü göstermek içindir..
- Eklentiler
-

En son chf tarafından, 27 Ekm 2015, 12:29 tarihinde değiştirildi, toplamda 2 değişiklik yapıldı.