pga2311

Ön Yükselteç ve Ton Kontrol devreleri » Ön yükselteçler(preampli), equalizer ve ton kontrol devreleri hakkındaki soru(n)lar

pga2311

Okunmamış iletigönderen crazy4blue » 01 Ağu 2015, 22:31

arkadaşlar merhaba. elimde daha önce yaptığım pga2311 gayet güzel çalışıyor. fakat dikkatimi birşey çekti. sesi +10 un üzerine çektiğimde her kademe artışında plop plop sesi yapıyor. müzik varken bunu yapmıyor ama müzik yokken bu sesi duyabiliyorum. elinde bu devreden olup bu sorunu yaşayan ya da bunu deneyen var mı?
çok gerkli değil çünkü sesi zaten 0 ın üstüne getiremiyorum aşırı yüksek zaten ama yine de kafama takıldı.
crazy4blue
DIY Audio Fanatiği
 
İleti: 117
Kayıt: 08 Kas 2013, 02:36
İl: kocaeli
Meslek: Öğretmen


Ynt: pga2311

Okunmamış iletigönderen Hazar » 01 Ağu 2015, 22:37

0dB %100 ses seviyesi manasında. Artı değerler artık amplifikasyona giriyor, öncelikle bunu belirteyim.

Plop sesi zero crossing kaynaklı olsa gerek, çok uzun zaman geçti üzerinden ama PGA'nın bu özelliği vardı ve devrede aktif konuma almak için gerekli işlemleri yapmıştım diye hatırlıyorum.
Rüzgar ters esiyorsa, yelkenlerini rüzgar yönüne göre ayarlamaya bak; çünkü dünya çektiğin sıkıntılarla değil, gemiyi limana ulaştırıp ulaştıramadığınla ilgilenir.
ResimDIY Audio Türkiye Facebook Sayfası
Hazar
Site Sorumlusu
Site Sorumlusu
 
İleti: 1057
Kayıt: 12 Arl 2006, 12:20
İl: İstanbul

Ynt: pga2311

Okunmamış iletigönderen crazy4blue » 01 Ağu 2015, 23:15

Hazar yazdı:0dB %100 ses seviyesi manasında. Artı değerler artık amplifikasyona giriyor, öncelikle bunu belirteyim.

Plop sesi zero crossing kaynaklı olsa gerek, çok uzun zaman geçti üzerinden ama PGA'nın bu özelliği vardı ve devrede aktif konuma almak için gerekli işlemleri yapmıştım diye hatırlıyorum.

evet zero crossing aktif. en azından datasheetteki gibi bağlantıları.
crazy4blue
DIY Audio Fanatiği
 
İleti: 117
Kayıt: 08 Kas 2013, 02:36
İl: kocaeli
Meslek: Öğretmen

Ynt: pga2311

Okunmamış iletigönderen onursal » 02 Ağu 2015, 12:41

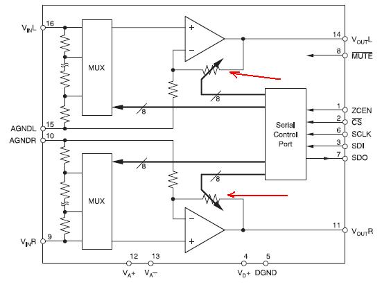
PGA.png
PGA

İlgili entegrenin data sheetlerinde digital ground ile analog ground'un kesinlikle ayrı ayrı yapılması, hatta digital kontrol için ayrı bir besleme önerilmiştir.
baskı devre yapım tekniklerini ve devreye montaj şekliniz burada çok önem arzetmektedir.
Kullanıcı avatarı
onursal
DIY Audio Gurusu
 
İleti: 840
Kayıt: 03 Ağu 2010, 01:56
İl: ankara
Meslek: broadcasting

Ynt: pga2311

Okunmamış iletigönderen crazy4blue » 02 Ağu 2015, 14:31

hmm. ozaman ayrı bir kart tasarlayıp deneyeyim. Teşekkür Ederim.
crazy4blue
DIY Audio Fanatiği
 
İleti: 117
Kayıt: 08 Kas 2013, 02:36
İl: kocaeli
Meslek: Öğretmen

Ynt: pga2311

Okunmamış iletigönderen maystor » 02 Ağu 2015, 17:16

Aynı ses bende de var 0 ın üstünde
SADECE KENDİN OL!
Kullanıcı avatarı
maystor
DIY Audio Gurusu
 
İleti: 504
Kayıt: 11 Mar 2008, 14:32
Konum: istanbul
İl: istanbul
Meslek: makine otomasyonu

Reklamlar

Ynt: pga2311

Okunmamış iletigönderen chf » 02 Ağu 2015, 20:19

Gelmişken ben de bir şeyler yazayım izninizle.. 0 dB ;gerilim kazancının 1 olması durumu.. Yani girenle çıkan aynı voltajda... Biz bunu +10dB e ayarlarsak gerilim kazancını 3.16 kat olarak alıyoruz...Farz edelim ki girişe Rms 1.5 volt verdik ...Çıkışta 10db artış ila 1.5x3.16=4.74 alıyoruz... Peki besleme gerilimimiz ne kadar 5 volt....Eğer giriş gerilimi 1.5 voltun üstüne çıkarsa 3.16 kat artmayla besleme geriliminin üstüne çıkmış bir kazanç vermiş oluyoruz ve sinyal kırpılıyor.. Bu kazancın üzerine çıkıldığında (örneğin +12dB=4kat)gene Sinyal kırpmaya uğruyor...Bundan olabilir mi acaba...(Gerçi Programlama konusunda bir bilgim yok)
Eklentiler
adsız.JPG
adsız.JPG (27.64 KiB) 738 defa görüntülendi
chf
DIY Audio Gurusu
 
İleti: 440
Kayıt: 26 Haz 2013, 14:25
İl: izmir

Ynt: pga2311

Okunmamış iletigönderen crazy4blue » 02 Ağu 2015, 20:35

chf yazdı:Gelmişken ben de bir şeyler yazayım izninizle.. 0 dB ;gerilim kazancının 1 olması durumu.. Yani girenle çıkan aynı voltajda... Biz bunu +10dB e ayarlarsak gerilim kazancını 3.16 kat olarak alıyoruz...Farz edelim ki girişe Rms 1.5 volt verdik ...Çıkışta 10db artış ila 1.5x3.16=4.74 alıyoruz... Peki besleme gerilimimiz ne kadar 5 volt....Eğer giriş gerilimi 1.5 voltun üstüne çıkarsa 3.16 kat artmayla besleme geriliminin üstüne çıkmış bir kazanç vermiş oluyoruz ve sinyal kırpılıyor.. Bu kazancın üzerine çıkıldığında (örneğin +12dB=4kat)gene Sinyal kırpmaya uğruyor...Bundan olabilir mi acaba...(Gerçi Programlama konusunda bir bilgim yok)

olabilir hocam. benim de aklıma bu geliyor. peki biz bu giriş gerilimini düşük tutmanın bir yolu yok mu?
şöyle ki ben devrede yaptığım denemelerde giriş sinyal yük direncini 50 ohm gibi bir değer kullandığımda (giriş sesini iyice kıstığımda ) +31 de dahi bu sesi yapmıyor. herhalde bu dediğinizden dolayı olabilir.
crazy4blue
DIY Audio Fanatiği
 
İleti: 117
Kayıt: 08 Kas 2013, 02:36
İl: kocaeli
Meslek: Öğretmen

Ynt: pga2311

Okunmamış iletigönderen crazy4blue » 02 Ağu 2015, 20:38

bu arada şöyle de bir durum var. girişte sinyal yokken de bu sesi yapıyor.
crazy4blue
DIY Audio Fanatiği
 
İleti: 117
Kayıt: 08 Kas 2013, 02:36
İl: kocaeli
Meslek: Öğretmen

Ynt: pga2311

Okunmamış iletigönderen chf » 02 Ağu 2015, 20:47

Ama sesi kıstığınızda yapmıyormuş denemelerinize göre...Zaaten devrenin giriş direnci 10k imiş... O zaman iki girişe de bir gerilim bölücü direnç koyabilirsiniz...+31 desibel yaklaşık 35 kat ediyor zaten..35 kat kazançla girişe maximum yaklaşık 100 milivolt RMS verilmeli kanaatime göre...
Eklentiler
adsız1.JPG
adsız1.JPG (14.04 KiB) 727 defa görüntülendi
chf
DIY Audio Gurusu
 
İleti: 440
Kayıt: 26 Haz 2013, 14:25
İl: izmir

Sonraki

Ön Yükselteç ve Ton Kontrol devreleri


Kimler çevrimiçi

Bu forumu görüntüleyenler: Google [Bot] ve 0 misafir