cagdasbay yazdı:Tamamdır teşekkürler. Tek bi yerde de değildi o şekilde hesap. Bi kaç yerde gördüm nette. Aradım tekrar bulurmuyum diye amaBi kaç gündür o kadar çok gezindim ki, kimbilir nerdeydi...
Denkgelirsem yine koyarım buraya. Şimdi gelelim asıl soruyaLm358 le iki giriş tek çıkış preamp yapayım dedim. Çıkışları birleştirdiğimde ses bozuluyo. Acayip gürültülü veriyo. Cızır cızır. Aşırı sürülüyomuş gibi sanki. Mesela bağlamanın sesini sanki distortion efektli gibi veriyo
yada insan sesini cızırtılı... Ama kazançla alakası yok, çıkışları ayırınca düzeliyo. Gayet temiz veriyo sesi.
Bu mixing işini nasıl yapıcam. Çıkışlara birer direnç pot vs koysam da aynı, birleştirince cazır cuzur oluyo ses...
Naapabilirim?
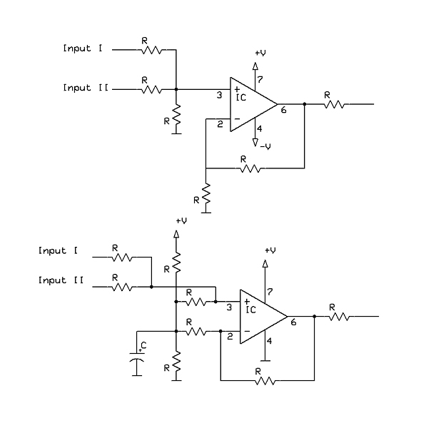
Prensip olarak ekteki devreler kurulabilir.
Tek beslemeli olan alttaki devre girişlerine kondansatör eklemek şart tabii.
Opampların çıkışları birleştirilmez,
zira her biri push-pull olarak dizayn edilmiştir ve iki push-pull devreyi birleştirmek
sorun yaratır.
