Opamp preamp hakkında

Ön Yükselteç ve Ton Kontrol devreleri » Ön yükselteçler(preampli), equalizer ve ton kontrol devreleri hakkındaki soru(n)lar

Opamp preamp hakkında

Okunmamış iletigönderen cagdasbay » 09 Şub 2011, 00:18

Selamlar

Opampın invert girişiyle non-invert girişi arasındaki fark nedir?
Soruyu biraz daraltiyim. Hangi durumda ne şekilde kullanılır? Aynı amaçla yapılmış preamp devrelerinde non invertin kullanıldığı devreler de var invert girişin kullanıldığı da. Mesela bir ton kontrol devresinde faz terslemenin amacı ne olabilir ki?

Head9.gif
Head9.gif (3.38 KiB) 2703 defa görüntülendi

Circuit_Pre_MIC_(microphone_preamplifier)_2_CH_by_IC__NE5532_or_LF353.jpg


İkisi de mikrofon vs için kullanılabilcek preamplar sanırım ama aralarındaki fark nedir?

Opamplar hakkında dökümanlar bulup kurcaladım ama pek de bişey anlamadım :?
cagdasbay
DIY Audio Fanatiği
 
İleti: 105
Kayıt: 29 Ağu 2010, 10:24
İl: muğla
Meslek: mak müh


Ynt: Opamp preamp hakkında

Okunmamış iletigönderen hamist » 01 May 2011, 00:22

İkisi de neredeyse aynı devre denebilir,
ancak üstteki tek besleme kullanıyor,
ki bu nedenle R2 ve R3 dirençleri ile
besleme gerilimini 2 ye bölmüş,
alttaki 2X (-/+V).

- giriş, giriş sinyali veya voltajını ters çevirir,
+ aynı şekilde çıkışa iletir,
tabii devrenin kazancı oranında kuvvetlendirme
yaparak.
Tüketimleri ile ünlü ülkelerin tarihlerini üreten ülkeler yazar.
hamist
DIY Audio Gurusu
 
İleti: 1401
Kayıt: 24 Mar 2011, 23:45
İl: istanbul
Meslek: endüstriel elektronik

Ynt: Opamp preamp hakkında

Okunmamış iletigönderen cagdasbay » 01 May 2011, 02:37

Hortlamış bi başlık :D üzerinden epey zaman geçmiş olmasına karşın cevap yazdığınız için teşekkürler.
hamist yazdı:- giriş, giriş sinyali veya voltajını ters çevirir,
+ aynı şekilde çıkışa iletir,


cagdasbay yazdı:Aynı amaçla yapılmış preamp devrelerinde non invertin kullanıldığı devreler de var invert girişin kullanıldığı da. Mesela bir ton kontrol devresinde faz terslemenin amacı ne olabilir ki?

Girişteki sinyali ters çevirmek... Ses devrelerinde ne gibi bi amacı var ki?
cagdasbay
DIY Audio Fanatiği
 
İleti: 105
Kayıt: 29 Ağu 2010, 10:24
İl: muğla
Meslek: mak müh

Ynt: Opamp preamp hakkında

Okunmamış iletigönderen hamist » 01 May 2011, 15:07

Opampların asıl amaçları arasında audio devreler daha alt sıralarda kalır.
Endüstriel uygulamalarda - ve + girişler çok değişik kombinasyonlarda
kullanılır.
En az kullanıldığı yerlerdir audio devreleri,
yakın zamandan beri üretilebilen low noise opamplar
audio devrelerine girmeye başlamıştır.

Bu nedenle iyiki birileri bu güzel minikleri kullanıma sürmüşler.
:)
Tüketimleri ile ünlü ülkelerin tarihlerini üreten ülkeler yazar.
hamist
DIY Audio Gurusu
 
İleti: 1401
Kayıt: 24 Mar 2011, 23:45
İl: istanbul
Meslek: endüstriel elektronik

Ynt: Opamp preamp hakkında

Okunmamış iletigönderen cagdasbay » 18 Kas 2011, 00:40

Bir soru daha;

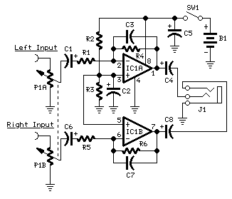
1. resimdeki devrede r2 r3 dirençlerinin değerinin önemi nedir? ECM yada piezo disk yada cdp için bu değer değişir mi?
cagdasbay
DIY Audio Fanatiği
 
İleti: 105
Kayıt: 29 Ağu 2010, 10:24
İl: muğla
Meslek: mak müh

Ynt: Opamp preamp hakkında

Okunmamış iletigönderen hamist » 18 Kas 2011, 01:41

cagdasbay yazdı:Bir soru daha;

1. resimdeki devrede r2 r3 dirençlerinin değerinin önemi nedir? ECM yada piezo disk yada cdp için bu değer değişir mi?


1.Devredeki R2 R3 dirençleri dikkat edilirse 2. devrede yoktur.
Ama, 2. nin -12 +12V besleme kullanılmasına karşın.
1. devre batarya kullanılarak single-sply. denilen tek besleme kullanmıştır,

Buradan hareketle, birinci devrede kullanılan opamp.ın single-sply. olmaması nedeni ile
suni olarak besleme voltajını ikiye bölerek opampın batarya ile kullanılması sağlanmış.
Yani, eğer batarya 9V ise, R2 ve R3 dirençleri kullanılarak opamp.ın sanal olarak
-4.5 +4.5V gibi çalışması sağlanmıştır.

Umarım yardımcı olabilmişimdir.
Tüketimleri ile ünlü ülkelerin tarihlerini üreten ülkeler yazar.
hamist
DIY Audio Gurusu
 
İleti: 1401
Kayıt: 24 Mar 2011, 23:45
İl: istanbul
Meslek: endüstriel elektronik

Reklamlar

Ynt: Opamp preamp hakkında

Okunmamış iletigönderen cagdasbay » 18 Kas 2011, 11:17

Aslında o kısmı tamam, sorun;
bu direncin değeri neyi etkiliyor. Neye göre değişiyor. Kimi yerde 10k kimi yerde 1mΩ.

Biyerde okudum, kullanılan direçler 1mΩ , giriş empedansı 1m/2=500k ... Doğru mudur?
cagdasbay
DIY Audio Fanatiği
 
İleti: 105
Kayıt: 29 Ağu 2010, 10:24
İl: muğla
Meslek: mak müh

Ynt: Opamp preamp hakkında

Okunmamış iletigönderen Icarus » 18 Kas 2011, 11:55

cagdasbay yazdı:Opampın invert girişiyle non-invert girişi arasındaki fark nedir?
Soruyu biraz daraltiyim. Hangi durumda ne şekilde kullanılır? Aynı amaçla yapılmış preamp devrelerinde non invertin kullanıldığı devreler de var invert girişin kullanıldığı da. Mesela bir ton kontrol devresinde faz terslemenin amacı ne olabilir ki?

Audio için + ile - arasında ne fark var bilmiyorum. Ama normalde şöyle bir problem var.
Bizim elemanlarımız ideal değiller öyle ki geri besleme yoluna bağlanmış bir direnç aslında bir LCR filitresi olarak davranıyor.
Bu yüzden parazit ile kararlılık arasında bir seçim yapmamız gerekiyor.
cagdasbay yazdı:Opamplar hakkında dökümanlar bulup kurcaladım ama pek de bişey anlamadım :?

http://www.amazon.com/Amp-Applications- ... 0750678445
Sanırım buradan ücretsizde indirilebiliyor
http://www.analog.com/library/analogDia ... dbook.html
Kullanıcı avatarı
Icarus
Yeni Üye
 
İleti: 39
Kayıt: 18 Ağu 2011, 12:48
İl: İstanbul
Meslek: Fizikçi

Ynt: Opamp preamp hakkında

Okunmamış iletigönderen hamist » 18 Kas 2011, 14:10

cagdasbay yazdı:Aslında o kısmı tamam, sorun;
bu direncin değeri neyi etkiliyor. Neye göre değişiyor. Kimi yerde 10k kimi yerde 1mΩ.

Biyerde okudum, kullanılan direçler 1mΩ , giriş empedansı 1m/2=500k ... Doğru mudur?


Hayır o dirençlerin empedansa böyle davranma hakları yok,
kaldıki şemada bir C2 kondansatörü var,
ki bu da oradaki empedansı dibe çeker,
Ama bu devrede invert girişinde seçilen R4 ve R1 dirençleri
kazanç ve empedansınızı belirler.

R2 ve R3 dirençlerinin kullanım amacı,
genellikle tek besleme kullanılmak zorunda kalındığında opamp için negatif (-Vcc)besleme sağlamaktır.
Yoksa non invert girişi direkt olarak ortak uca (comm.) bağlanacak olsa, opamp çalışmayacaktır.
Bu sorun NPN veya N chnl. fet girişli opamplarda olur.
PNP veya P chnl. fet girişli opamplarda genellikle sorun yaratmazlar.

Kısaca, bu opamplar invert ve non invert girişi ile -Vcc arasında bir potansiyel fark gerektirir,
o nedenle bu dirençler kullanılıyor.
Oranları da genellikle 1/2 olur, bazı istisnai uygulamalarda buraya ayarlı direnç konarak
çıkış voltajının bir başka voltajla karşılaştırılması gerekebilir.

http://www.national.com/an/AN/AN-31.pdf

bu linkte opampların değişik uygulamaları ve hesaplamalarını göreceksiniz.

Selamlar kolay gelsin...
Tüketimleri ile ünlü ülkelerin tarihlerini üreten ülkeler yazar.
hamist
DIY Audio Gurusu
 
İleti: 1401
Kayıt: 24 Mar 2011, 23:45
İl: istanbul
Meslek: endüstriel elektronik

Ynt: Opamp preamp hakkında

Okunmamış iletigönderen cagdasbay » 18 Kas 2011, 22:44

Tamamdır teşekkürler. Tek bi yerde de değildi o şekilde hesap. Bi kaç yerde gördüm nette. Aradım tekrar bulurmuyum diye ama :) Bi kaç gündür o kadar çok gezindim ki, kimbilir nerdeydi...
Denkgelirsem yine koyarım buraya. Şimdi gelelim asıl soruya :) Lm358 le iki giriş tek çıkış preamp yapayım dedim. Çıkışları birleştirdiğimde ses bozuluyo. Acayip gürültülü veriyo. Cızır cızır. Aşırı sürülüyomuş gibi sanki. Mesela bağlamanın sesini sanki distortion efektli gibi veriyo :D yada insan sesini cızırtılı... Ama kazançla alakası yok, çıkışları ayırınca düzeliyo. Gayet temiz veriyo sesi.
Bu mixing işini nasıl yapıcam. Çıkışlara birer direnç pot vs koysam da aynı, birleştirince cazır cuzur oluyo ses...

Naapabilirim?
cagdasbay
DIY Audio Fanatiği
 
İleti: 105
Kayıt: 29 Ağu 2010, 10:24
İl: muğla
Meslek: mak müh

Sonraki

Ön Yükselteç ve Ton Kontrol devreleri


 


  • Bu konular da ilginizi çekebilir:
    Cevaplar
    Gösterim
    Son ileti
  • Dual opamp single opamp hakkında bilgi
    Eklenti(ler) gönderen Sensation45 » 02 Haz 2017, 01:51
    3 Cevaplar
    1659 Gösterim
    Son ileti gönderen chf Son iletiyi göster
    04 Haz 2017, 11:40
  • Kaliteli opamp tavsiyesi
    gönderen explorer » 23 Mar 2011, 15:15
    3 Cevaplar
    1932 Gösterim
    Son ileti gönderen e_cag Son iletiyi göster
    24 Mar 2011, 13:49
  • 33078 opamp'ı nasıl bilirsiniz
    gönderen maystor » 11 Tem 2008, 21:49
    4 Cevaplar
    1411 Gösterim
    Son ileti gönderen maystor Son iletiyi göster
    12 Tem 2008, 13:06
  • Modifiye İçin Opamp Arıyorum
    Eklenti(ler) gönderen octave » 05 Oca 2016, 19:10
    0 Cevaplar
    943 Gösterim
    Son ileti gönderen octave Son iletiyi göster
    05 Oca 2016, 19:10
  • LME49740 preamp
    gönderen caglarm » 15 May 2011, 23:33
    4 Cevaplar
    1828 Gösterim
    Son ileti gönderen caglarm Son iletiyi göster
    16 May 2011, 01:00

Kimler çevrimiçi

Bu forumu görüntüleyenler: Google [Bot] ve 0 misafir