İster tümünü yap ister parça parça...birgitay yazdı:Peki Kapsül nedir? Burada kullanılcak Mikrofon , ne amaçlı kazanç sağlıyor ? Vokal için mi ? Panasonic Vm61 Kapsül ile çalışmam vardı benim . Akg C411'i kopyalamıştı çalıştı ama , hala tam olarak , iyi bir Kapsül bulamadığımdan öylece elimde duruyor devre.
birgitay yazdı:Oho Marka'lı bir Mixer'in Preamp katı işimize yaramaz. Ben Akustik Çalgıların gerçek Frekans aralıklarını algılayacak bir Şema sandım. AMA PAYLAŞIM İÇİN SAĞOL. wM61e gelince Almanya'dan bir abimiz getirecekti hala kendiside gelmedi. Benim çalışmalarda o yüzden yatıyor.

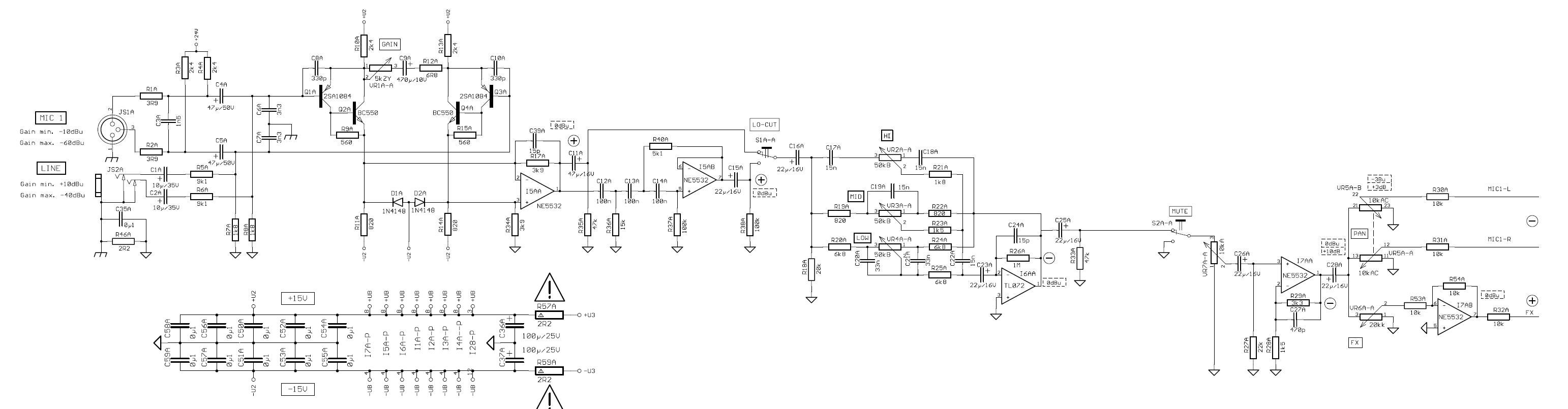
Ön Yükselteç ve Ton Kontrol devreleri
Bu forumu görüntüleyenler: Google [Bot] ve 0 misafir