Aktif Crossover Hesabı

Ön Yükselteç ve Ton Kontrol devreleri » Ön yükselteçler(preampli), equalizer ve ton kontrol devreleri hakkındaki soru(n)lar

Aktif Crossover Hesabı

Okunmamış iletigönderen birgitay » 16 Tem 2015, 19:38

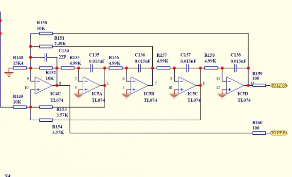
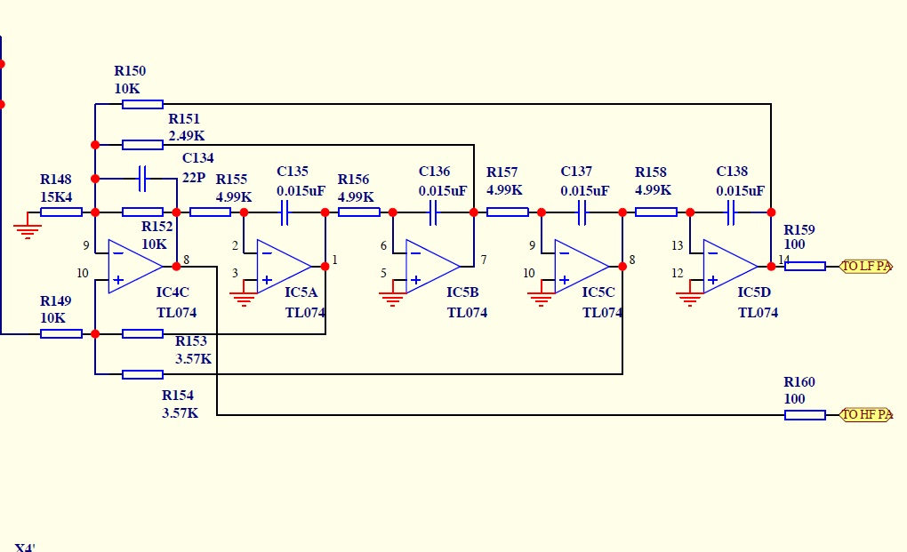
Resimdeki devrede , Frekans değerlerini nasıl değiştirebiliriz? Biraz araştırmama göre , kondansatör vede direnç değerine göre 3 çeşit hessap yapılıyormuş.... Butterworth , bessel , chebyshev ...... Yalnız db. octave hesabını hangi ölçüye yada mantığa göre yapılmış yada hangi sınıfa göre tasarlanmış birde nasıl hesap yapmamız gerekir ?
Eklentiler
crossover.jpg
Facebook Elektronik üzerine sayfam : https://www.facebook.com/groups/1216358921722507/
birgitay
DIY Audio Gurusu
 
İleti: 896
Kayıt: 04 Nis 2012, 22:16
İl: Kocaeli
Meslek: Elektronik


Ynt: Aktif Crossover Hesabı

Okunmamış iletigönderen maystor » 16 Tem 2015, 21:44

SADECE KENDİN OL!
Kullanıcı avatarı
maystor
DIY Audio Gurusu
 
İleti: 504
Kayıt: 11 Mar 2008, 14:32
Konum: istanbul
İl: istanbul
Meslek: makine otomasyonu

Ynt: Aktif Crossover Hesabı

Okunmamış iletigönderen birgitay » 16 Tem 2015, 21:55

Buradaki devreyi vede frekans hesabını biliyorum zira , benim yayınladığım devrenin çalışması hangi frekans aralığına vede hangi sınıfa göre yapılmış onu bilmem lazım.
Facebook Elektronik üzerine sayfam : https://www.facebook.com/groups/1216358921722507/
birgitay
DIY Audio Gurusu
 
İleti: 896
Kayıt: 04 Nis 2012, 22:16
İl: Kocaeli
Meslek: Elektronik

Ynt: Aktif Crossover Hesabı

Okunmamış iletigönderen chf » 16 Tem 2015, 22:06

birgitay yazdı:Buradaki devreyi vede frekans hesabını biliyorum zira , benim yayınladığım devrenin çalışması hangi frekans aralığına vede hangi sınıfa göre yapılmış onu bilmem lazım.


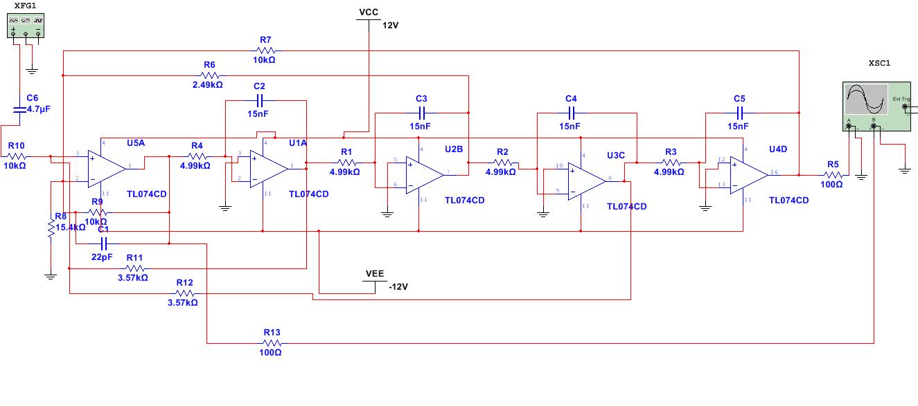
Selamlar...Ölçtüm biçtim ve şöyle bir formül çıkardım ; eğime başladığı frekans noktası f= 0.08/(RXC) devredeki R=4.99k C= 0.015mf(15nf) ve bu hesaba göre 4.99k ların (hepsini aynı anda) değerini değiştirerek frekans ayarı yapıla biliyor..Yani şu anki devre frekansı(4.99k için) 1kHz ölçüldü..
Eklentiler
LF-HF.JPG
En son chf tarafından, 16 Tem 2015, 23:06 tarihinde değiştirildi, toplamda 1 değişiklik yapıldı.
chf
DIY Audio Gurusu
 
İleti: 440
Kayıt: 26 Haz 2013, 14:25
İl: izmir

Ynt: Aktif Crossover Hesabı

Okunmamış iletigönderen birgitay » 16 Tem 2015, 22:08

Similasyonda denedin sanırım...... Aslında iyi fikir.... Girişe yüksek frekans verdiğinde sadece 1 khz mi geçiriyor ? Kaç Db. Octave düşüyor frekans yükseldikçe ?
Facebook Elektronik üzerine sayfam : https://www.facebook.com/groups/1216358921722507/
birgitay
DIY Audio Gurusu
 
İleti: 896
Kayıt: 04 Nis 2012, 22:16
İl: Kocaeli
Meslek: Elektronik

Ynt: Aktif Crossover Hesabı

Okunmamış iletigönderen chf » 16 Tem 2015, 22:23

birgitay yazdı:Similasyonda denedin sanırım...... Aslında iyi fikir.... Girişe yüksek frekans verdiğinde sadece 1 khz mi geçiriyor ? Kaç Db. Octave düşüyor frekans yükseldikçe ?


LF Çıkışı 1kHz den sonra ani düşüş yapıyor...Biraz eğimli tabi...4 adet filtre 6dB /oct dan 24 dB eder sanırsam... HF 4kHz de düşüş yapıyor...LF ve HF 2Khz de birleşiyor yani aynı genlikli oluyor...
En son chf tarafından, 16 Tem 2015, 22:41 tarihinde değiştirildi, toplamda 1 değişiklik yapıldı.
chf
DIY Audio Gurusu
 
İleti: 440
Kayıt: 26 Haz 2013, 14:25
İl: izmir

Reklamlar

Ynt: Aktif Crossover Hesabı

Okunmamış iletigönderen birgitay » 16 Tem 2015, 22:41

4Khz'de frekans kestiğine göre tweeter için. Bundaki amaç şu olacak , elimizdeki her hoparlöre göre frekans kesim değeri yapılacak. Bu devrenin önceliğinde 6 bant eq var.... Aktif amplifkatör için olacak. Zira similasyonu nerede yaptın? Proteus kaçta? Banada gönderirmisin setupını ? Yada simule etmeyi öğrendiğim zaman kendim istediğim frekansa göre tasarlarım ......
Facebook Elektronik üzerine sayfam : https://www.facebook.com/groups/1216358921722507/
birgitay
DIY Audio Gurusu
 
İleti: 896
Kayıt: 04 Nis 2012, 22:16
İl: Kocaeli
Meslek: Elektronik

Ynt: Aktif Crossover Hesabı

Okunmamış iletigönderen chf » 16 Tem 2015, 22:43

birgitay yazdı:4Khz'de frekans kestiğine göre tweeter için. Bundaki amaç şu olacak , elimizdeki her hoparlöre göre frekans kesim değeri yapılacak. Bu devrenin önceliğinde 6 bant eq var.... Aktif amplifkatör için olacak. Zira similasyonu nerede yaptın? Proteus kaçta? Banada gönderirmisin setupını ? Yada simule etmeyi öğrendiğim zaman kendim istediğim frekansa göre tasarlarım ......


Multisim12 İnternetten bulabilirsin 700MB yaklaşık...Bu arada formülü orta birleşme frekansına göre tekrar yaptım
f= 0.159/(RXC) yani şu anki devrede birleşme frekansı 2 Khz...
En son chf tarafından, 16 Tem 2015, 22:52 tarihinde değiştirildi, toplamda 1 değişiklik yapıldı.
chf
DIY Audio Gurusu
 
İleti: 440
Kayıt: 26 Haz 2013, 14:25
İl: izmir

Ynt: Aktif Crossover Hesabı

Okunmamış iletigönderen birgitay » 16 Tem 2015, 22:51

rxc değerlerini formülde 4,99k olarak mı ? 4990 ohm olarak mı girdin ?
Facebook Elektronik üzerine sayfam : https://www.facebook.com/groups/1216358921722507/
birgitay
DIY Audio Gurusu
 
İleti: 896
Kayıt: 04 Nis 2012, 22:16
İl: Kocaeli
Meslek: Elektronik

Ynt: Aktif Crossover Hesabı

Okunmamış iletigönderen chf » 16 Tem 2015, 22:53

birgitay yazdı:rxc değerlerini formülde 4,99k olarak mı ? 4990 ohm olarak mı girdin ?


R=4990 OHM C = 0.000000015 FARAT çıkan sonuç 2148 Hz olarak çıkmakta....4.99k 'lık dirençleri 10k yaparsan birleşme frekansı 1060 hz olmakta...
En son chf tarafından, 16 Tem 2015, 23:18 tarihinde değiştirildi, toplamda 3 değişiklik yapıldı.
chf
DIY Audio Gurusu
 
İleti: 440
Kayıt: 26 Haz 2013, 14:25
İl: izmir

Sonraki

Ön Yükselteç ve Ton Kontrol devreleri


 


  • Bu konular da ilginizi çekebilir:
    Cevaplar
    Gösterim
    Son ileti
  • Pasif Crossover Hesabı
    1, 2, 3gönderen birgitay » 06 Kas 2014, 12:08
    23 Cevaplar
    5891 Gösterim
    Son ileti gönderen birgitay Son iletiyi göster
    24 Kas 2014, 12:49
  • Xlr- Aktif Crossover
    Eklenti(ler) gönderen birgitay » 04 Eyl 2016, 15:16
    0 Cevaplar
    1022 Gösterim
    Son ileti gönderen birgitay Son iletiyi göster
    04 Eyl 2016, 15:16
  • Oto için 12v aktif filtre
    gönderen Admiral » 28 Mar 2009, 00:25
    5 Cevaplar
    5662 Gösterim
    Son ileti gönderen djmalan Son iletiyi göster
    26 Ekm 2009, 00:32
  • 2 Way Passive Crossover
    1, 2Eklenti(ler) gönderen birgitay » 09 Ekm 2014, 20:00
    14 Cevaplar
    3518 Gösterim
    Son ileti gönderen birgitay Son iletiyi göster
    18 Ekm 2014, 22:19
  • Crossover hakkında yardım
    gönderen hakan_25TR » 16 Kas 2010, 00:34
    1 Cevaplar
    1436 Gösterim
    Son ileti gönderen Hazar Son iletiyi göster
    16 Kas 2010, 16:40

Kimler çevrimiçi

Bu forumu görüntüleyenler: Google [Bot] ve 0 misafir