olc technics yazdı:Selamlar;
Bir süredir 4052 (Standart CMOS logic) ile audio kontrolü ile ilgili çalışıyorum. Bang of Olufsen TV manualinden bir şema çıkardım. 4052 nin kontrol girişilerini falan anladım. Anlayamadığım tek konu, her girişe bir buffer konulması şart mı?
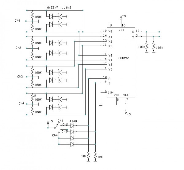
Servis manualinden çıkardığım şema;
4052 sw..jpg
Servis manualini de ekledim. Alıntı yaptığım kısım 8. sayfada.
beovision_tv_©_.pdf
Kolay gelsin...
Aslında böyle bir mecburiyet yok.
Ama bunun yerine her girişe birbirine ters bağlı 2 şer adet zener (2---6V)koymanız CMOS sw için
giriş koruma gereksinimi olarak düşünülebilir.
Benzer nedenlerle B&O buffer kullanmış olabilir.
Bir ekleme daha yapayım.
Eğer giriş kaydımız 1V gibi bir değer olacaksa,
bu durumda 4052 ve benzerleri analog sw.ler için -/+5V gibi bir besleme kullanmak,
düşük THD değerleri için oldukça önemlidir.
Bu not olarak kalsın, zaten B&O de neg. voltaj kullanımını gerçekleştirmiş.
