USA*dan Selamlar, Elektor'un gecmis bir sayisini ararken DIY forumunuza ulastim ve kayit oldum,ancak ana sayfada bu Foruma sorucagim sorulari koyabilecegim pencereyi acacak bir button bulamadigim ve buraya yazabildigim icin yaziyorum.
eger bir ilgili okuyupta cevaplarsa, belkide aradigim bilgilere ulasacak ve cok sevinecegim,zira Turkiyedeyken Elektorden yaptigim ve yarim kalmis bir Power Supply devresini bitirmek istiyorum ama maalesef o Elektor sayisini kaybettim,(1982?) hatirladigim kadariyla on kapagi yesildi ve 'Twisted Ribbon Cable (kemer kablo)' resmi vardi. bu sayida verilen Guc Kaynagini
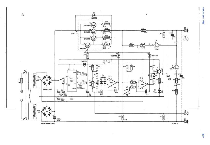
(galiba Precision Power Supply adi altinda) hemen hemen bitirdim ama baglantilar icin bazi bilgilere ihtiyacim var, size bana yardimci olmaniz acisindan kullanilan ana malzemeleri yazayim: LM723-2X LM741-BC557- BD 241-3X 2N3055 ve 2x12=24VAC
ve 0-24VAC iki ayri transformer ve voltaj kontrolu icin iki ayri potansiyemetre kullaniliyor galiba ? Devreyi bulup tamamlamama yardimci olabilirseniz cok sevinecegim..simdiden tesekkurler.. mail : Teknofix@bellsouth.net



