Arkadaşlar bu iki üründe elimde yalnız şöyle bir sorunum var şimdi ben hoparlör siparişi verdim 250w rms güç değerinde iki kolon toplamda 500w rms.
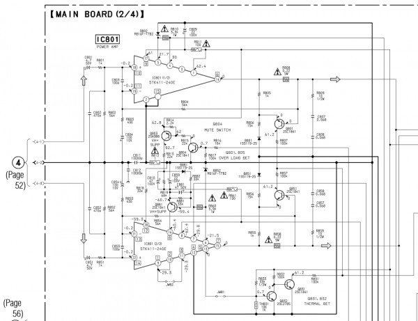
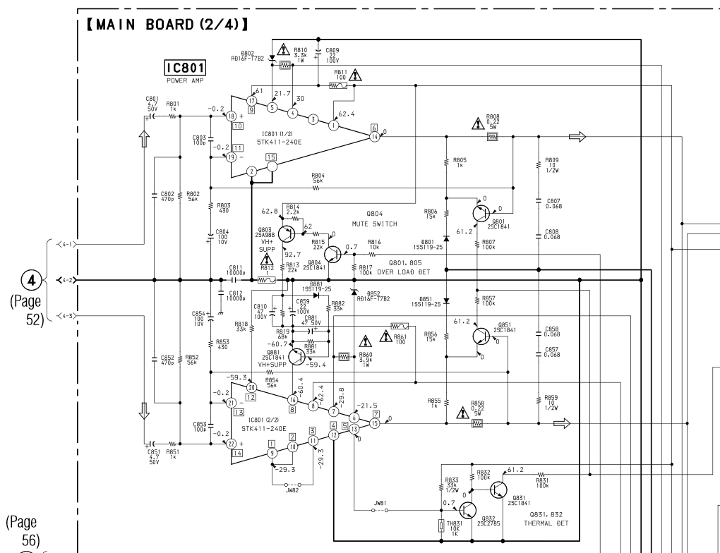
Bu iki sistemden hangisi bu hoparlörleri beslememde yardımcı olur. Sansuinin ayrıca Se300 ekosuda var. Kafam çok karıştı. Sansuide 350w yazılı transistörleri C2581-A1106-B631K ve sony 190w güç tüketimi yazılı ama ön kısmındada 200w+200w rms yazılı ve STK411-240E kullanıyor kitapçıkda öyle yazıyor.Şimdi bunlardan hangisi daha güçlüdür ve sizce hangisini seçmeliyim. Hoparlörler burda olsa en azından dinleyip karar veririm ama bu ürünlerden birini elden çıkarmam gerekli maddi sıkıntıdan dolayı. Yardımcı olursanız çok ama çok memnun olurum.

