2 troid trofo bağlanması

Güç Kaynakları » Ses devrelerinde kullanılan komponentler kadar, güç kaynağının kalitesi de önemlidir. Güç kaynakları hakkındaki soru(n)lar

2 troid trofo bağlanması

Okunmamış iletigönderen rediceman » 16 May 2016, 17:26

Merhaba Arkadaşlar,

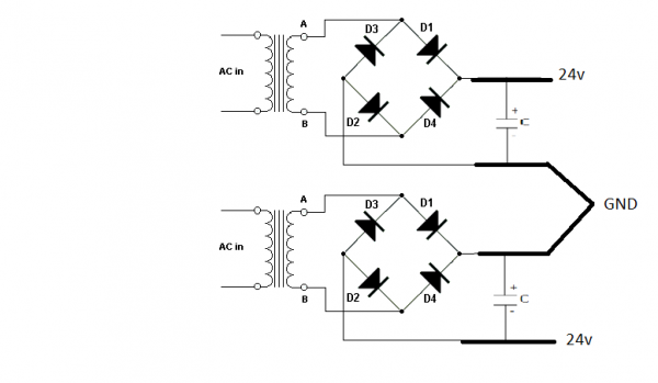
iki adet 24 volt 150 watt'lık trodial trafoyu şemadaki gibi baglayıp simetrik 300watt olarak kullanabilirmiyim ?
Eklentiler
2 trafo.png
rediceman
DIY Audio Fanatiği
 
İleti: 132
Kayıt: 27 Eyl 2013, 19:48
Konum: İstanbul
İl: İstanbul
Meslek: Bilgiişlem


Ynt: 2 troid trofo bağlanması

Okunmamış iletigönderen onursal » 16 May 2016, 18:08

Öyle yapma.
Her trafonun çıkışlarına birer tane köprü diyot bağla ve besleme devresinin çıkış taraflarından ortak uç yap.
Kullanıcı avatarı
onursal
DIY Audio Gurusu
 
İleti: 840
Kayıt: 03 Ağu 2010, 01:56
İl: ankara
Meslek: broadcasting

Ynt: 2 troid trofo bağlanması

Okunmamış iletigönderen devirsefa » 16 May 2016, 18:23

Zamanında yokluktan 3 ayrı trafoyu seri bağlayıp kullandım hiç de sorun olmadı.
Ama madem toroid, ben olsam iki trafonun sekonderlerini yeniden 2x24v sarıp dual mono olarak kullanırdım.
Mesela:
dual mono amp.png
devirsefa
DIY Audio Fanatiği
 
İleti: 109
Kayıt: 31 Ağu 2014, 17:03
İl: İstanbul

Ynt: 2 troid trofo bağlanması

Okunmamış iletigönderen rediceman » 16 May 2016, 19:50

onursal yazdı:Öyle yapma.
Her trafonun çıkışlarına birer tane köprü diyot bağla ve besleme devresinin çıkış taraflarından ortak uç yap.


Bu şekilde doğru oluyor o zaman.
Eklentiler
2 troid simetrik.png
rediceman
DIY Audio Fanatiği
 
İleti: 132
Kayıt: 27 Eyl 2013, 19:48
Konum: İstanbul
İl: İstanbul
Meslek: Bilgiişlem

Ynt: 2 troid trofo bağlanması

Okunmamış iletigönderen rediceman » 16 May 2016, 19:51

devirsefa yazdı:Zamanında yokluktan 3 ayrı trafoyu seri bağlayıp kullandım hiç de sorun olmadı.
Ama madem toroid, ben olsam iki trafonun sekonderlerini yeniden 2x24v sarıp dual mono olarak kullanırdım.
Mesela:
dual mono amp.png


Merhaba,
Kime sardıra bilirim tekrar ben yaparsam elimde kalır :)
rediceman
DIY Audio Fanatiği
 
İleti: 132
Kayıt: 27 Eyl 2013, 19:48
Konum: İstanbul
İl: İstanbul
Meslek: Bilgiişlem

Ynt: 2 troid trofo bağlanması

Okunmamış iletigönderen devirsefa » 16 May 2016, 20:04

rediceman yazdı:
devirsefa yazdı:Zamanında yokluktan 3 ayrı trafoyu seri bağlayıp kullandım hiç de sorun olmadı.
Ama madem toroid, ben olsam iki trafonun sekonderlerini yeniden 2x24v sarıp dual mono olarak kullanırdım.
Mesela:
dual mono amp.png


Merhaba,
Kime sardıra bilirim tekrar ben yaparsam elimde kalır :)

Kalmaz. Biraz yorucu ama makine gibi sarmaniza gerek yok. Ama uğraşmak istemezseniz onursal hocanın tavsiyesi daha mantıklı.
devirsefa
DIY Audio Fanatiği
 
İleti: 109
Kayıt: 31 Ağu 2014, 17:03
İl: İstanbul

Reklamlar

Ynt: 2 troid trofo bağlanması

Okunmamış iletigönderen rediceman » 25 May 2016, 10:56

Merhabalar,

Troid trafo çıkışında 220 haricinde 210volt ve 250volt girişleri mevcut. Denemedim ama 210volt girişi kullanınca çıkışta artı olucak, 250volt girişi kullanınca çıkışta voltaj azalması olucak diye tahmin ediyorum.
Bu girişleri kullanmamın bir sakıncası varmı ?
rediceman
DIY Audio Fanatiği
 
İleti: 132
Kayıt: 27 Eyl 2013, 19:48
Konum: İstanbul
İl: İstanbul
Meslek: Bilgiişlem

Ynt: 2 troid trofo bağlanması

Okunmamış iletigönderen chf » 25 May 2016, 11:59

Şehir şebekelerindeki ani artmaları ve azalmaları(diyelim ki bir nedenle arttı) göz önünde bulundurursak onun için bu girişler konulmuş sanki(Tölerans)...Tabi 220 primer girişi normaldir.Mevcut hazır cihazların arkasında bir switch konulmuştur(110-220v gibi)..Aslında böyle bir switch de konulabilir..Trafo primer girişine..Hatta amfinin arkasına bir dijital 220 volt göstergesi de konulabilir(mevcut şebeke gerilimini görebilme açısından)..
En son chf tarafından, 03 Mar 2017, 11:10 tarihinde değiştirildi, toplamda 2 değişiklik yapıldı.
chf
DIY Audio Gurusu
 
İleti: 440
Kayıt: 26 Haz 2013, 14:25
İl: izmir

Ynt: 2 troid trofo bağlanması

Okunmamış iletigönderen rediceman » 25 May 2016, 12:51

chf yazdı:Şehir şebekelerindeki ani artmaları ve azalmaları(diyelimki bir nedenle arttı) göz önünde bulundurursak onun için bu girişler konulmuş sanki(Tölerans)...Tabi 220 primer girişi normaldir.Mevcut hazır cihazların arkasında bir switch konulmuştur(110-220v gibi)..Aslında böyle bir switch de konulabilir..Trafo primer girişine..Selamlar...


Hızlı yanıtınız için teşekkürker,
Evet mantıklı olarak sanki şebeke voltajı değiştiginde röle ile diger girişlere yönlendiryor gibi ( offline ups mantığı ) ama beni asıl ilgilendiren
kısım 210v yada v250v girişleri şebekeye baglayıp devamlı kullanmak sakıncalı mı ?
rediceman
DIY Audio Fanatiği
 
İleti: 132
Kayıt: 27 Eyl 2013, 19:48
Konum: İstanbul
İl: İstanbul
Meslek: Bilgiişlem

Ynt: 2 troid trofo bağlanması

Okunmamış iletigönderen chf » 25 May 2016, 13:15

rediceman yazdı:
chf yazdı:Şehir şebekelerindeki ani artmaları ve azalmaları(diyelimki bir nedenle arttı) göz önünde bulundurursak onun için bu girişler konulmuş sanki(Tölerans)...Tabi 220 primer girişi normaldir.Mevcut hazır cihazların arkasında bir switch konulmuştur(110-220v gibi)..Aslında böyle bir switch de konulabilir..Trafo primer girişine..Selamlar...


Hızlı yanıtınız için teşekkürker,
Evet mantıklı olarak sanki şebeke voltajı değiştiginde röle ile diger girişlere yönlendiryor gibi ( offline ups mantığı ) ama beni asıl ilgilendiren
kısım 210v yada v250v girişleri şebekeye baglayıp devamlı kullanmak sakıncalı mı ?

teorik olarak 220v tu referans alacak olursak..Şebekeyi 210 girişine bağladığımızda primer bobini birazcık ısınacak gibi; ama 250 primer girişine bağladığımızda ısınma olmaz gibi. Mantıken primer giriş bobinleri mevcut şebeke voltajına göre hesaplı sarıldığına göre!!!! Üzerinden geçen akım da bu primer bobin yüküne göre akacaktır ve sekondere de manyetik akı yoğunluğuna bağlı olarak aktarılacaktır..Mantıken ...Hatta ve hatta bir stand by yapılıp enerji belli bir zaman sonra mevcut sistemde enerji akışı yoksa otomotik-men trafoya giden gerilim kesilebilir(enerji tasarruf modu)..
En son chf tarafından, 03 Mar 2017, 11:08 tarihinde değiştirildi, toplamda 3 değişiklik yapıldı.
chf
DIY Audio Gurusu
 
İleti: 440
Kayıt: 26 Haz 2013, 14:25
İl: izmir

Sonraki

Güç Kaynakları


 


  • Bu konular da ilginizi çekebilir:
    Cevaplar
    Gösterim
    Son ileti
  • Troid trafo
    gönderen atomhamdi » 28 Eyl 2008, 12:45
    2 Cevaplar
    2380 Gösterim
    Son ileti gönderen e154 Son iletiyi göster
    28 Eyl 2008, 16:55

Kimler çevrimiçi

Bu forumu görüntüleyenler: Google [Bot] ve 0 misafir