simetrik besleme

Güç Kaynakları » Ses devrelerinde kullanılan komponentler kadar, güç kaynağının kalitesi de önemlidir. Güç kaynakları hakkındaki soru(n)lar

simetrik besleme

Okunmamış iletigönderen mustafayilmaz » 01 Oca 2014, 22:11

merhabalar..

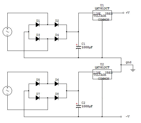
bir güç kaynağı tasarımında; iki adet pozitif regülator ile 'simetrik besleme' yapma fikrim var.
simulasyon aşamasında problem yok, uygulamada herhangi bir sorun oluşturur mu?

simetrik.png
simetrik.png (9.59 KiB) 2016 defa görüntülendi
If you want to find the secrets of the universe, think in terms of energy, frequency and vibration. Nikola TESLA
Kullanıcı avatarı
mustafayilmaz
Yeni Üye
 
İleti: 24
Kayıt: 21 Ekm 2012, 02:30
İl: denizli
Meslek: eem


Ynt: simetrik besleme

Okunmamış iletigönderen olc technics » 03 Oca 2014, 11:54

Bu haliyle çalışacaktır. Bir de neden negatif tarafı için 7912 kullanmıyorsunuz? Uygulamayı daha da basitleştirir.
Kullanıcı avatarı
olc technics
DIY Audio Gurusu
 
İleti: 259
Kayıt: 31 Arl 2012, 16:23
İl: tekirdağ
Meslek: ha ha ha, please

Ynt: simetrik besleme

Okunmamış iletigönderen mustafayilmaz » 04 Oca 2014, 20:30

olc technics yazdı:Bu haliyle çalışacaktır. Bir de neden negatif tarafı için 7912 kullanmıyorsunuz? Uygulamayı daha da basitleştirir.

pozitif ve negatif regülatorler arasında, akım-gerilim farkları olabiliyor.
birazda maliyet açısından..


ayrıca kapalı tip trafo kullanmayı düşünüyorum.bu tip trafolarda, hava akışı olmadığından soğutma problemi olurmu?
If you want to find the secrets of the universe, think in terms of energy, frequency and vibration. Nikola TESLA
Kullanıcı avatarı
mustafayilmaz
Yeni Üye
 
İleti: 24
Kayıt: 21 Ekm 2012, 02:30
İl: denizli
Meslek: eem

Ynt: simetrik besleme

Okunmamış iletigönderen errör » 09 Oca 2015, 00:55

Hocam iki kisimdada ayni fazi kullanacaginiz icin bu sekilde devre dogru calismaz diye dusunuyorum simulasyon sizi yaniltabilir bordda deneyip sonucu paylasirsaniz sevinirim.
Kullanıcı avatarı
errör
DIY Audio Fanatiği
 
İleti: 141
Kayıt: 21 Ağu 2010, 22:29
İl: istanbul
Meslek: bilgiişlem.

Ynt: simetrik besleme

Okunmamış iletigönderen resho » 09 Oca 2015, 02:21

mustafayilmaz yazdı:merhabalar..

bir güç kaynağı tasarımında; iki adet pozitif regülator ile 'simetrik besleme' yapma fikrim var.
simulasyon aşamasında problem yok, uygulamada herhangi bir sorun oluşturur mu?

simetrik.png


2 adet pozitif regülatör ile çalışacaksanız verdiğiniz şemada olduğu gibi 2 ayrı sarım (aynı veya farklı trafodan da gelebilir) ve 2 adet köprü devre kullanmalısınız.

Sarımlar bağımsız değilse, tek köprü ve negatif regülatör kullanılması zorunlu olur. Bu durumda GND'yi sarımların ortak yerinden (0V, center-tap) elde ediyoruz.
Kullanıcı avatarı
resho
DIY Audio Fanatiği
 
İleti: 148
Kayıt: 23 Mar 2007, 10:28
Konum: Ankara

Ynt: simetrik besleme

Okunmamış iletigönderen mustafayilmaz » 05 Ağu 2015, 00:00

2 adet LM317 ile devreyi yapmaya karar verdim. transformatör 2x12v ac ve çıkış gerilim ayarlı olacak.
ayar potunu sonuna kadar çevirdiğimde, çıkışta 12-13v dc görmek istiyorum.

şemalarda 240 ohm ve beraberinde 5k pot sıkça görmüşsünüzdür. bu değerlere göre çıkış yaklaşık 30v max. ulaşıyor.
560 ohm 5k pot kullanılırsa çıkış 12.5v max. oluyor.

240 ohmluk direncin yükseltilmesi sorun oluşturur mu? 5k yerine farklı değerlere göre düzenleme yapılabilir mi?
ADJ ucundan mutlaka akması gereken bir akım var mıdır? ( doğru baktıysam datasheet de uA düzeyinde verilmiş. )

LM317.jpg
LM317.jpg (14.84 KiB) 1257 defa görüntülendi
If you want to find the secrets of the universe, think in terms of energy, frequency and vibration. Nikola TESLA
Kullanıcı avatarı
mustafayilmaz
Yeni Üye
 
İleti: 24
Kayıt: 21 Ekm 2012, 02:30
İl: denizli
Meslek: eem

Reklamlar


Güç Kaynakları


 


  • Bu konular da ilginizi çekebilir:
    Cevaplar
    Gösterim
    Son ileti

Kimler çevrimiçi

Bu forumu görüntüleyenler: Google [Bot], Semrush [Bot] ve 0 misafir