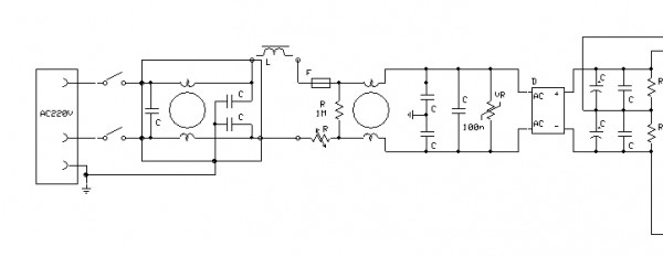
Kaliteli veya SMPS PWR Spply. ların girişlerinde LC filtre devreleri meraklıları tarafından gözlenmiştir.
Bunların basit olarak 2 görevi vardır;
1) EMI denilen Elektro Manyetik Interferans filtreleri,
ki bunlar havadan ya da şebekeden gelebilecek yüksek frekanlar veya
yüksek frekanslı harmoniklerin devreye girip hasar vermemesi içindir.
Ve bunlar genellikle toroid ferrit nüveli bobinlerdir.
Ek olarak da, daha güçlü olanlarında sac nüveli bobinler bulunur
2) Bazılarında da basit bir seri termik direnç ve EMI filtreleri bulunur.
Tabii küçük bir çok pwr sply da bunlar gözardı edilir.
Bunların temel amacı da, devrenin devamındaki trafo ve/veya elektrolitik
kondansatörlerin ilk andaki kısa devre akımını kontrol altına almaktır.
Konu hakkında bilgi sahibi olmayan arkadaşlar için
bunu bir de simulasyon ile göstermek istedim.
2 devreden birinde anahtar çıkışında 9.5mH bir bobin ve
bu bobinin eşdeğer tel direnci olarak da 1.7ohm direnç vardır.
Diğer devrede de direkt sürüş kullanılarak fark gözlenmiştir.
Bu durumda görüldüğü gibi, çok kısa süre için de olsa direkt bağlantıda korkunç akımlar görülmektedir.
Devre 50W olacak şekilde düşünülmüş olup, 1.8K da yük direnci kullanılmıştır.
Direkt
I peak 1700A max
12 uS 1000A
20 uS 500A
Enductance control
I peak 30A max.
1.5mS 20A
2.3mS 10A


