Dünyaca ünlü bir eletronik sistemler ve komponent üreticisinin,
kendi devrelerinde kullandığı pwr dağılımını paylaşıyorum.
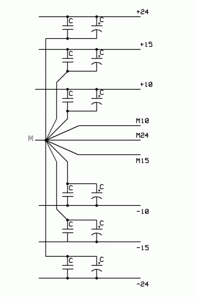
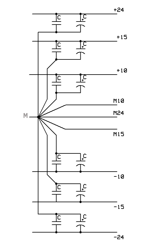
24V lar malum olduğu üzere nispeten daha güçlü devreler için.
15V lar opamp ve benzeri devreler için.
10V lar low noise ihtiyaçlar için.
M24 24V ların ortak ucu
M15 15V ların ortak ucu
M10 10V ların ortak ucu
Bu bağlantılar tüm sistem devreleri içinde ayrı ayrı dolaşır,
ki devrelerin birinde oluşabilecek sorunlar
hassas devrelerin girişlerine ulaşarak kaliteyi düşürmesin.
Devrelere yakın yerlerde kullanılan bypass kondansatörleri de kendi M hatları üzerinde konumlandırılır.

