Uzun bir süreç başarısızlıkla şonuçlandı, şimdilik...
Şimdilik diyorum, farklı bir tasarımla SMPS ile bilek güreşi sürecek elbette.
Yoksa pes etmek ne kelime, ki olmamalı da elektronik yolcusunda.
Bu süreçte edindiklerimi paylaşarak, zaman içinde benzer çalışmalara
girmek düşüncesinde olan arkadaşlar bir anlamda ön bilgi sahibi olabilirler.
İlk Half Bridge SMPS devrsini 1980 yılında görmüştüm çalıştığım
sektörde.
Eski TV lerde kullanılan çizgi trafosu da denen yüksek gerilim trafosu nüvelerinden
iki adet ile tek trafo oluşturulup, 40KHz de 5V 40A olarak üretilmişti.
(Bu gün oradaki soğutucular harika bir çift 100W A Class soğutucusu olurdu.

)
Ama, tabii çıkış devresi buradaki gibi bir ön osilasyon ile başlatılmayıp,
direkt olarak sürücü trafolarla besleniyordu.
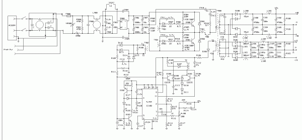
PC lerde kullanılan bu SMPS lerde bir şey vardı kafama takılan,
biraz da o noktadaki detayları inceleme düşüncem de vardı
bu tip bir devreyi seçerken.
Bu devrede T2 olarak geçen base drive trafosu
12V da 1.5K bir dirençten sonra nasıl oluyor da
yüzlerce W a ulaşan güçlerin transistörlerini sürüyordu?
Evet çıkış devresi küçük bir base akımı ile tetiklenerek
salınımı başlatıyor ve control devre beslemesi 7V lar civarına geldiğinde
burada üretilen darbelerle istenilen voltajın regülasyonu
sağlanıyordu.
Bu nedenle bu devrede bir değişiklik yapmadan aynı şekilde
PCB ye aktardım.
Buna rağmen ideal sonuca ulaşılamadı tarafımdan.
Sanki bu devre sadece 5V ve 12V için yapılmış.
4 defa değişik formüllere göre primer orijinal kalmak kaydı ile
sekonder sargılarını 40V hayali ile sarmış olmama rağmen,
bir SMPS olamadı.
Aklıma, orijinalinde acaba PCB içine bir yerlere bir şeyler gizlemiş olabilirler mi?
gibi de düşünmeye başladım bir ara...

E bu kadar delilik olmazsa olmaz bizde.
Aşağıdaki linkte SMPS ler ile ilgili bilgiler ve online hesaplamalar var.
İlgilenecek arkadaşlara katkısı olur düşüncesindeyim.
http://schmidt-walter.eit.h-da.de/smps_e/smps_e.html#L