Arkadaşlar bi arkadaşım için yapmış olduğum devreyi buraya koymuş bulunmaktayım. Amacım birbirimize bişiler öğretip geliştirmek. Devredeki hemen hemen herşeyin hesabı vardır. Aldığım hesaplar en iyi SMPS ve trafo dizayn kitaplarındandır. Böyle büyük bir devrede PFC olmazsa olmazlardan fakat arkadaşım sadece SMPS istediği için onu atladık. Sorularınız varsa bildiğim kadarı ile cevaplayabilirim. Devre kesinlikle (ç)alıntı değildir

Devre henüz denenmemiştir. Bu arada arkadaşımın şemayı forumlara koyduğumdan haberi var

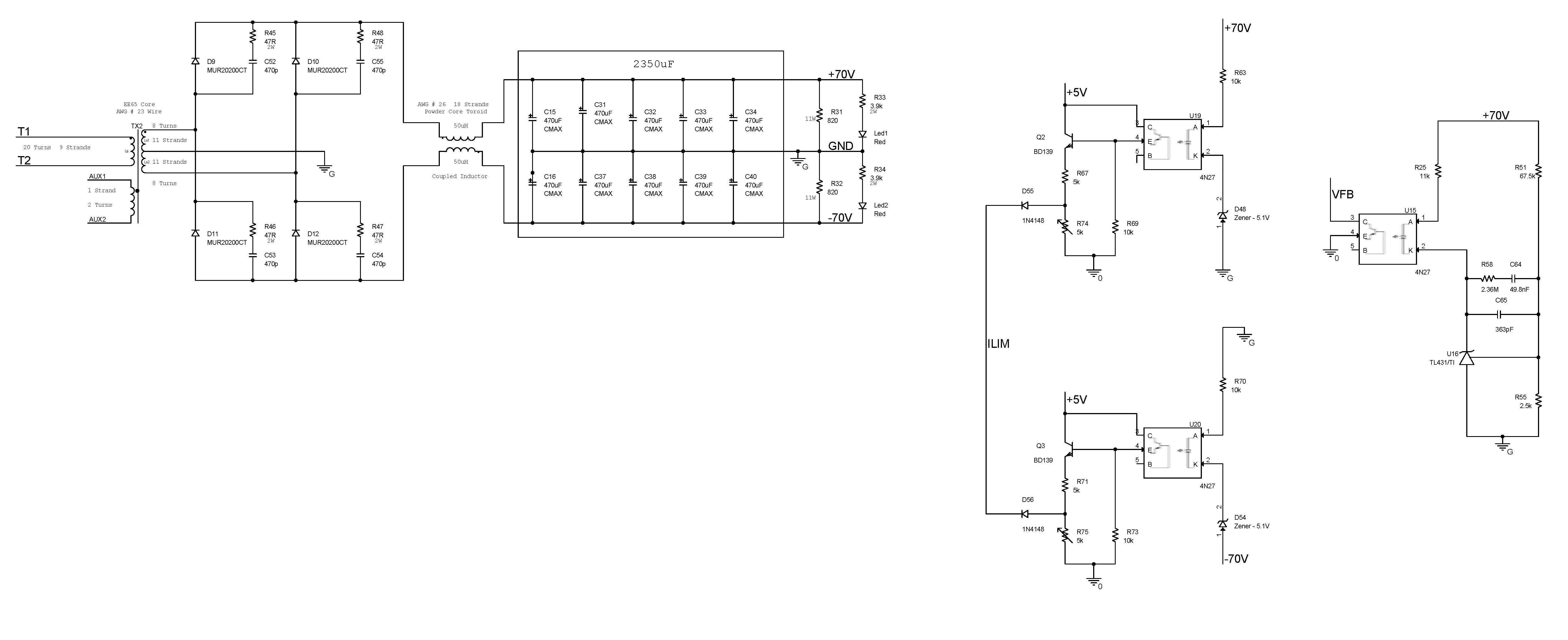
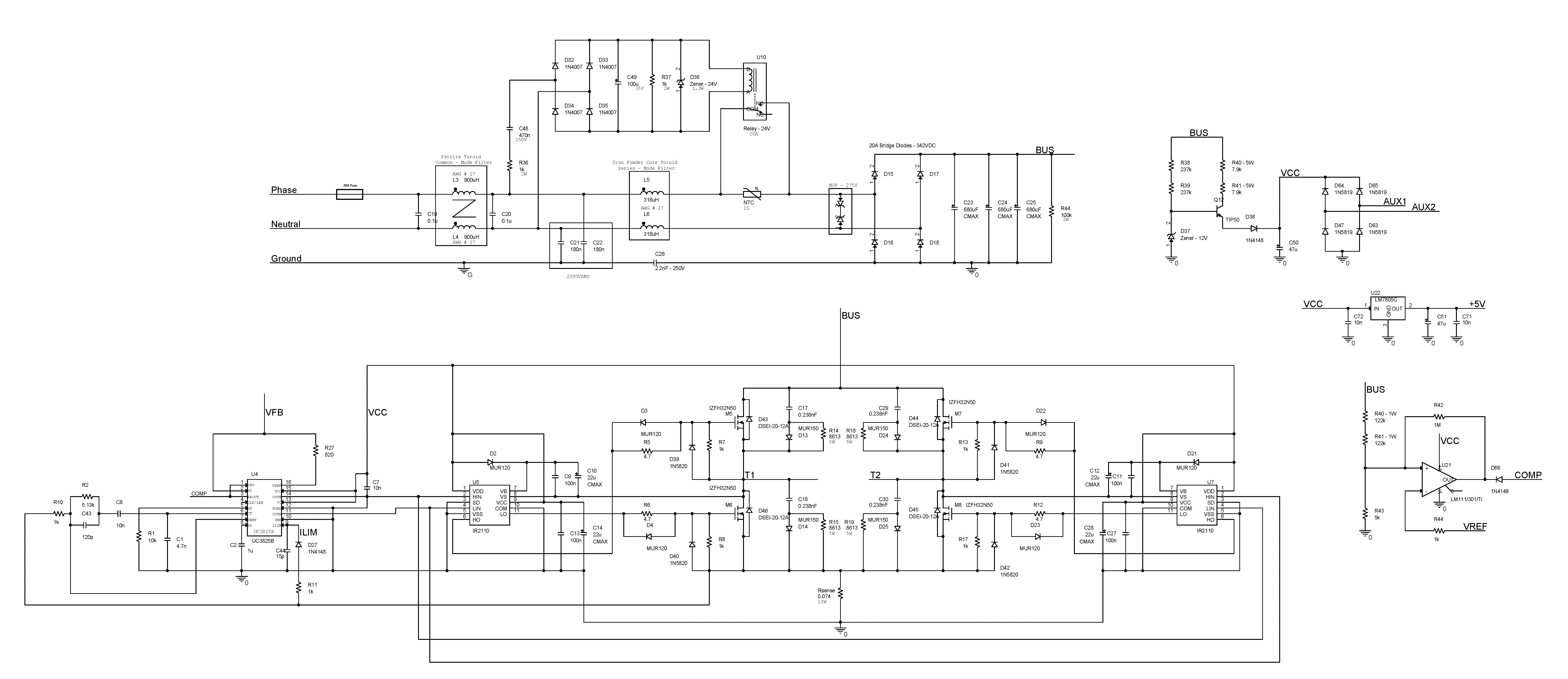
Devrenin Özellikleri:
- Devrede kısa devre koruması, çıkış aşırı gerilim koruması, giriş düşük voltaj koruması vardır. Ayrıca iki çıkış için regülasyonun iyi olabilmesi için, çıkışa coupled inductor konulmuştur.