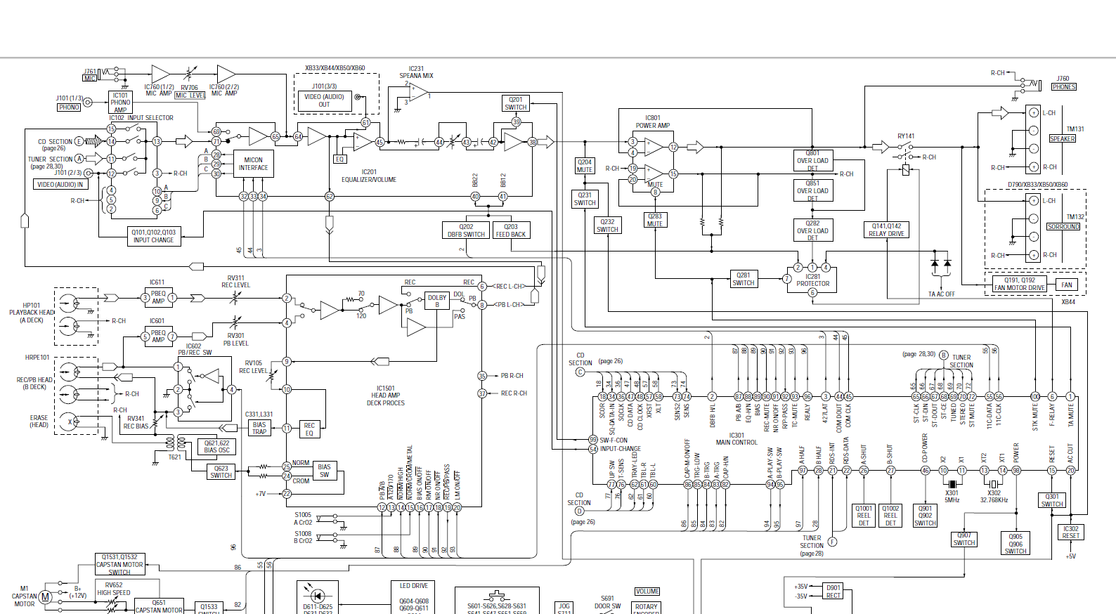
ufkun yazdı:ama o overload det ucuda stk uclarına gidiyor bu ne olabilirki
Overload çıkışlarda aşırı yük olduğunda kontrol board u üzerinden sistemi kapatmak için.
Mecburen kullanamayacaksınız birikiminizi yükseltene kadar.

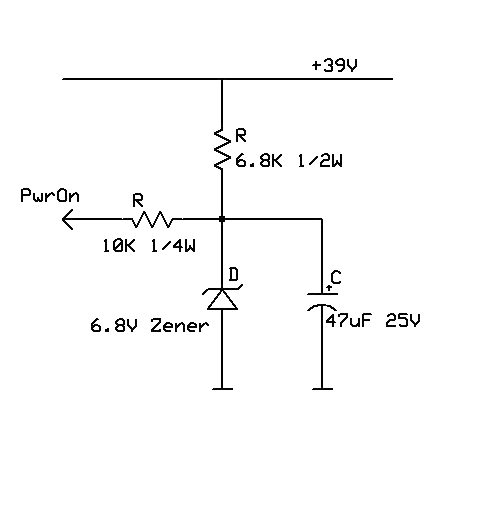
gnd. dediğim, devrenin sıfır ucu, (ortak uç) AC GND yazılı olan elektrolitik kondansatörlerin
orta ucundan itibaren devreye dağılan kalın hat.
Main board olmadığına göre oradaki çıkış koruma röleleri de olmayacak,
bu durumda çalıştığında hoparlorlerinize zarar verebilirsiniz.
Devreye tekrar baktım da, pwr on devresi beslemesi 6.8V alınıp,
çalışma sırasında direnç ucunda 4.8V okunmuş, sanırım bu çalışır durumda
giriş sinyali yok iken ölçülen değerdir.
Bu durumda pwr on için ekteki gibi bir devre kullanmanız gerekecek.