SONY LBT-XB60 STK KARTI SORUNU

Entegreli Güç Yükselteçleri » Küçük ama çok etkili. Entegreli(tümdevreli) ses yükselteçleri ile alakalı soru(n)lar

SONY LBT-XB60 STK KARTI SORUNU

Okunmamış iletigönderen ufkun » 21 Kas 2011, 22:18

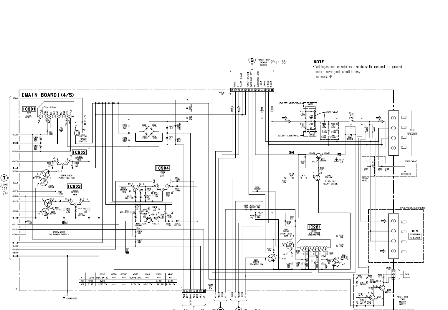
öncelikle slmlar bende sony lbt-xb60 müzik setinin çıkış katı ve trafosu var fakat bir türlü çalıştırmayı beceremedim şemasına kadar indirdim fakat calistıramadım 13 adet uç var kartta onlarda şöyle

1 R OUT
2 R GND
3 L GND
4 L OUT
5 SORROUND-GND
6 +B
7 OVERLOAD DET
8 POWER ON OFF
9 10 İLE BİRLEŞİK
10 CHASSİS-GND
11 R
12 AGND
13 L
ufkun
Yeni Üye
 
İleti: 45
Kayıt: 03 Arl 2010, 14:13
İl: izmir


Ynt: SONY LBT-XB60 STK KARTI SORUNU

Okunmamış iletigönderen ufkun » 21 Kas 2011, 22:51

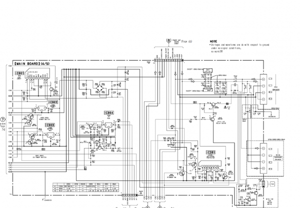
ŞEMA 1
Eklentiler
LBT-XB60.png
ufkun
Yeni Üye
 
İleti: 45
Kayıt: 03 Arl 2010, 14:13
İl: izmir

Ynt: SONY LBT-XB60 STK KARTI SORUNU

Okunmamış iletigönderen ufkun » 21 Kas 2011, 22:52

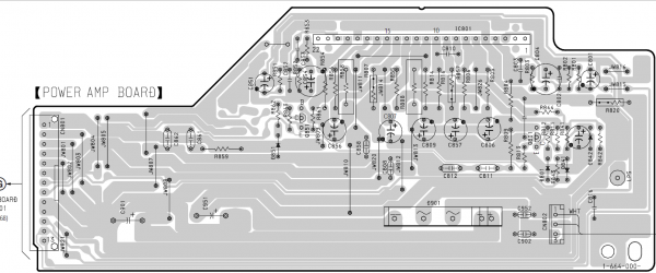
ŞEMA 2
Eklentiler
LBT-XB60 2.png
ufkun
Yeni Üye
 
İleti: 45
Kayıt: 03 Arl 2010, 14:13
İl: izmir

Ynt: SONY LBT-XB60 STK KARTI SORUNU

Okunmamış iletigönderen ufkun » 21 Kas 2011, 22:53

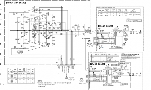
ŞEMA 3
Eklentiler
LBT-XB60 3.png
ufkun
Yeni Üye
 
İleti: 45
Kayıt: 03 Arl 2010, 14:13
İl: izmir

Ynt: SONY LBT-XB60 STK KARTI SORUNU

Okunmamış iletigönderen ufkun » 21 Kas 2011, 22:53

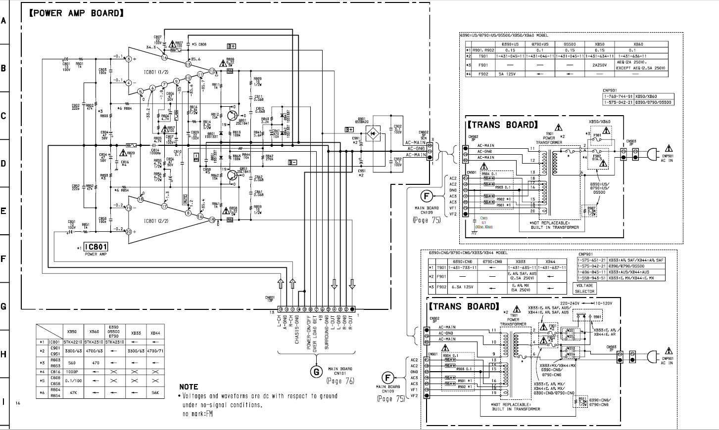
ŞEMA 4
Eklentiler
LBT-XB60 4.png
ufkun
Yeni Üye
 
İleti: 45
Kayıt: 03 Arl 2010, 14:13
İl: izmir

Ynt: SONY LBT-XB60 STK KARTI SORUNU

Okunmamış iletigönderen ufkun » 21 Kas 2011, 23:26

LÜTFEN YARIMMMM :(
ufkun
Yeni Üye
 
İleti: 45
Kayıt: 03 Arl 2010, 14:13
İl: izmir

Reklamlar

Ynt: SONY LBT-XB60 STK KARTI SORUNU

Okunmamış iletigönderen hamist » 21 Kas 2011, 23:34

ufkun yazdı:öncelikle slmlar bende sony lbt-xb60 müzik setinin çıkış katı ve trafosu var fakat bir türlü çalıştırmayı beceremedim şemasına kadar indirdim fakat calistıramadım 13 adet uç var kartta onlarda şöyle

1 R OUT
2 R GND
3 L GND
4 L OUT
5 SORROUND-GND
6 +B
7 OVERLOAD DET
8 POWER ON OFF
9 10 İLE BİRLEŞİK
10 CHASSİS-GND
11 R
12 AGND
13 L


Çıkış şemasının sağ tarafında 1-2-3 no.lu uçlar bağlı mı?
1-AC Main
2-AC GND
3-AC Main

Bunun dışında PWR on ucunda +5V bir direnç ve transistörle bağlı diğer karttan.
O kartı kullanmıyorsanız, PWR On ucuna +5V tan bir 10K direnç bağlayıp deneyin,
çalışmaz ise bu noktayı sıfır yaparak deneyin.
Ancak ilk söylediğim pwr bağlantıları olmak zorunda.
Diğer kartı kullanmıyorsanız, kullanmanızı öneririm,
zira orada hoparlor koruma devreleri var.
Tüketimleri ile ünlü ülkelerin tarihlerini üreten ülkeler yazar.
hamist
DIY Audio Gurusu
 
İleti: 1401
Kayıt: 24 Mar 2011, 23:45
İl: istanbul
Meslek: endüstriel elektronik

Ynt: SONY LBT-XB60 STK KARTI SORUNU

Okunmamış iletigönderen ufkun » 22 Kas 2011, 00:53

oncelikle ilgilendiginiz icin tsk ederim ama o direncten once geliyo 5 volt trafoda 5 volt cıkısı var ama alternatif akım o nasıl olacak kondansator ve diyotla dogrultmak gerekiyo sanirsam
ufkun
Yeni Üye
 
İleti: 45
Kayıt: 03 Arl 2010, 14:13
İl: izmir

Ynt: SONY LBT-XB60 STK KARTI SORUNU

Okunmamış iletigönderen ufkun » 22 Kas 2011, 00:57

ayrıca 39 volt giriside mevcut kontrol ettim amfide hiç tık yok yok cıkıs ucları giris ucları baglı ama hiç ses gelmiyor birseyi tetikleme gerekiyo sanki bi acma kapama swicine baglı bi yeri var gibi on of , o on off ucunu bi kac yeriyle kısa devre yaptım fakat yine bi sonuc alamadim
ufkun
Yeni Üye
 
İleti: 45
Kayıt: 03 Arl 2010, 14:13
İl: izmir

Ynt: SONY LBT-XB60 STK KARTI SORUNU

Okunmamış iletigönderen hamist » 22 Kas 2011, 01:23

ufkun yazdı:ayrıca 39 volt giriside mevcut kontrol ettim amfide hiç tık yok yok cıkıs ucları giris ucları baglı ama hiç ses gelmiyor birseyi tetikleme gerekiyo sanki bi acma kapama swicine baglı bi yeri var gibi on of , o on off ucunu bi kac yeriyle kısa devre yaptım fakat yine bi sonuc alamadim


Main board kullanıldı mı? yazmamışsınız.
Kullanmadı iseniz pwr on ucuna 10K bir dirençle 5V vermeniz gerekebilir,
ya da sıfır (gnd) olacaktır.Önce gnd yapıp deneyin,
olmazsa +39V dan 10K 1/2W bir direnç ve buradan 5.1V bir zener ile elde edebilirsiniz.
Tabii birikiminizin olduğunu düşünerek bunları yazıyorum.

Tetikleme dediğiniz pwr-on eksik bence.
Tüketimleri ile ünlü ülkelerin tarihlerini üreten ülkeler yazar.
hamist
DIY Audio Gurusu
 
İleti: 1401
Kayıt: 24 Mar 2011, 23:45
İl: istanbul
Meslek: endüstriel elektronik

Sonraki

Entegreli Güç Yükselteçleri


 


  • Bu konular da ilginizi çekebilir:
    Cevaplar
    Gösterim
    Son ileti

Kimler çevrimiçi

Bu forumu görüntüleyenler: Google [Bot] ve 0 misafir