Preamp için regüleli güç kaynağından söz etmişsiniz nasıl yapabilirim yada nasıl edebilirim?
Kulladığım malzemelerde ya da trafoda sorun var galiba.Daha iyisini nereden bulabilirim?
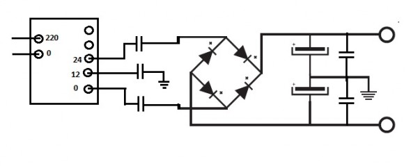
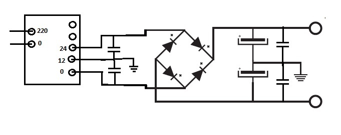
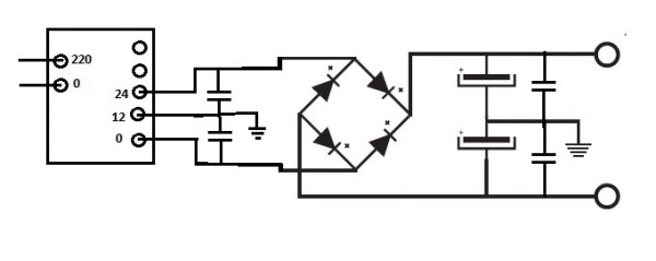
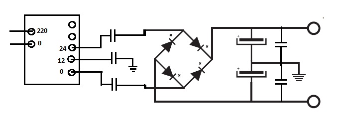
Kademeli trafoyla bu iki devreyi tek trafoda birleştirebilir miyim?
TDA2050'nin izoleli olanı var mı?Soğutuculardan ve dış ortamdan nasıl izole edebilirim?
Bu arada tavsiyeler için tekrar teşekkürler.Yaptığım devrelerin fotoğraflarını atıyorum.Tüm baskılar ve lehimler yurt ortamında büyük özenle yapılmıştır


