Müzik seti amplifikatörünü değiştirmek

Entegreli Güç Yükselteçleri » Küçük ama çok etkili. Entegreli(tümdevreli) ses yükselteçleri ile alakalı soru(n)lar

Müzik seti amplifikatörünü değiştirmek

Okunmamış iletigönderen ufkun » 03 Arl 2010, 14:29

slm hazar bey birsey soracaktimda simdi bende pıoneer XR-A660 bir müzik seti var ve ses kalitesi gercekten cok hosuma gidio fakat stksi bana biraz dusuk gelio kendi yaptıgım stk yi ona nasıl baglayabilirim yani demek istedigim m setinin stksına giden sesi benim stkya nasıl verebilirim bende semasıda var cok ayrıntılı bi sekilde fakat bulamadim rica etsem bana bi yardımcı olurmusunuz simdiden tskler
ufkun
Yeni Üye
 
İleti: 45
Kayıt: 03 Arl 2010, 14:13
İl: izmir


Ynt: Müzik seti amplifikatörünü değiştirmek

Okunmamış iletigönderen Hazar » 03 Arl 2010, 14:48

Merhaba,

Öncelikle mesajınızı doğru yere taşıdığımı bildireyim. Foruma yardım konusuna atmıştınız bu mesajı.
Ayrıca beni muhattap alarak yazmışsınız ki, burası benim kişisel sitem değil, DIY Audio Türkiye Forumu. Yeni konu açarak tek bana değil, soruyu herkese sormuş olacaksınız. Ben sizin yerinize bunu yaptım.

Konuya gelirsek;
Bu istediğiniz yerine müzik setinizin yanına yaptığınız amplifikatörü ayrıca koyun. Müzik setinizin varsa line-out çıkışı, yoksa kulaklık çıkışından yaptığınız amplifikatöre bağlayın, probleminiz çözülecektir.
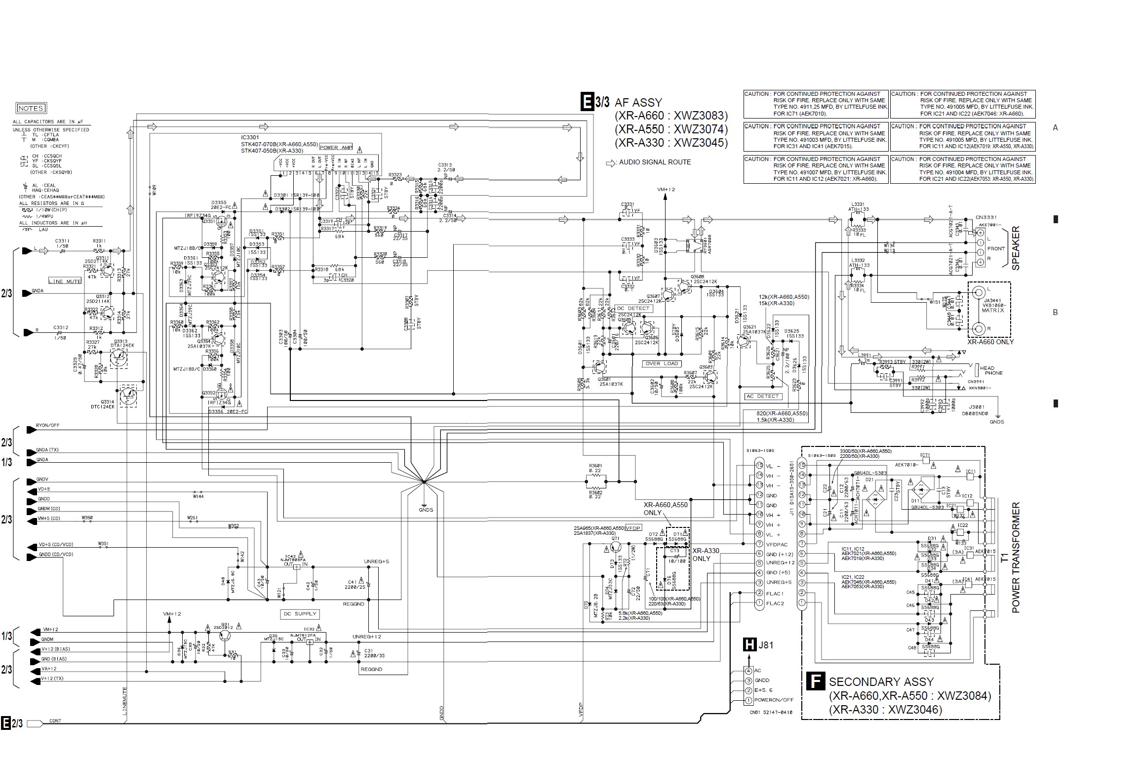
Müzik setinin içine koymak istiyorum derseniz bu o kadar kolay değil. Kesinlikle niyetliyim derseniz, öncelikle müzik setinizin içindeki entegrenin modelini Internete yazıp datasheetini bulmalısınız. Sonra datasheetten entegreye sesin hangi pinlerden geldiğini göreceksiniz. Bundan sonrası ilgili pinlerden blendajlı kablo çekerek sizin yaptığınız STK'nın girişine bağlamaktan ibarettir.

Kolay gelsin.
Rüzgar ters esiyorsa, yelkenlerini rüzgar yönüne göre ayarlamaya bak; çünkü dünya çektiğin sıkıntılarla değil, gemiyi limana ulaştırıp ulaştıramadığınla ilgilenir.
ResimDIY Audio Türkiye Facebook Sayfası
Hazar
Site Sorumlusu
Site Sorumlusu
 
İleti: 1057
Kayıt: 12 Arl 2006, 12:20
İl: İstanbul

Ynt: Müzik seti amplifikatörünü değiştirmek

Okunmamış iletigönderen e_cag » 03 Arl 2010, 18:33

STK entegreleri grup grup pin-compatible malzemeler. Setteki STK ile pinleri uyan daha güçlü bir versiyon varsa (bunun araştırması için geçen yıl bir zaman foruma eklediğim toplu datasheet'e bakabilirsiniz) entegreyi onunla değiştirebilirsiniz. tabii daha yüksek güç için muhtemelen besleme voltajını yükseltmek gerekecek, bu sefer de kasa içine ayrı bir trafo sıkıştırma tıkıştırma derdi ortaya çıkacak. Hazar'ın önerisi daha mantıklı.
Yaptım yaptım kutulayamadım.
Kullanıcı avatarı
e_cag
DIY Audio Gurusu
 
İleti: 1416
Kayıt: 10 Oca 2008, 02:06
Konum: Istanbul
İl: İstanbul
Meslek: Kimyager

Ynt: Müzik seti amplifikatörünü değiştirmek

Okunmamış iletigönderen ufkun » 03 Arl 2010, 22:34

bilmiyordum çok pardon tşk ederim ben entegreye giren pinleri buldum fakat bass blaster die bi ozellik var bunuda kullanabilecekmiyim
ufkun
Yeni Üye
 
İleti: 45
Kayıt: 03 Arl 2010, 14:13
İl: izmir

Ynt: Müzik seti amplifikatörünü değiştirmek

Okunmamış iletigönderen Hazar » 03 Arl 2010, 22:49

Bass blaster dediğiniz sanırım müzik setinin bir özelliği. Müzik setinin içindeki amplifikatörün bir özelliği değildir. Amplifikatörden önceki katta verilen bir efekt olsa gerek.
Dolayısıyla, evet kullanabilirsiniz.
Rüzgar ters esiyorsa, yelkenlerini rüzgar yönüne göre ayarlamaya bak; çünkü dünya çektiğin sıkıntılarla değil, gemiyi limana ulaştırıp ulaştıramadığınla ilgilenir.
ResimDIY Audio Türkiye Facebook Sayfası
Hazar
Site Sorumlusu
Site Sorumlusu
 
İleti: 1057
Kayıt: 12 Arl 2006, 12:20
İl: İstanbul

Ynt: Müzik seti amplifikatörünü değiştirmek

Okunmamış iletigönderen ufkun » 03 Arl 2010, 22:52

kartın şemasını yukleyemedim nasıl yukleyebilirim gorurseniz orda hepsi var daha acıklamalı anlatabilirsiniz
ufkun
Yeni Üye
 
İleti: 45
Kayıt: 03 Arl 2010, 14:13
İl: izmir

Reklamlar

Ynt: Müzik seti amplifikatörünü değiştirmek

Okunmamış iletigönderen Hazar » 03 Arl 2010, 23:09

bizden-haberler/foruma-resim-dosya-yuklenmesi-konusunda-bilgi-t866.html adresinde resim yükleme ile ilgili bilgiler bulabilirsiniz.
Rüzgar ters esiyorsa, yelkenlerini rüzgar yönüne göre ayarlamaya bak; çünkü dünya çektiğin sıkıntılarla değil, gemiyi limana ulaştırıp ulaştıramadığınla ilgilenir.
ResimDIY Audio Türkiye Facebook Sayfası
Hazar
Site Sorumlusu
Site Sorumlusu
 
İleti: 1057
Kayıt: 12 Arl 2006, 12:20
İl: İstanbul

Ynt: Müzik seti amplifikatörünü değiştirmek

Okunmamış iletigönderen ufkun » 03 Arl 2010, 23:58

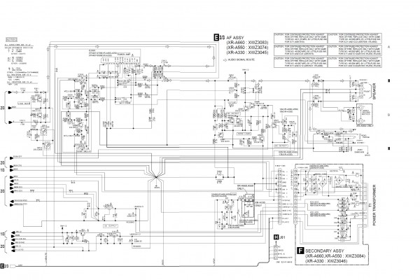
pıoner xr-a660 şeması
Eklentiler
adsız.jpg
xr-a660
ufkun
Yeni Üye
 
İleti: 45
Kayıt: 03 Arl 2010, 14:13
İl: izmir

Ynt: Müzik seti amplifikatörünü değiştirmek

Okunmamış iletigönderen zunda » 04 Arl 2010, 01:33

ufkun kardeş bendede aıwa nsx s505 vardı ben onu 10000 watt falan sanıyordum 2 katlı evde deprem etkisi yapıyordu daha sonra 2*25 watt ın ne oldugunu keşfettim setin hoparlörleri zorlanıyor netten senin stk nın datasheetini aradım malesef bulamadım genelde serilerden bacak baglantıları tutanlar oluyor ama daha yüksek voltaj yeni trafo makina içine kartta bazı elemanların voltajı uymayacaktır mevcud setin hopları ile muhtemelen uymaz en iyisi ustalarımızında önerdiği gibi haricen yapıp kullanman forumdaki lm 4780 süper bişi yaparsan tabi entegre formdaki arkadaşlardan temin edilebilir
Kullanıcı avatarı
zunda
DIY Audio Gurusu
 
İleti: 328
Kayıt: 28 Ekm 2010, 19:55
İl: kütahya
Meslek: revizör.

Ynt: Müzik seti amplifikatörünü değiştirmek

Okunmamış iletigönderen ufkun » 04 Arl 2010, 02:17

harici yapacagim zaten icine yerlestirmeyi dusunmuyorum kendi cıkısıda gayet guzel
ufkun
Yeni Üye
 
İleti: 45
Kayıt: 03 Arl 2010, 14:13
İl: izmir

Sonraki

Entegreli Güç Yükselteçleri


 


  • Bu konular da ilginizi çekebilir:
    Cevaplar
    Gösterim
    Son ileti

Kimler çevrimiçi

Bu forumu görüntüleyenler: Google [Bot] ve 0 misafir