JVC MX-K350V Müzik seti PROTECT Hatası

Entegreli Güç Yükselteçleri » Küçük ama çok etkili. Entegreli(tümdevreli) ses yükselteçleri ile alakalı soru(n)lar

JVC MX-K350V Müzik seti PROTECT Hatası

Okunmamış iletigönderen kayseribunyan » 16 Eyl 2015, 11:55

Öncelikle herkese merhaba arkadaşlar. Foruma yeni katıldım.Başlıktada Belirttiğim gibi benim böyle bi sorunum var.Müzik Setimi bilgisayarda kullanıyordum ve ses biraz yüksekdi sonra birden ses gitti ve ekranda protect yazısı belirdi.bende ne yaptıysam düzeltemedim içini açtım ve içindeki entegre STK serisinin STK-402-070 Aceba entegre mi yandı veya güç transistörleinde mi bir sorun var yardımınızı bekliyorum arkadaşlar. Birazdan Fotoları Atacağım :?:
En son kayseribunyan tarafından, 16 Eyl 2015, 17:18 tarihinde değiştirildi, toplamda 1 değişiklik yapıldı.
kayseribunyan
Yeni Üye
 
İleti: 4
Kayıt: 16 Eyl 2015, 11:46
İl: Kayseri
Meslek: Öğrenci


Ynt: JVC MXK-350V Müzik seti PROTECT Hatası

Okunmamış iletigönderen kayseribunyan » 16 Eyl 2015, 17:08

arkadaşlar forum ölü mü yardımcı olsanız biraz acilde
kayseribunyan
Yeni Üye
 
İleti: 4
Kayıt: 16 Eyl 2015, 11:46
İl: Kayseri
Meslek: Öğrenci

Ynt: JVC MXK-350V Müzik seti PROTECT Hatası

Okunmamış iletigönderen chf » 18 Eyl 2015, 00:31

kayseribunyan yazdı:arkadaşlar forum ölü mü yardımcı olsanız biraz acilde

Çıkışları kontrol ettin mi ; hoparlör kabloları kısadevre olmuş olabilir..Hatta hoparlörleri sök öyle dene ...Çıkışlar da yanmış olabilir...Çıkışları röleden önce ölç...
Eklentiler
adsız.JPG
chf
DIY Audio Gurusu
 
İleti: 440
Kayıt: 26 Haz 2013, 14:25
İl: izmir

Ynt: JVC MXK-350V Müzik seti PROTECT Hatası

Okunmamış iletigönderen kayseribunyan » 18 Eyl 2015, 10:42

chf yazdı:
kayseribunyan yazdı:arkadaşlar forum ölü mü yardımcı olsanız biraz acilde

Çıkışları kontrol ettin mi ; hoparlör kabloları kısadevre olmuş olabilir..Hatta hoparlörleri sök öyle dene ...Çıkışlar da yanmış olabilir...Çıkışları röleden önce ölç...


HOPARLÖR KABLOLARINDA KISA DEVRE YOK SÖKÜP DENEDİM YİNE AYNI ÇIKŞLARI BİDE RÖLEYİ NEYLE ÖLÇECEĞİM BİRAZ BİLGİSİZİMDE BU KONUDA
kayseribunyan
Yeni Üye
 
İleti: 4
Kayıt: 16 Eyl 2015, 11:46
İl: Kayseri
Meslek: Öğrenci

Ynt: JVC MX-K350V Müzik seti PROTECT Hatası

Okunmamış iletigönderen resho » 18 Eyl 2015, 14:13

hoparlörler sökülüyken aynı hata alınıyor mu?

tüm bilgisayar (line in) girişleri sökülüyken hata alınıyor mu?
Kullanıcı avatarı
resho
DIY Audio Fanatiği
 
İleti: 148
Kayıt: 23 Mar 2007, 10:28
Konum: Ankara

Ynt: JVC MX-K350V Müzik seti PROTECT Hatası

Okunmamış iletigönderen kayseribunyan » 18 Eyl 2015, 15:58

resho yazdı:hoparlörler sökülüyken aynı hata alınıyor mu?

tüm bilgisayar (line in) girişleri sökülüyken hata alınıyor mu?


Evet
kayseribunyan
Yeni Üye
 
İleti: 4
Kayıt: 16 Eyl 2015, 11:46
İl: Kayseri
Meslek: Öğrenci

Reklamlar

Ynt: JVC MX-K350V Müzik seti PROTECT Hatası

Okunmamış iletigönderen chf » 18 Eyl 2015, 21:24

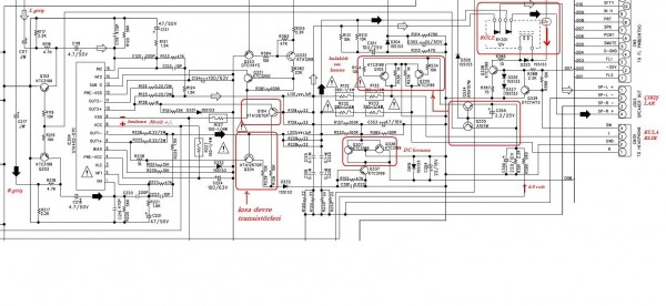
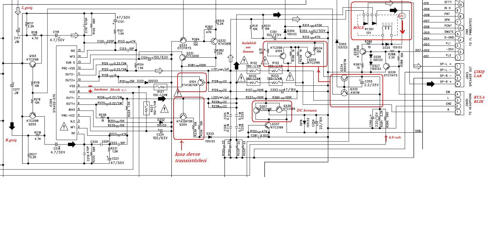
Bir adet ucuzundan Multimetre ölçü cihazı al ve DCV 200 volt konumuna ayarlayıp(Çıkıştaki Doğru gerilimi ölçmek için ...yanmışsa tabi entegre) Multimetrenin siyah ucunu cihaz üzerindeki hoparlör çıkışının eksi(siyah) ucuna sok; sonra multimetrenin kırmızı ucunu da ;devre üzerinde STK entegresine yakın; L101 veya L201 bobinlerinden birinin ucuna değdir...Multimetrede yaklaşık 30 voltluk DC gerilim okunuyor ise STK 402-070 entegresi yanmıştır ve yenisiyle değiştirmek gereklidir... Kayseriye selamlar.. ;)
Eklentiler
adsız1.JPG
adsız1.JPG (46.99 KiB) 6931 defa görüntülendi
2.jpg
chf
DIY Audio Gurusu
 
İleti: 440
Kayıt: 26 Haz 2013, 14:25
İl: izmir

Ynt: JVC MX-K350V Müzik seti PROTECT Hatası

Okunmamış iletigönderen chf » 18 Eyl 2015, 22:09

Resimdeki kırmızı okların gösterdiği noktalara multimetrenin kırmızı ucunu değdirip ölç.. Ama herşeyden önce prizden gelen gerilime dikkat et çarpılmıyasın...
Eklentiler
adsız3.JPG
adsız3.JPG (91.46 KiB) 6929 defa görüntülendi
chf
DIY Audio Gurusu
 
İleti: 440
Kayıt: 26 Haz 2013, 14:25
İl: izmir


Entegreli Güç Yükselteçleri


 


  • Bu konular da ilginizi çekebilir:
    Cevaplar
    Gösterim
    Son ileti

Kimler çevrimiçi

Bu forumu görüntüleyenler: Google [Bot] ve 0 misafir