höparlörleri çalıştırıcak bir devreye ihtiyacım var.

Entegreli Güç Yükselteçleri » Küçük ama çok etkili. Entegreli(tümdevreli) ses yükselteçleri ile alakalı soru(n)lar

höparlörleri çalıştırıcak bir devreye ihtiyacım var.

Okunmamış iletigönderen kaynakkod » 01 Haz 2014, 13:36

S.A. arkadaşlar elimde 5 adet minik hoparlör var bunları masa üstü pcde kullanmak istiyorum.Daha önce hiç anfi devresi yapmadıgım için yardım alayım dedim bir basit preanfi de yapa bilirsin dedi ama benden hiç bir devre şeması yok ve devre şeması ve malzeme listesi lazım yardımcı arkadaşlara şimdiden teşekkür ederim
Eklentiler
2014-05-14 12-39-55 Ekran görüntüsü.png
En son kaynakkod tarafından, 02 Haz 2014, 13:49 tarihinde değiştirildi, toplamda 1 değişiklik yapıldı.
kaynakkod
Yeni Üye
 
İleti: 2
Kayıt: 01 Haz 2014, 13:25
İl: İzmir


Ynt: höparlörleri çalıştırıcak bir devreye ihtiyacım var.

Okunmamış iletigönderen chf » 01 Haz 2014, 20:38

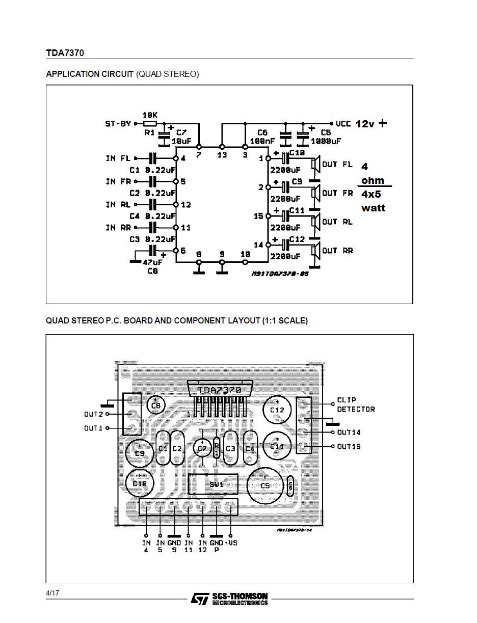
Bu devreyi yapmadım ama senin için buldum... :) 4 kanal 5'er Watt çıkış veriyor...(4 ohmluk hoparlörle) Stand by girişini + ya veya - besleme ucuna değdirirsen ya çalışır ya da kapanır ses...Besleme 12 volt...Şemanın altındaki kart baskı devre kartı ama tam çıkmamış..kendin çizmen gerek..Kolay gelsin...
Eklentiler
tda7370.JPG
chf
DIY Audio Gurusu
 
İleti: 440
Kayıt: 26 Haz 2013, 14:25
İl: izmir

Ynt: höparlörleri çalıştırıcak bir devreye ihtiyacım var.

Okunmamış iletigönderen kaynakkod » 02 Haz 2014, 22:32

CHF yazdı:Bu devreyi yapmadım ama senin için buldum... :) 4 kanal 5'er Watt çıkış veriyor...(4 ohmluk hoparlörle) Stand by girişini + ya veya - besleme ucuna değdirirsen ya çalışır ya da kapanır ses...Besleme 12 volt...Şemanın altındaki kart baskı devre kartı ama tam çıkmamış..kendin çizmen gerek..Kolay gelsin...

Çizerim sıkıntı yok da Yani sen 8 ohm luk olanı kullanma bu devrede diyon öylemi?
kaynakkod
Yeni Üye
 
İleti: 2
Kayıt: 01 Haz 2014, 13:25
İl: İzmir

Ynt: höparlörleri çalıştırıcak bir devreye ihtiyacım var.

Okunmamış iletigönderen chf » 03 Haz 2014, 16:16

kaynakkod yazdı:
CHF yazdı:Bu devreyi yapmadım ama senin için buldum... :) 4 kanal 5'er Watt çıkış veriyor...(4 ohmluk hoparlörle) Stand by girişini + ya veya - besleme ucuna değdirirsen ya çalışır ya da kapanır ses...Besleme 12 volt...Şemanın altındaki kart baskı devre kartı ama tam çıkmamış..kendin çizmen gerek..Kolay gelsin...

Çizerim sıkıntı yok da Yani sen 8 ohm luk olanı kullanma bu devrede diyon öylemi?

Hepsinide kullanabilirsin hoparlörleri paralel veya seri bağlayıp değişik dizaynlar yapabilirsin... 8ohmluk kullanırsan 5watt yerine 2,5 watt alırsın bişey değişmez..4 adet hoparlörü kendi aralarında seri bağlayıp iki kanala takabilirsin, elips hoparlörüde 1 kanala bağlarsın ;1 çıkışta boşta kalır...
chf
DIY Audio Gurusu
 
İleti: 440
Kayıt: 26 Haz 2013, 14:25
İl: izmir


Entegreli Güç Yükselteçleri


Kimler çevrimiçi

Bu forumu görüntüleyenler: Google [Bot] ve 0 misafir