

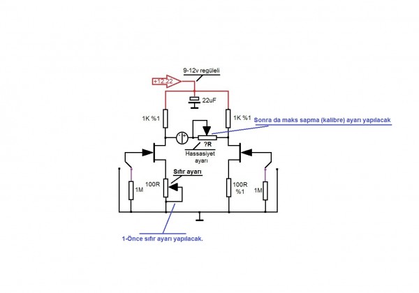
elektrobeyin yazdı:İyigeceler arkadaşlar, gece gece araştırma yaparken bir sitede JFet eşleyici devre( 2 adet FET) keşfettim, hemde işi oldukça kolaylaştırıyor. Yazar gösterildiği yere bağlanan voltmetrenin olabildiğince sıfıra yakın olması gerektiğini söylemiş. Görüldüğü üzere dirençler %1 toleransta olmalı, metal film dirençler oldukça iyi iş görecektir. 50 mV 'un altı kabul edilebilir, mümkünse 3 mV gibi değerler yakalanmasını tavsiye etmiş. Sitenin linkinide vereyim çünkü sitede sadece Fet değil, BJT, diyot gibi birçok malzemeyi eşlemenin pratik yöntemlerinden bahsetmiş. Link: http://www.qrp.pops.net/general-electronics2010.asp İşte şema :
elektrobeyin yazdı:İyigeceler arkadaşlar, gece gece araştırma yaparken bir sitede JFet eşleyici devre( 2 adet FET) keşfettim, hemde işi oldukça kolaylaştırıyor. Yazar gösterildiği yere bağlanan voltmetrenin olabildiğince sıfıra yakın olması gerektiğini söylemiş. Görüldüğü üzere dirençler %1 toleransta olmalı, metal film dirençler oldukça iyi iş görecektir. 50 mV 'un altı kabul edilebilir, mümkünse 3 mV gibi değerler yakalanmasını tavsiye etmiş. Sitenin linkinide vereyim çünkü sitede sadece Fet değil, BJT, diyot gibi birçok malzemeyi eşlemenin pratik yöntemlerinden bahsetmiş. Link: http://www.qrp.pops.net/general-electronics2010.asp İşte şema :
olc technics yazdı:Öncelikle herkese merhabalar;
Aranıza Tekirdağ Çorlu'dan katılıyorum. Yaklaşık üç seneden beri forumun makalelerinden de faydalanarak, kendi çapımda bir şeyler yapmaya uğraşıyorum. 2012'nin son günü nihayet foruma üye oldum. Bu vesile ile yeni yılınızı da kutluyorum.
Benim bu JFET Matcher ile ilgili bir düşüncem var: Elektrobeyin nikli kullanıcının belirtiği üzere "50 mV 'un altı kabul edilebilir, mümkünse 3 mV gibi değerler yakalanmasını tavsiye etmiş." .Misal ; bu 3mV pekala -3mV ta olabilir. Yani; bir amplifikatör +5mV DC ofset verebileceği gibi -5mV gibi DC ofset değerleri verebiliyor. Bu durumda, en başta Diferansiyel giriş çiftinin dengesizliğinden kaynaklanıyor.
Bende eski Sony receiverdan (vintage bir cihaz.) çıkma bir analog (ibreli) bir gösterge var. Girişlerinde hiçbir sinyal yokken ibre tam ortada duruyor. Bu parça bir şekilde JFET Matcher uyarlansa ve full scale olduğu zaman 50mV gibi bir değer gösterse nasıl olur.
Bu forumu görüntüleyenler: Google [Bot] ve 0 misafir