elektrik-elektronik/esr-meter-t1434.html
Devrenin PCB sini sadece bu sitede aktif olan arkadaş ve üyelere,
ticari düşünme ihtimali olan 3. şahıslara verilmeyeceği
ve internet ortamına servis edilmeyeceğine inancımla
özelden göndereceğim.
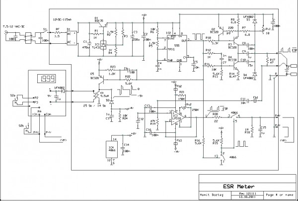
Devre şemasını vereceğim, zaten PCB deki püf noktaları
dolayısı ile herkesin çalıştırması pek kolay olmaz.
Devre şeması daha önce paylaştıklarımdan farklı olarak sadece geliştirilmiştir,
temel prensip aynı kalmıştır görüldüğü gibi.
Ayarlı dirençler mutlaka çok turlu ve kaliteli olmak zorundadır,
ayrıca benim kullandığım kondansatörlerden 0.1u olanlar Kemet multilayer,
elektrolitikler de yurt dışından çok düşük ESR değerlerindedir.
Display kısmı kullanım, yer ve zaman tasarrufu açısından Bluemavi'den
PM438T 1999 (200mV) alınarak şemada görüldüğü gibi,
Lo ve Hi seçenekleri için 2 kademe düzenlendi,
Dp de buna göre kaydırılmaktadır.
Zor da olsa kullanmayı başardım, zira giriş comm ucu ve devre arasındaki
voltaj farkı nedeni ile ayrı bir besleme gerektirdi.
Bunu da LM318 için kullandığım step down -4V SMPS devresine sekonder ekleyerek
sağladım.
Bu devrede de, ESR devremizde pulse generatoru olarak kullandığım LM555
çıkışını kullandım.
Spir ve enduktans bilgileri şemada var.
Burada audio devrelerinde kullanılan dış çapı 1cm basit bir nüve kullandım,
sekonder sarım yönü ters olursa farklı voltajlar üretir.
Devrenin çalışma frekansı 92.5KHz, kusuratı düzeltmek için uğraşmak istemedim,
zira burada bir kaç KHz önemli değil.
Resolution: 0.001 Ohm, ancak 0.001 ohm ESR ölçmek mümkün değildir,
ama 1.987 gibi bir değeri okuyabilirsiniz.
Lo kademesinde max.1.999 ohm
Hi kademesinde max.19.99 ohm ölçebiliriz.
Bu nedenle ESR 20 dedim.
Kalibrasyona gelince;
Önce kandansatör ölçüm uçlarını sıkı şekilde kısa devre ediyoruz ki,
LM318 girişine belli belirsiz voltajlar gelmesin.
Ve bu durumda Opamp bias ayarlı direnci Rv2 Lo ohm kademesinde tam sıfır olacak
şekilde ayarlanır.
Son digiti sıfırda tutabilmek pek kolay olmaz, ancak buna fazla takılmaya gerek yok.
Zaten devrenin normal çalışma sınırları 0.01 ohmdur ve bunun altına inmeye
bizler için ne kadar gerek olabilir.
Bu aşamadan sonra;
iyi bir digital ölçü aleti ile ölçeceğimiz 1 ohm bir direnci, Lo veya Hi
kademesinde 1.000 veya 01.00 ohm okuyacağımız şekilde
Rv1 ile ayarlayacağız.
Ya da ölçtüğümüz değeri burada da okuyacağız,
1.05 ise, 01.05 ya da, Lo kademesinde 1.050 gibi.
Ölçüm noktaları banana con. dışında, ayrıca kablo kullanmadan direkt ölçüm için
2 açıklık bıraktım büyük kondansatörler için.
Devrenin pwr sply.ını 12V 1A SMPS olarak alıp
tak-çıkar şeklinde kullandım.
Ama isteyen arkadaşlar 7.5-12VAc de kullanabilirler,
şemada görüldüğü gibi devre AC/DC olacak şekilde tasarlandı.
Aslında şarjlı pil de takacaktım, ama yer ve devrenin 120mA gibi sarfiyatı
nedeni ile vaz geçtim.
Bir not daha ekleyeyim.
Poly. kondasatörlerde ölçülen değer sabit kalmasına rağmen,
elektrolitiklerde bekledikçe ESR değerinde küçük adımlarla
yükselmeler meydana geldiğini gördüm.











