Geçen gün malzemeler arasından geçerken bir ses
-Hey bana baksana!
Dönüp baktım ki benim minik scope. tübü.
-Flamanlarım ısınıp anodumdan akım geçtiğinin üzerinden 25 sene geçti,
cezam bitmedi mi?
diyerek sitem ediyordu.
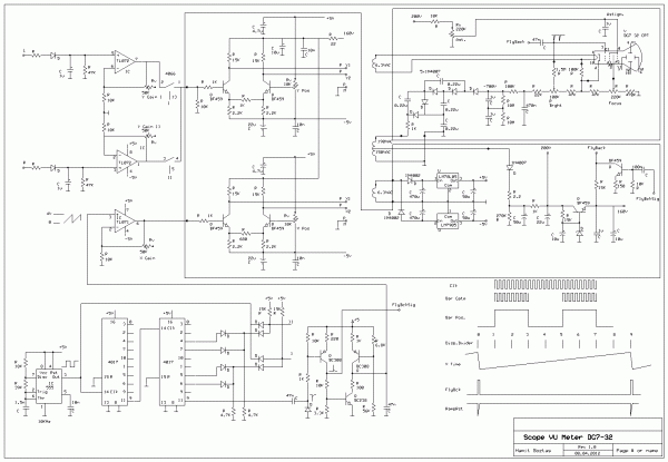
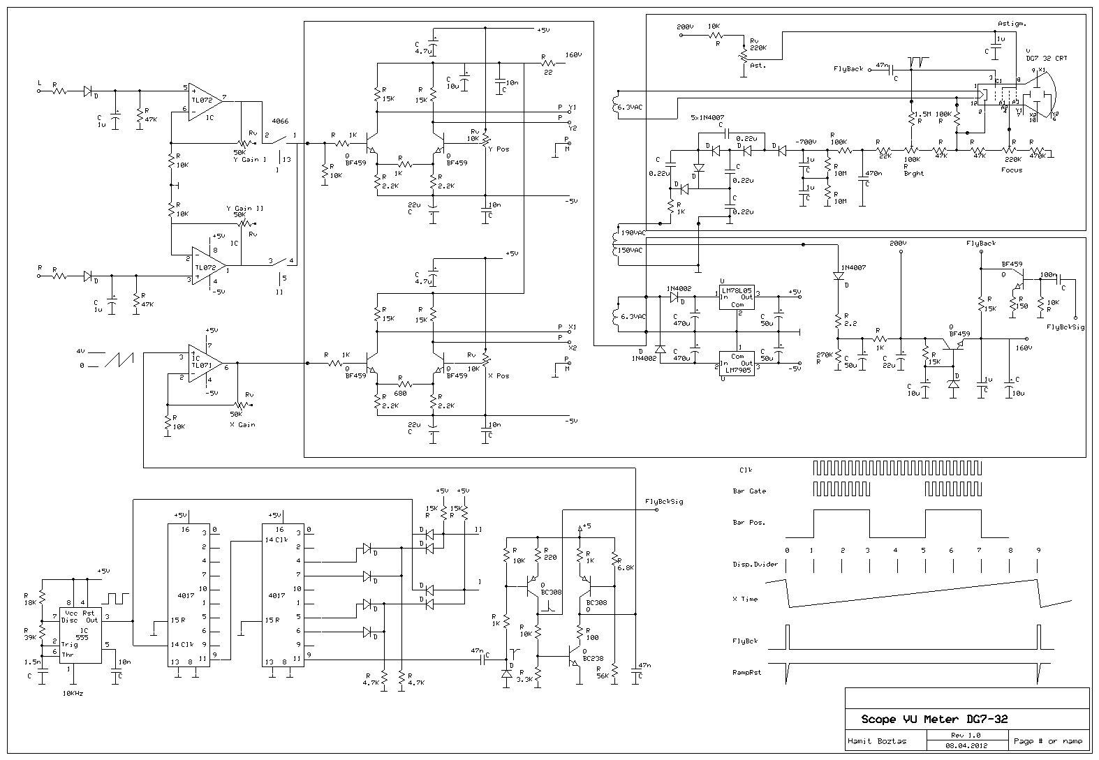
-Bak benden GU50 ye iyi bir vu.metre olur.
Yeşil yeşil bakmaya hasret kaldım.
Neden olmasındı.
İşte sonuç.
Selamlar...




