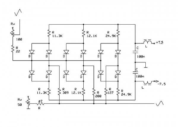
Ticari bir audio gen. servis manuel i imdada yetişti.
Tabii servis-manuel i olması hatası olmayacak demek değil her zaman.
Zira bunda da sağ alt köşedeki 24.9K direnç yoktu.
Artık meşhur olmuş simulasyonum bu devre için 0.3% THD dedi,
kabul edeceğiz artık.
Giriş testere dişi dalga 1V pp,
çıkış sin. 200mV pp civarında...


