Bedri® yazdı:Merhabalar sizin de bayramınız mübarek olsun.
2SA1273 = NF-Tr/E, 30V, 2A, 1W, 120MHz
2SA1015 = Uni, 50V, 0,15A, 0,4W, >80MHz
Bu devreyi nerede kullanacaksınız acaba? Ses devrelerini yönetmek için kullanılabilir mi? Sanırım programlama gerekmiyor ama bunun alıcısı yada bunu nasıl kullanacağımı idrak edemiyorum.
Selamlar:)
Ses devrelerini yönetmek için fevkalade bir yöntem olurdu. TC 9149P-9150P entegreleri, TC 9148P nin alıcı devreleri olarak kullanılıyor.
Örneğin "motorlu pot sürmek için uygun çıkışlar; Hold Pulse pinlerinden TC 9149P de 5 adet vardır.(hold pulse, sürekli atım demektir. Parmağınız UK de ilgili butona basılı durduğu sürece pulse verecektir.)
Açma-kapama, mute, source selector kontrolleri için uygun çıkışlar; Single Pulse çıkışlarından TC9149P de 5 adet vardır.(single pulse, tek atım demektir. Çıkışına eklenecek bir D flip-flop ile aç-kapa çıkışları olarak kullanılabilir.)"
Alıntı yaptığım kısımlar şu linkteki
https://forum.diyaudiotr.com/onyukseltec-tonkontrol/uzaktan-kumandali-motorlu-potans-kiti-yapsam-t295-40.html mesajımdan. Motorlu pot. sürülecekse örneğin; Hold Pulse pinleri, motor sürücü entegresinin (Reversible Motor Driver. BA6208,BA6218 vs entegreleri iyi bir tercih olurdu) giriş pinlerine doğrudan bağlanır. Başka hiçbir değişikliğe gerek kalmadan çalışacaktır. TC9149P-50P nin çıkışları darbe (tetikleyici) çıkışıdır. Tek yapmak gereken çıkışına tetiklenecek bir şeyler bağlamaktır. Gerisi kendiliğinden gelir. Bir başka örnekte, misal; aç-kapa kontrolü sağlamak istiyorsak, iki kararlı bir devreye ihtiyacımız olur. D flip-flop (CD4013) bu iş için gayet uygun bir elemandır.

- 4013 DFF
- 4013-DFF.jpg (10.26 KiB) 1496 defa görüntülendi
Şekildeki devre düzenlenip "in" yazan yere kısa bir darbe uygularsak (single pulse), çıkışı sürekli mantık "1" e yükselir. Tekrar aynı şekilde bir darbe uygularsak, çıkışı mantık "0" olur. İşte bu şekilde aç-kapa işareti sağlanabilir. Çok daha farklı yöntemler uygulanabilir. Artık bu kişinin yaratıcılığına kalmış bir şey.
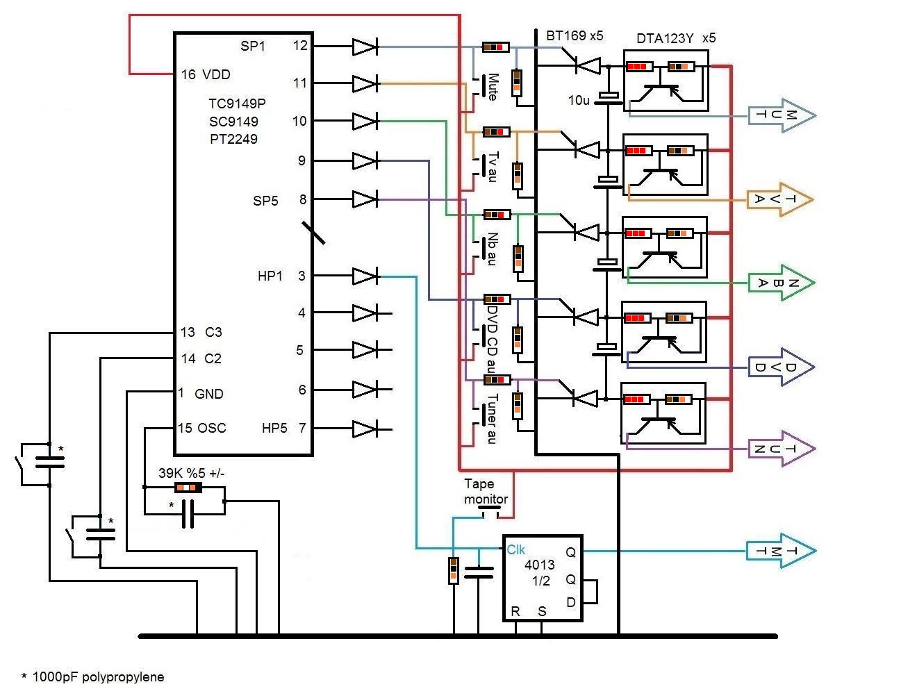
Ya da giriş seçici olarak kullanalım diyorsak; aşağıdaki gibi bir uygulama yapılabilir. Bu benim selector projeme eklemeyi düşünüp, sonrada denemeden askıya aldığım bir çalışmaydı. Hold pulse çıkışına DFlip-Flop bağlamışım. Bu yanlış. Çünkü; hold pulse, "sürekli atım" demektir. Parmağımız tuşun üstünde durduğu sürece darbeler kesik kesik çıkar. Zaten Hold Pulse dan kasıt ta budur. Kumandadan ilgili tuşa basılınca bir seferden fazla darbe çıkarsa, kapalı olan cihazı açıp tekrar kapatırız. Bu devrenin çalışma mantığına gelirsek; Single Pulse çıkışlarından bir darbe gelirse, ilgili tristör iletime gider. Bir başka tuşa basılırsa, başka ilgili tristör iletime gidip iletimde olan tristörü kesime götürecektir. Bunu sağlayan tristörlerin anotlarındaki kondansatörlerdir. Sistem bu şekilde çalışır. Ya da ben öyle umuyorum.

- şema
Yani tamamen hayal gücü. TC 9149P-50P nin çıkışlarının darbe çıkışlı olduğunu bildikten sonra herşeyi yapabiliriz.
Transistör mevzusuna gelirsek, A1273 beni yanıltan bir transistördür. Çünkü Koreli KEC tarafından da üretiliyor. KTA 1273 ismiyle.
En son olc technics tarafından, 09 Ağu 2013, 21:18 tarihinde değiştirildi, toplamda 1 değişiklik yapıldı.